电脑桌面
添加小米粒文库到电脑桌面
安装后可以在桌面快捷访问

结晶器非正弦振动技术的发展VIP免费

结晶器非正弦振动技术的发展_第1页
1/5
结晶器非正弦振动技术的发展_第2页
2/5
结晶器非正弦振动技术的发展_第3页
3/5
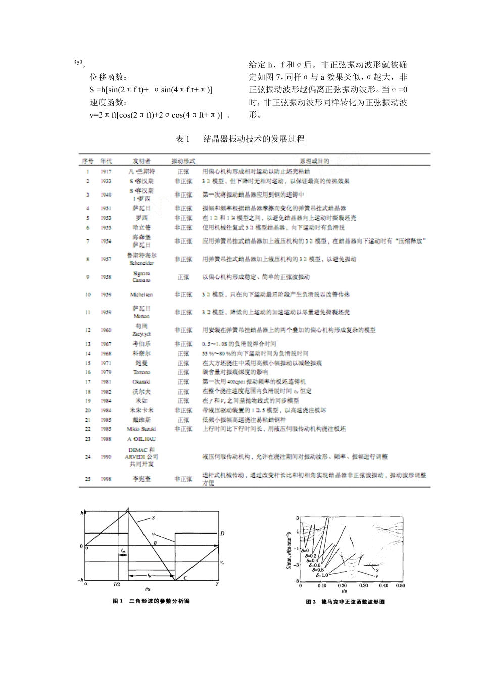
结晶器非正弦振动技术的发展河北科技大学材料学院冶金071班刘双龙摘要:本文通过列举结晶器非正弦振动波形、函数、驱动装置等详细的介绍了结晶器非正弦振动的发展,同时指出结晶器非正弦振动的发展的热点。关键词:结晶器,非正弦,振动,波形函数,驱动方式前言结晶器振动是连铸技术的一个基本特征。连铸过程中,结晶器和坯壳间的相互作用影响着坯壳的生长和脱膜,其控制因素是结晶器的振动和润滑。连铸在采用固定结晶器浇注时,铸坯直接从结晶器向下拉出,由于缺乏润滑,易与结晶器发生粘结,从而导致出现拉不动或者拉漏事故,很难进行浇注。结晶器振动对于改善铸坯和结晶器界面间的润滑是非常有效的,振动结晶器的发明引进,工业上大规模应用连铸技术才得以实现。可以说,结晶器振动是浇注成功的先决条件,是连铸发展的一个重要里程碑。近年来,冶金工业的迅速发展,要求连铸提高拉速和增加连铸机的生产能力,人们对结晶器振动的认识也在不断深入和发展。一、结晶器振动技术的发展历史结晶器振动技术早期只应用于有色金属的浇注,由于没有弄清与结晶器润滑的关系,结晶器振动的概念也经历了各种变化。直到1949年,S·容汉斯和I·罗西第一次将其应用于钢的浇注,目的就是为了有效地改善铸坯和结晶器壁间的润滑条件。这一成果对于推动连铸技术的发展,使其从实验室走向工业化应用做出了开拓性的贡献。表1示出了连铸结晶器振动技术的发展演变情况。从表1结晶器振动技术的发展来看,结晶器振动经历了早期的非正弦振动方式到正弦振动方式,目前又发展到非正弦振动方式的过程。当然,现在所采用的非正弦振动与早期的非正弦振动虽然振动波形同为非正弦,但其目的和实现方式上二者有本质的区别。【1】二、结晶器非正弦振动的发展1、结晶器非正弦振动几种典型波形1.1索拉克波形法国索拉克公司弗洛朗日钢厂2号板坯连铸机采用的是三角形一非正弦振动波形,其位移曲线为三角形波,速度曲线为矩形波,其振动参数的分析如图1所示。【2】非常明显,三角形波连续的速度曲线将导致机构的“刚性冲击”,而突变的加速度曲线将造成机构的“柔性冲击”。所以这种非正弦振动波形的动力学特性差,对机构不利,更不适合于高频振动。1.2德马克波形德马克公司给出的非正弦振动位移波形函数【3】如下:S=hsin[2πft--Ssin(2πft)]德马克波的位移、速度曲线光滑,工艺上其向上振动速度低、且平稳,有利于降低坯壳和结晶器之的摩擦力,减少连铸坯的拉裂和拉漏;加速度曲线(图中略)光滑无突变,不会造成“柔性冲击”,所以其动力学特性优于索拉克非正弦波。1.3分段波形在此把非正弦振动视为正弦振动的演变,其相对正弦振动的改变用分段波形偏斜率系数a=4tm/T表示(见图3)。图4中非正弦振动的速度曲线设定由水平直线段AB、余弦曲线段BC、正弦曲线段CDE及EF、水平直线段FG光滑连接(连接点处具有公切线)而成。非正弦振动位移、速度波形如图5所示。可以看出a越大,非正弦振动波形越偏离正弦振动波形;同时,当a=0时,非正弦振动波转化为正弦振动波形。1.4整体波形非正弦振动位移曲线向上达到峰值的时间相对正弦振动位移曲线有一个时间滞后,优化波形后构造出一个用整体函数表示的非正弦振动波。其振动位移及速度曲线如图6所示,可以看出△与a的效果类似,△越大,非正弦振动波形越偏离正弦振动波形,当△=0时,非正弦振动波形转化为正弦振动波形【4】。1.5复合波形采用运动迭加原理构造了一个由两个正弦波形迭加而成的非正弦振动波形函数【5】。位移函数:S=h[sin(2πft)+σsin(4πft+π)]速度函数:v=2πft[cos(2πft)+2σcos(4πft+π)]。给定h、f和σ后,非正弦振动波形就被确定如图7,同样σ与a效果类似,σ越大,非正弦振动波形越偏离正弦振动波形。当σ=0时,非正弦振动波形同样转化为正弦振动波形。表1结晶器振动技术的发展过程图8电液连铸结晶器非正弦振动系统液压控制原理2、非正弦振动驱动方式的发展2.1电液伺服系统驱动电液连铸结晶器非正弦振动系统液压控制原理如图8所示,电液连铸结晶器非正弦振动系统具有精度高、功能齐全、操作方便、人-机界面友好等特点。它可提供正弦波、直线与圆弧组合的非正弦波供用户选择.采用直线、...

1、当您付费下载文档后,您只拥有了使用权限,并不意味着购买了版权,文档只能用于自身使用,不得用于其他商业用途(如 [转卖]进行直接盈利或[编辑后售卖]进行间接盈利)。
2、本站所有内容均由合作方或网友上传,本站不对文档的完整性、权威性及其观点立场正确性做任何保证或承诺!文档内容仅供研究参考,付费前请自行鉴别。
3、如文档内容存在违规,或者侵犯商业秘密、侵犯著作权等,请点击“违规举报”。

碎片内容

结晶器非正弦振动技术的发展

您可能关注的文档

黄金阁书苑+ 关注
实名认证
内容提供者

热爱教学事业,对互联网知识分享很感兴趣

确认删除?
VIP
微信客服
  • 扫码咨询
会员Q群
  • 会员专属群点击这里加入QQ群
客服邮箱
回到顶部