电脑桌面
添加小米粒文库到电脑桌面
安装后可以在桌面快捷访问

化工原理第二版VIP免费

化工原理第二版_第1页
1/5
化工原理第二版_第2页
2/5
化工原理第二版_第3页
3/5
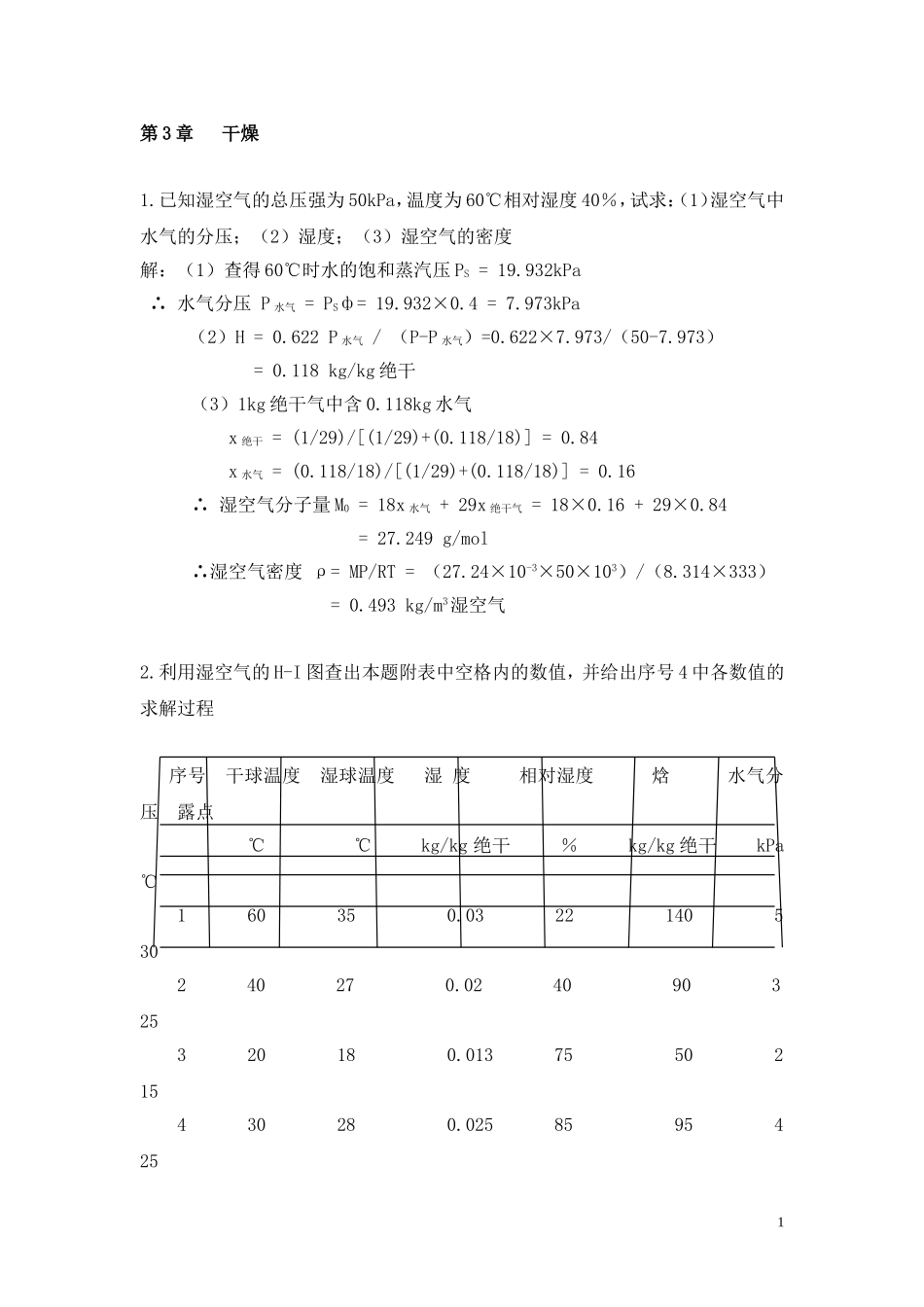
第3章干燥1.已知湿空气的总压强为50kPa,温度为60℃相对湿度40%,试求:(1)湿空气中水气的分压;(2)湿度;(3)湿空气的密度解:(1)查得60℃时水的饱和蒸汽压PS=19.932kPa∴水气分压P水气=PSф=19.932×0.4=7.973kPa(2)H=0.622P水气/(P-P水气)=0.622×7.973/(50-7.973)=0.118kg/kg绝干(3)1kg绝干气中含0.118kg水气x绝干=(1/29)/[(1/29)+(0.118/18)]=0.84x水气=(0.118/18)/[(1/29)+(0.118/18)]=0.16∴湿空气分子量M0=18x水气+29x绝干气=18×0.16+29×0.84=27.249g/mol∴湿空气密度ρ=MP/RT=(27.24×10-3×50×103)/(8.314×333)=0.493kg/m3湿空气2.利用湿空气的H-I图查出本题附表中空格内的数值,并给出序号4中各数值的求解过程序号干球温度湿球温度湿度相对湿度焓水气分压露点℃℃kg/kg绝干%kg/kg绝干kPa℃160350.0322140530240270.024090325320180.0137550215430280.025859542513.干球温度为20℃,湿度为0.009kg/kg绝干的湿空气通过预热器加热到50℃,再送往常压干燥器中,离开干燥器时空气的相对湿度为80%。若空气在干燥器中经历等焓干燥过程,试求:(1)1m3原湿空气在预热器过程中焓的变化;(2)1m3原湿空气在干燥器中获得的水分量。解:(1)原湿空气的焓:I0=(1.01+1.88H0)t+2490H0=(1.01+1.88×0.009)×20+2490×0.009=43kJ/kg绝干通过预热器后空气的焓I1=(1.01+1.88×0.009)×50+2490×0.0009=73.756kJ/kg绝干焓变化ΔH=I1-I0=30.756kJ/kg绝干空气的密度ρ=MP/RT=(29×10-3×101.33×103)/(8.314×293)=1.21kg/m3∴1m3原湿空气焓的变化为ΔH=30.756×1.21/1.009=36.9kJ/kg湿气(2)等焓干燥I1=I2=73.756kJ/kg绝干假设从干燥器中出来的空气湿度t=26.8℃,查得此时水蒸汽的饱和蒸汽压PS=3.635kPa∴H2=0.622φPS/(P-фPS)=0.622×0.8×3.635/(101.33-0.8×3.635)=0.0184kJ/kg绝干由I2=73.756=(1.01+1.88H2)t2+2490H2试差假设成立∴H2=0.0184kJ/kg绝干获得水分量:ΔH=H2-H0=0.0184-0.009=0.0094kJ/kg绝干=0.0094×1.21/1.009=0.011kJ/kg湿气4.将t0=25℃,ф0=50%的常压新鲜空气,与干燥器排出的t2=50℃,ф2=280%的常压废气混合,两者中绝干气的质量比为1:3。分别用计算法和做图法求混合气体的湿度和焓。解:(1)查得25℃时和50℃时水的饱和蒸汽压分别为3.291kPa和12.34kPa新鲜空气湿度H0=0.622φ0PS/(P-ф0PS)=0.622×0.5×3.291/(101.33-0.5×3.291)=0.01027kg水/kg绝干废气湿度H2=0.622φ2PS/(P-ф2PS)=0.622×0.8×12.34/(101.33-0.8×12.34)=0.20142kg水/3kg绝干混合气湿度Hm=(0.01027+0.06714×3)/(1+3)=0.0529kg水/kg绝干混合气温度tm=(25+50×3)/(1+3)=43.75℃∴混合气焓:Im=(1.01+1.88Hm)tm+2490Hm=(1.01+1.88×0.0529)×43.75+2490×0.0529=180.26kJ/kg绝干(2)做图发略5.干球温度t0=26℃,湿球温度tw0=23℃的新鲜空气,预热到t1=95℃后送入连续逆流干燥器内,离开干燥器时温度为t2=85℃。湿物料初始状况为:温度θ1=25℃,含水量ω1=1.5%终了时状态为:温度θ2=34.5℃,ω2=0.2%。每小时有9200kg湿物料加入干燥器内。绝干物料的比热容CS=1.84kJ/(kg绝干·℃)。干燥器内无输送装置,热损失为580kJ/kg汽化的水分。试求:(1)单位时间内回的的产品质量;(2)写出干燥过程的操作线方程;(3)在H-I图上画出操作线;(4)单位时间内消耗的新鲜空气质量。解:(1)G=G1(1-ω1)=9200×(1-0.0015)=9062kg/h∴干燥产品质量G2=G/(1-ω2)=9080kg/h(2)X1=ω1/(1-ω1)=0.01523X2=ω2/(1-ω2)=0.0023当干球温度t0=26℃,湿球温度为23℃时由图5-3查的空气的湿度H0=0.02kg水/kg绝干I1=(1.01+1.88H1)t1+2490H1=(1.01+1.88×0.02)×95+2490×0.02=149.322kJ/kg绝干I1'-I2'=CS(θ1-θ2)+CW(X1θ1–X2θ2)=1.84×(25-34.5)+4.187×(0.01523×25-0.002×34.57)=-16.17kJ/kg绝干围绕干燥器做物料衡算L(I1-I2)+G(I1'-I2')=QL代入已知条件L(149.322-I)–16.17×9062=580G(X1-X2)L(149.322-I)=216068.74 绝干气消耗量L=G(X1-X2)/(H2-H1)∴L=119.89/(H2-0.02)∴119.89(149.322-I)=216068.74(H-0...

1、当您付费下载文档后,您只拥有了使用权限,并不意味着购买了版权,文档只能用于自身使用,不得用于其他商业用途(如 [转卖]进行直接盈利或[编辑后售卖]进行间接盈利)。
2、本站所有内容均由合作方或网友上传,本站不对文档的完整性、权威性及其观点立场正确性做任何保证或承诺!文档内容仅供研究参考,付费前请自行鉴别。
3、如文档内容存在违规,或者侵犯商业秘密、侵犯著作权等,请点击“违规举报”。

碎片内容

化工原理第二版

黄金阁书苑+ 关注
实名认证
内容提供者

热爱教学事业,对互联网知识分享很感兴趣

确认删除?
VIP
微信客服
  • 扫码咨询
会员Q群
  • 会员专属群点击这里加入QQ群
客服邮箱
回到顶部