电脑桌面
添加小米粒文库到电脑桌面
安装后可以在桌面快捷访问

钢筋进场外观检验VIP免费

钢筋进场外观检验_第1页
1/20
钢筋进场外观检验_第2页
2/20
钢筋进场外观检验_第3页
3/20
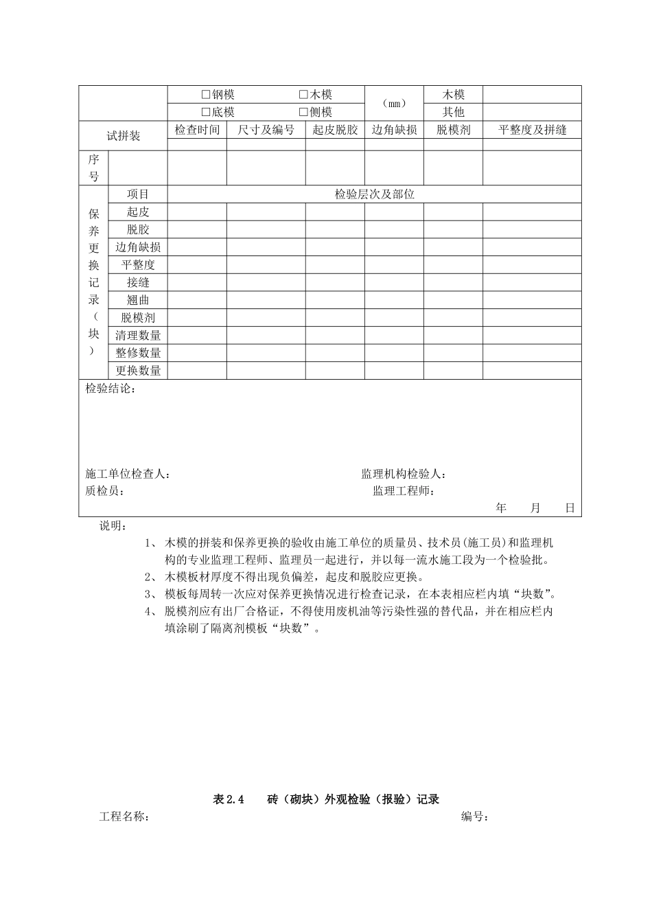
钢筋进场外观检验(报验)记录工程名称:南京中央金地工程目编号:001序号钢筋型号生产厂家进场时间2011数量(t)炉批号直径偏差(mm)外观质量外加工进场抽检情况检查结论锈蚀(颗粒状、片状)裂纹油污平直损伤1HRB400Ø18永钢6、2420.23231110317323无无无平直无/合格2HRB400Ø10永钢6、2429.983110653223无无无平直无/合格3HRB400Ø12永钢6、2440.3653110672923无无无平直无/合格4HRB400Ø8永钢6、242.0656110510011无无无平直无/合格5HRB400Ø25永钢6、2439.749110650823无无无平直无/合格6HRB400Ø22永钢6、2429.51110628423无无无平直无/合格7HRB400Ø22永钢6、2439.825无无无平直无/合格8HRB400Ø22沙钢6、2440.123无无无平直无/合格9HRB400Ø25沙钢6、2439.917无无无平直无/合格检验结论施工单位检查人:监理机构检验人:质检员:监理工程师:年月日说明1、施工单位的专职质检员、材料员与监理机构的监理工程师、监理员一起进行检验。2、直径偏差允许值:交货为A级不小于0.3mm,交货为B级不小于0.4mm;偏差超过允许值的应退货或降级使用。3、外观质量:钢筋应平直、无损伤,钢筋表面不得有裂纹、起皮、油污、颗粒状或片状老锈等,并在相应栏内填“有”或“无”,平直栏直接填“平直”或“弯曲”。4、产品标牌上的标识炉批号应与质量保证书上一致,并做好记录。当不一致时,应查明材料来源,否则应退货。5、当钢筋表面存在裂纹、起皮应退货;若存在损伤、不平直应剔出退货;存在油污应清理干净;存在颗粒状或片状老锈应除尽,若影响截面尺寸,应降级处理。6、外观检查合格后,应及时见证取样送有资质的检测机构进行复试,复试合格后方可使用。表2.3模板试拼装及模块转检验(报验)记录工程名称:编号:模板类型□大模□拼装模板厚度钢模(mm)□钢模□木模木模□底模□侧模其他试拼装检查时间尺寸及编号起皮脱胶边角缺损脱模剂平整度及拼缝序号保养更换记录(块)项目检验层次及部位起皮脱胶边角缺损平整度接缝翘曲脱模剂清理数量整修数量更换数量检验结论:施工单位检查人:监理机构检验人:质检员:监理工程师:年月日说明:1、木模的拼装和保养更换的验收由施工单位的质量员、技术员(施工员)和监理机构的专业监理工程师、监理员一起进行,并以每一流水施工段为一个检验批。2、木模板材厚度不得出现负偏差,起皮和脱胶应更换。3、模板每周转一次应对保养更换情况进行检查记录,在本表相应栏内填“块数”。4、脱模剂应有出厂合格证,不得使用废机油等污染性强的替代品,并在相应栏内填涂刷了隔离剂模板“块数”。表2.4砖(砌块)外观检验(报验)记录工程名称:编号:砖(砌块)品种规格数量进场时间合格证准用证检测项目标准要求检查方法检查记录砖(砌块)几何尺寸偏差:±2mm采用砖用卡尺或尺量检查。精度05-1mm缺棱掉角个数不多于1处、尺寸不得大于20mm昼检查缺损的投影尺寸裂纹长度大面上宽度方向不大于30mm,长度方向不大于50mm尺量检查裂纹的长度检验结论:施工单位检查人:监理机构检验人:质检员:监理工程师:年月日说明:1、每日进场(同一生产厂、同品种、同规格)的砖(砌块)为一检查批,由施工单位的材料员、质量员、监理单位的专业监理工程师、监理员等一起随机抽取20块砖(砌块)对几何尺寸、外观质量等进行检查验收。2、当检查有四块砖(砌块)存在不合格指标时,应双倍取样,仍有八块及以上的砖(砌块)存在不合格指标时,判定该批砖(砌块)为不合格,应退货。3、每一次采购进场的同一生产厂、同品种、同规格的砖(砌块)应至少提供一份合格证或新产品准用证(或相关文件)并将证件编号填写在本表相应栏内。外观检验合格后,应按相关规范和标准的要求见证取样送有资质的检测机构进行检测,合格后方可使用。表2.5混凝土坍落度检测记录工程名称:编号:混凝土浇筑部位浇筑方量(m2)商品混凝土厂家总车次合格证明书编号配合比坍落度值外加剂名称序号车牌号检测时间(年月日时分施工自检平行检验检查意见坍落度(cm)检查人坍落度(cm)检查人检查结论:质检员:监理工程师:年月日说明:1、检验方法:用坍落度检测器和钢尺量测检查。2、检验数量:施工单位应...

1、当您付费下载文档后,您只拥有了使用权限,并不意味着购买了版权,文档只能用于自身使用,不得用于其他商业用途(如 [转卖]进行直接盈利或[编辑后售卖]进行间接盈利)。
2、本站所有内容均由合作方或网友上传,本站不对文档的完整性、权威性及其观点立场正确性做任何保证或承诺!文档内容仅供研究参考,付费前请自行鉴别。
3、如文档内容存在违规,或者侵犯商业秘密、侵犯著作权等,请点击“违规举报”。

碎片内容

钢筋进场外观检验

确认删除?
VIP
微信客服
  • 扫码咨询
会员Q群
  • 会员专属群点击这里加入QQ群
客服邮箱
回到顶部