电脑桌面
添加小米粒文库到电脑桌面
安装后可以在桌面快捷访问

汗蒸房说明书VIP免费

汗蒸房说明书_第1页
1/8
汗蒸房说明书_第2页
2/8
汗蒸房说明书_第3页
3/8
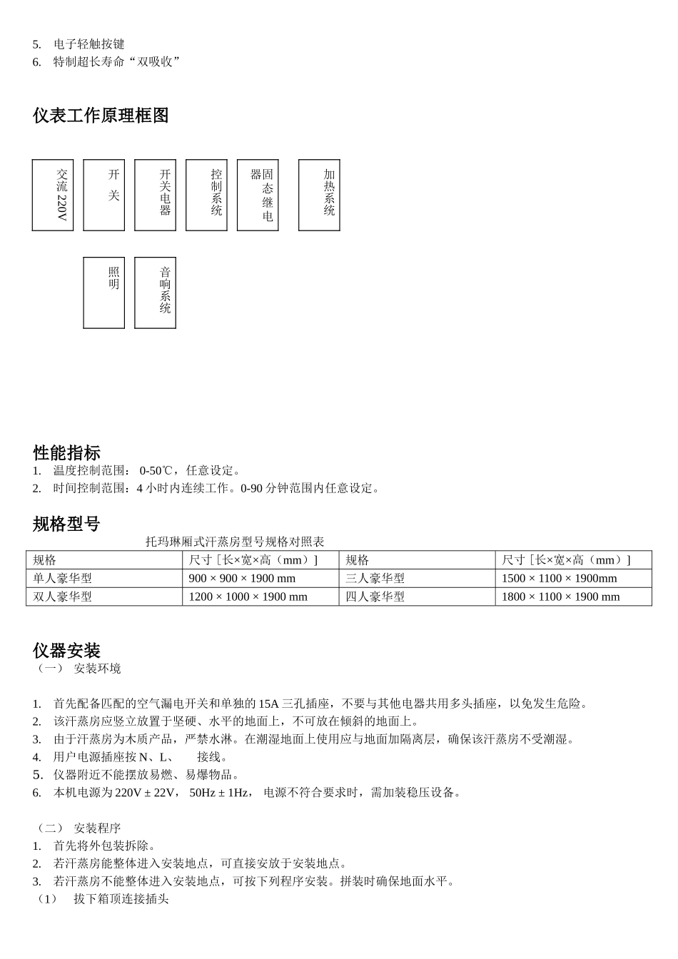
电气石汗蒸房TOURMALINESAUNACABIN使用说明书功能----托马琳矿物名电气石,是一种品位很高的天然宝石,它的柱形晶体是由七、八种不同颜色的矿物质组成,光彩夺目、色泽斑斓,晶体两端都带有正、负电核,其表面流动着0.06毫安的微电流,因此就有了“电气石“这个学名。科学实验证明,托马琳被粉碎的越细,所释放的能量越强,而且托马琳对人体具有神奇的保健功效。他的主要作用有平衡人体生物电;改善血液循环及人体微循环,舒经通络,促进新陈代谢;释放负离子,平衡人体酸碱度;并可有效阻断电磁波、水脉波等有害辐射对人体的伤害。对人体起到全身心地综合保健作用。功能一具有消耗腰部赘肉,驱减脂肪,润白皮肤,健美修形的作用。由于人体在远红外线的作用下,皮肤和皮下组织温度升高,导致毛细血管扩张。血液中大部分的物质是水,随着大分子团的水变成小分子团的水,大大提高了水分子在毛细血管中的流动性,血粘度、血脂降低使血管内部光滑从而改善局部微循环,同时对血管和细胞进行清洗,加强氧及微量元素的能量转换,使细胞及细胞内的钙离子活性增强。功能二产生负离子,具有镇定、安神、提高呼吸器官功能,活化人体单元细胞和促进人体单元细胞吸收营养及排泄废物的功效和作用。主要体现在以下几个方面:1.消烟、除尘、改善空气结构。负离子能迅速中和空气中属于正离子的焦烟、“二手烟“、油烟及飘尘,减少肺炎、气管炎等呼吸道疾病的患病率。2.改善心肺功能吸入负离子使氧气吸收量和废气排出量增加,有明显降压作用,可使人精神振奋,提高工作效率。3.促进新陈代谢,负离子能激活机体多种酶,改善睡眠。4.负离子可改善机体的反应性,增强机体抗病能力。5.负离子对支气管炎、过敏性花粉热、支气管哮喘、肺气肿、心绞痛、眩晕、偏头痛、神经衰弱、溃疡病、糖尿病、贫血、烧伤、上呼吸道感染症等疾病均能起到缓解或治愈作用。功能三医学上波长在2.5微米以上的红外线称之为远红外线,介乎于4至14微米的远红外线与人体发射的波长匹配能产生温热效应,促进新陈代谢,被称为“生命之光“。它对人体的血液循环,微循环有特殊作用,其基本功能是实现血液与组织细胞的物质交换。因为活化的水分子可自由出入细胞膜之间,再透过共振,转化为热能,令皮下深层的温度微升,血流速度加快,毛细血管扩张,在大量的毛细血管扩张的同时,心脏压力便可减小。因为成年人的毛细血管总长度可环绕地球三周,被称为人体的“第二心脏“,所以远红外线可以调理改善高血压,心脑血管疾病,肿瘤、关节炎、四肢麻木、肢体冰冷、肩周炎、肢体部位疼痛、腰疾劳损、椎间盘突出变形,颈椎病。对胃肠病、肾虚、月经失调也有极好的预防和辅助治疗作用。功能四平衡人体酸碱度。当体液呈现弱酸性,内脏功能代谢迟钝了,各种疾病也会随之产生。体液恒定的酸碱平衡是保持细胞正常代谢的重要条件,而决定体液酸碱度的一个重要条件就是负离子浓度。负离子浓度越高越呈弱碱性,从而达到人体的酸碱度平衡。功能五排除体内毒素。由于社会的发展和时代变迁,人们的身体也遇到了各种化学物质的严重伤害,衣、食、住、行、美容产品以及药物中的有害物质大量残留余人的体内,使人们的健康受到威胁,而汗蒸生态养生馆正是这些病毒的克星。当电气石产品的远红外线、负离子、生物电被热能催发时,它的天然理化元素经过能量转换对人体的保健疗效发挥得淋漓尽致,而人体通过深层次的大量排汗,净化了血液、排除了毒素、减少了多余的皮下脂肪及多余的蛋白质,使人体的内分泌趋于正常,快速消除疲劳。因此电气石汗蒸房能使前列腺炎、痔疮、糖尿病、皮肤瘙痒、动脉硬化、脑血栓、咽喉炎、上呼吸道感染、支气管炎、寻麻疹,得到改善,从而达到无病保健,有病缓解,辅助治疗的作用和功效.仪器工作环境1.温度:20℃2.湿度:≤60%;3.大气压力:700hpa1060hpa;4.电源:AC220V±22V,50Hz±1Hz.本机特点1.厢木式结构2.微电脑控制,自动恒温3.时间设定4.进口高精度数字传感器5.电子轻触按键6.特制超长寿命“双吸收”仪表工作原理框图交流性能指标1.温度控制范围:0-50℃,任意设定。2.时间控制范围:4小时内连续工作。0-90分钟范围内任意设定。规...

1、当您付费下载文档后,您只拥有了使用权限,并不意味着购买了版权,文档只能用于自身使用,不得用于其他商业用途(如 [转卖]进行直接盈利或[编辑后售卖]进行间接盈利)。
2、本站所有内容均由合作方或网友上传,本站不对文档的完整性、权威性及其观点立场正确性做任何保证或承诺!文档内容仅供研究参考,付费前请自行鉴别。
3、如文档内容存在违规,或者侵犯商业秘密、侵犯著作权等,请点击“违规举报”。

碎片内容

汗蒸房说明书

确认删除?
VIP
微信客服
  • 扫码咨询
会员Q群
  • 会员专属群点击这里加入QQ群
客服邮箱
回到顶部