电脑桌面
添加小米粒文库到电脑桌面
安装后可以在桌面快捷访问

北京邮电大学微机原理硬件实验报告VIP免费

北京邮电大学微机原理硬件实验报告_第1页
1/31
北京邮电大学微机原理硬件实验报告_第2页
2/31
北京邮电大学微机原理硬件实验报告_第3页
3/31
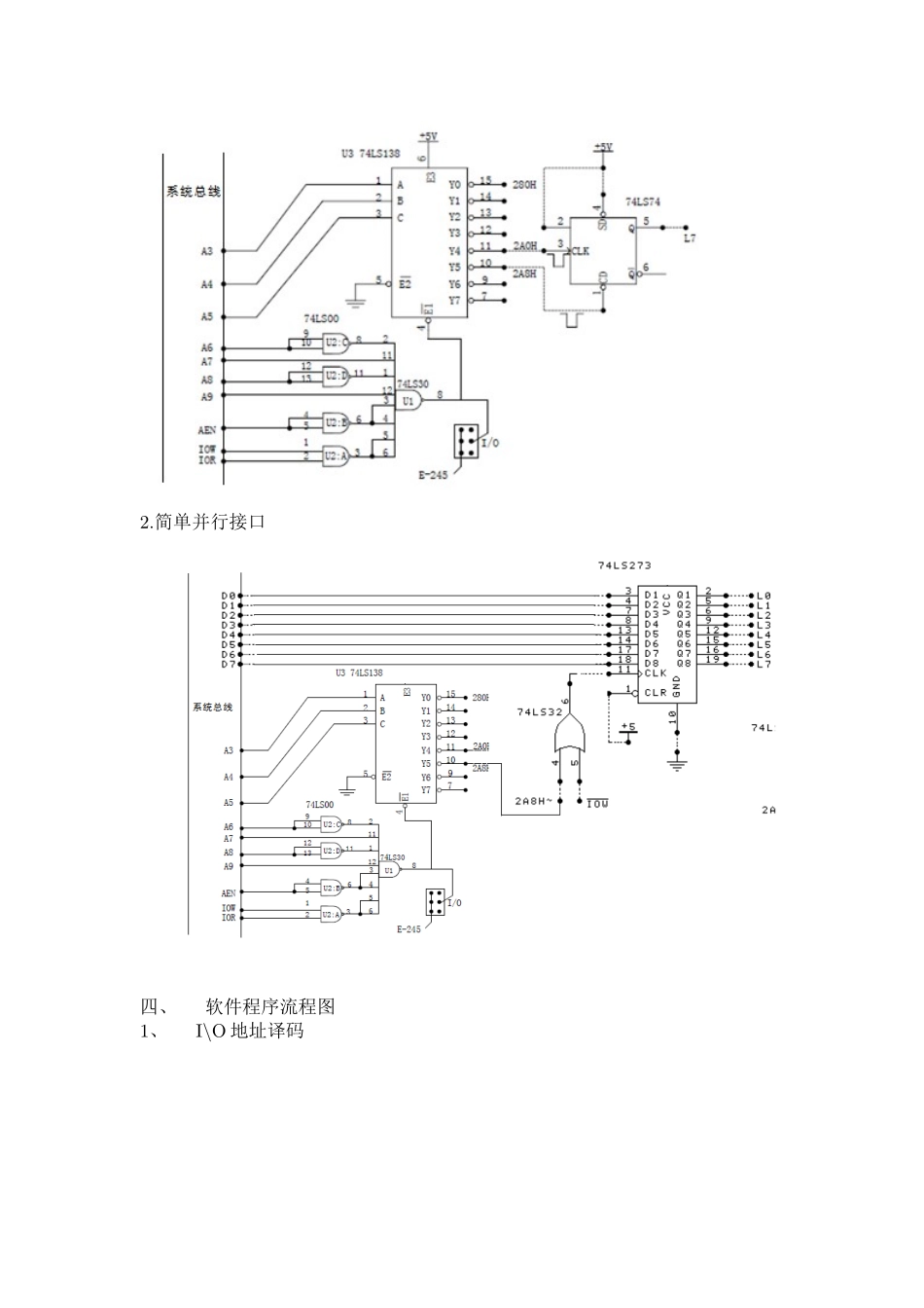
实验报告一:I/0地址译码和简单并行接口——实验一&实验二一、实验目的掌握I/O地址译码电路的工作原理;掌握简单并行接口的工作原理及使用方法。二、实验原理及内容a)I/0地址译码1、实验电路如图1-1所示,其中74LS74为D触发器,可直接使用实验台上数字电路实验区的D触发器,74LS138为地址译码器。译码输出端Y0~Y7在实验台上“I/O地址“输出端引出,每个输出端包含8个地址,Y0:280H~287H,Y1:288H~28FH,……当CPU执行I/O指令且地址在280H~2BFH范围内,译码器选中,必有一根译码线输出负脉冲。例如:执行下面两条指令MOVDX,2A0HOUTDX,AL(或INAL,DX)Y4输出一个负脉冲,执行下面两条指令MOVDX,2A8HOUTDX,AL(或INAL,DX)Y5输出一个负脉冲。利用这个负脉冲控制L7闪烁发光(亮、灭、亮、灭、……),时间间隔通过软件延时实现。2、接线:Y4/IO地址接CLK/D触发器Y5/IO地址接CD/D触发器D/D触发器接SD/D触发器接+5VQ/D触发器接L7(LED灯)或逻辑笔b)简单并行接口1、按下面图4-2-1简单并行输出接口电路图连接线路(74LS273插通用插座,74LS32用实验台上的“或门”)。74LS273为八D触发器,8个D输入端分别接数据总线D0~D7,8个Q输出端接LED显示电路L0~L7。2、编程从键盘输入一个字符或数字,将其ASCⅡ码通过这个输出接口输出,根据8个发光二极管发光情况验证正确性。3、按下面图4-2-2简单并行输入接口电路图连接电路(74LS244插通用插座,74LS32用实验台上的“或门”)。74LS244为八缓冲器,8个数据输入端分别接逻辑电平开关输出K0~K7,8个数据输出端分别接数据总线D0~D7。4、用逻辑电平开关预置某个字母的ASCⅡ码,编程输入这个ASCⅡ码,并将其对应字母在屏幕上显示出来。5、接线:1)输出按图4-2-1接线(图中虚线为实验所需接线,74LS32为实验台逻辑或门)2)输入按图4-2-2接线(图中虚线为实验所需接线,74LS32为实验台逻辑或门)三、硬件连线图1、I/O地址译码2.简单并行接口四、软件程序流程图1、I\O地址译码2、简单并行接口五、源程序1、I\O地址译码STACKSEGMENTSTACK'STACK'DB100DUP(?)STACKENDSDATASEGMENTDATAENDSCODESEGMENTASSUMECS:CODE,SS:STACK,DS:DATASTART:MOVAX,DATAMOVDS,AXLOP:MOVDX,2A0HOUTDX,AL;点亮灯CALLDELAY;延时MOVDX,2A8HOUTDX,AL;熄灭灯CALLDELAYJMPLOPCODEENDSENDSTARTDELAYPROCNEAR;延时子程序PUSHCXPUSHBXMOVBX,250;250×65535LP2:MOVCX,0FFFFHLP1:LOOPLP1DECBXJNZLP2POPBXPOPCXRETDELAYENDP2、简单并行接口电路STACKSEGMENTSTACK'STACK'DB100DUP(?)STACKENDSDATASEGMENTDATAENDSCODESEGMENTASSUMECS:CODE,SS:STACK,DS:DATASTART:MOVAX,DATAMOVDS,AXLOP:MOVAH,01HINT21HCMPAL,1BH;检查是否按下退出esc键JZENDINGMOVDX,2A8H;将ascii码输出OUTDX,ALJMPLOPENDING:MOVAL,0OUTDX,ALMOVAX,4C00HINT21HCODEENDSENDSTART六、实验总结在这三次实验中出现的问题以及相应的解决方法如下:实验一:因为对D触发器的特性有些遗忘,在编写程序时犯了不少错误,最终通过请教助教解决了一些疑问,从而顺利写出了代码。实验二:实验二的程序逻辑比较简单,但连线比较多,在实验过程中,也多次连错了线,通过检查纠正了连线错误,也很快完成了实验。七、实验收获与心得体会这次实验是第一次用汇编语言控制接口,因为理论课尚未讲到相关内容,做实验时,上手地比较慢。通过实验一实验二,熟练了对IN、OUT指令的使用,对接口有了初步认识。同时通过研究译码电路,对“地址”也有了进一步的认识。实验报告二:可编程并行接口8255的应用——实验三&实验四&实验五一、实验目的1、通过实验,掌握8255工作于方式0以及设置A口为输出口,C口为输入口的方法。、2、掌握数码管显示数字的原理。3、掌握8255控制键盘及显示电路的基本功能及编程方法;掌握一般键盘和显示电路的工作原理。二、实验原理及内容a)实验三1、实验电路如图4-3-1,8255C口接逻辑电平开关K0~K7,A口接LED显示电路L0~L7。2、编程从8255C口输入数据,再从A口输出。3、接线:PC7~PC0/8255接K7~K0/逻辑电平开关PA7~PA0/8255接L7~L0/LED显示CS/8255接Y1/IO地址b)实验四1、静态显示:按4-4-1连接好电路,将825...

1、当您付费下载文档后,您只拥有了使用权限,并不意味着购买了版权,文档只能用于自身使用,不得用于其他商业用途(如 [转卖]进行直接盈利或[编辑后售卖]进行间接盈利)。
2、本站所有内容均由合作方或网友上传,本站不对文档的完整性、权威性及其观点立场正确性做任何保证或承诺!文档内容仅供研究参考,付费前请自行鉴别。
3、如文档内容存在违规,或者侵犯商业秘密、侵犯著作权等,请点击“违规举报”。

碎片内容

北京邮电大学微机原理硬件实验报告

您可能关注的文档

确认删除?
VIP
微信客服
  • 扫码咨询
会员Q群
  • 会员专属群点击这里加入QQ群
客服邮箱
回到顶部