电脑桌面
添加小米粒文库到电脑桌面
安装后可以在桌面快捷访问

数控实训设备VIP免费

数控实训设备_第1页
1/18
数控实训设备_第2页
2/18
数控实训设备_第3页
3/18
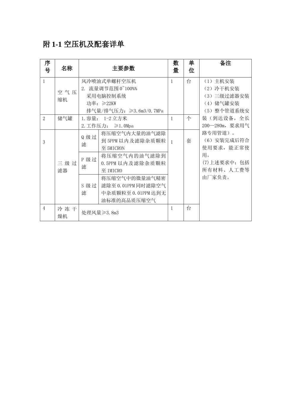
附件:附件1一、数控实训设备序号名称规格、主要参数或主要要求系统数量备注1数控车床1.最大回转直径:≥400mm(CAK6140);主轴孔:≥∮50mm;刀位:4(前置刀架)2.有效行程:X轴行程≥220mm,Z轴行程≥1000mm,主轴功率≥5.5kW;调速范围:60—3000r/min;3.快速进给速度(Max)X向3000mm/minZ向3000mm/min4.定位精度:0.01/0.02mm;重复定位精度:0.007/0.008mm5.数控系统配置及主要要求:a)CNC数控装置位置控制分辨率≤0.001mm;b)X/Z轴交流伺服驱动;c)半闭环控制。HNC-21/22T11配外圆车刀、切槽刀、孔加工刀具各11把,同时送相同型号刀片2经济型数控铣床工作台面积≥1120x250mmT型槽数目-3T型槽宽度15.87mm左右行程X轴≥680mm前后行程Y轴≥350mm主轴转速范围rpm65-4760主轴行程-Z轴≥130mm升降上下行程≥400mm主轴电机功率≥2/2.4KW定位精度±0.05mm重复定位精度±0.01mm典型配用系统-KND43加工中心1.有效行程:X轴行程≥800mm,Y轴行程≥500mm,Z轴行程≥630mm;2.工作台尺寸:≥500mm×1000mm;3.最大承载重量:≥500kg;4.主轴功率:≥11kW;5.主轴转速:n≥6000rpm;6.刀库容量:≥16件。数控系统配置及主要要求:a)CNC数控装置位置控制分辨率≤0.001mm;b)X/Y/Z轴交流伺服驱动;c)半闭环控制、三轴联动。d)定位精度±0.005/300mm重复定位精度0.006mm1配16套刀柄及夹头4数控快走丝线切割机床1.数控线切割机床;2.工作台面积:420×800;3.切割最大锥度:20度/H=100;4.切割最大厚度:300mm;X/Y轴行程:500X400;5.加工精度:0.015mm),Ra﹤3.245空压机螺杆式,CPU自动化控制。容积流量:(FAD):>1.80(m3/Min),工作压力:>5(bar),冷却方式:风冷,驱动方式:皮带传动,电源:380/3/50(V/PH/Hz)含储气罐1个容积/工作压力:1.0m³/0.8mpa(详见附见1-1)含安装构架及管道(要求安装验收合格)6工量具见附1-2附1-1空压机及配套详单序号名称主要参数数量单位备注1空气压缩机风冷喷油式单螺杆空压机2.流量调节范围0~100%%采用电脑控制系统功率:≥22KW排气量/排气压力:≥3.6m3/0.7MPa1台(1)主机安装(2)冷干机安装(3)三级过滤器安装(4)储气罐安装(5)整个管道系统安装(到达设备,全长200—280m,要求用气路专用管道)。(6)安装完成后符合使用要求,能正常使用。(7)上述要求中:包括所有材料、人工费等由厂家负责。2储气罐1.容量:1-2立方米2.工作压力:≥1.0Mpa1个3三级过滤器Q级过滤将压缩空气内大量的油气滤除到5PPM以内及滤除杂质颗粒至5MICRON1套P级过滤将压缩空气内的油气滤除到0.5PPM以内及滤除杂质颗粒至1MICROS级过滤将压缩空气中的微量油气精密滤除至0.01PPM同时滤除空气中杂质颗粒至0.01PPM达到无油标准的高品质压缩空气4冷冻干燥机处理风量≥3.8m31台附1-2工量具详单名称型号主要参数数量备注千分尺外径25—50mm0.01mm20把50—75mm0.01mm20把0—25mm0.01mm20把数字显示25—50mm0.001mm各2把数字显示50—75mm内径0—25mm0.01mm20把25--50mm0.01mm20把游标卡尺0-200mm0.02mm20把0-300mm0.02mm2把数字显示0-300mm0.01mm2把深度卡尺0-300mm0.02mm10把磁性表座及百分表杠杆百分表测量范围(0-5mm)分度值0.01mm10套千分表0-2mm分度值0.001mm2个螺纹环规整套2套M30×1.5-6g、M30×1.5-6H各5套螺纹塞规整套2套M30×1.5-6g5套内径量表(18~35)mm5套(35~50)mm5套塞块5H85套R规R1—R30(内外)5套外螺纹车刀螺距为1.5mm/2.0mm(硬质合金)各5把配送1盒刀片外切槽刀刀片刃口宽3mm(硬质合金)10把配送1盒刀片内孔镗刀能够车φ18mm及以上内孔(涂层材料)10把配送1盒刀片内孔镗刀能够车φ30mm及以上内孔(涂层材料)10把配送1盒刀片内孔螺纹刀螺距为1.5mm(硬质合金)5把配送1盒刀片内孔切槽刀刀片刃口宽3mm(硬质合金)10把配送1盒刀片钻头φ18mm10只金属带锯机(下料机)D-280A1、锯削能力(㎜):Ф280(200×280)2、锯条规格(W×T×L):25×0.95×33501台配送2条锯条二、焊接实训设备序号名称型号系统数量备注1气体保护焊机NB-500(见附2-1)24台IGBT2焊条电弧焊/氩弧焊机两用WS-400(见附2-2)24台带高頻引弧装置3碳弧气刨ZX7...

1、当您付费下载文档后,您只拥有了使用权限,并不意味着购买了版权,文档只能用于自身使用,不得用于其他商业用途(如 [转卖]进行直接盈利或[编辑后售卖]进行间接盈利)。
2、本站所有内容均由合作方或网友上传,本站不对文档的完整性、权威性及其观点立场正确性做任何保证或承诺!文档内容仅供研究参考,付费前请自行鉴别。
3、如文档内容存在违规,或者侵犯商业秘密、侵犯著作权等,请点击“违规举报”。

碎片内容

数控实训设备

您可能关注的文档

确认删除?
VIP
微信客服
  • 扫码咨询
会员Q群
  • 会员专属群点击这里加入QQ群
客服邮箱
回到顶部