电脑桌面
添加小米粒文库到电脑桌面
安装后可以在桌面快捷访问

热泵机组型号命名规则VIP免费

热泵机组型号命名规则_第1页
1/5
热泵机组型号命名规则_第2页
2/5
热泵机组型号命名规则_第3页
3/5
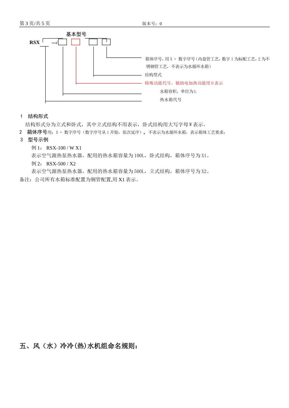
第1页/共5页版本号:0热泵机组命名规范一、范围本标准规定了热泵部开发、研制的所有产品名称叫法及型号命名方法。二、规范名称叫法:1、家用系列:(1)静态式空气源热泵热水器:通过换热器与水直接或间接接触,被加热水侧以自然对流形式使水温逐渐达到设定温度的热泵热水器。(2)循环式空气源热泵热水器:初始冷水多次流过热泵热水器内的换热器逐渐达到设定温度的热泵热水器。(3)地板采暖+生活热水机组:能够满足地板采暖及生活热水需求的循环式空气源热泵热水器。(4)中央空调/中央热水三联供机组:能够满足制冷、制热、热水需求的热泵机组。2、商用热水系列:(1)循环式热泵热水机组:初始冷水多次流过热泵热水器内的换热器逐渐达到设定温度的热泵热水机组。(2)直热式热泵热水机组:初始冷水流过热泵热水器一次就到达到设定温度的热泵热水机组。(3)美容美发专用热泵热水机组:针对美容美发场所专门设计的直热式热泵热水机组。(4)泳池专用热泵热水机组:针对游泳池专门设计的循环式热泵热水机组。(5)模块化风冷热泵热水机组:具备多台机组并联及单独运行制热水的热泵热水机组。(6)水/地源热泵热水机组:以水/地表为直接热源或作为传热介质传递热量的热泵热水机组。3、商用中央空调系列:(1)模块化风冷冷(热)水机组:以空气为直接热源,以水作为传热介质传递热量的模块化热泵型空调。(2)模块化水/地源冷(热)水机组:以水为直接热源,以水作为传热介质传递热量的模块化热泵型空调。(3)模块化螺杆式冷(热)水机组:以螺杆式压缩机为系统动力的模块化水源冷(热)水机组。三.热泵热水机组型号命名规则第2页/共5页版本号:0型号示例CKFXRS-3.5aH/RC表示:名义制热量为3.5KW的空气源热泵热水器机组,该机组为出口机,电源为220V/60Hz,制冷剂为R410a,节流为热力膨胀阀,压机为谷轮压机。注解:因R410a为出口机初定常规工艺,机组命名时制冷剂项省略不表示;因谷轮压机与热力膨胀阀工艺均为出口机非标工艺,机组命名时需注明。注:下列工艺属初定常规工艺冷媒①内销普通型机组采用R22冷媒,②出口普通型机组采用R410A冷媒;节流①内销机普通型机组制热量45KW以下(含45KW)采用毛细管节流,②内销普通型机组制热量45KW以上(不含45KW)采用热力膨胀阀节流;③出口机普通型机组采用热力膨胀阀节流;④超低温机组采用热力膨胀阀节流;压机①内销商用循环普通型机组采用谷轮压机,②出口商用循环普通型机组采用大金压机;③超低温机组采用谷轮压机;④家用循环机组采用松下压机;⑤家用高温机组采用海立压机;四、热水箱型号表示方法第3页/共5页版本号:0基本型号RSX/箱体序号,用X+数字序号(内盘管工艺,数字1为标配工艺,2为不锈钢管工艺,不表示为水循环水箱)结构型式特殊功能代号,辅助电加热功能用D表示水箱容积,单位为L热水箱代号1结构形式结构形式分为立式和卧式,其中立式结构不用表示,卧式结构用大写字母W表示。2箱体序号用:X+数字序号(数字序号从1开始,依次延序),不表示为水循环水箱,表示箱体工艺要求;3型号示例例1:RSX-100/WX1表示空气源热泵热水器,配用的热水箱容量为100L,卧式结构,箱体序号为X1。例2:RSX-500/X2表示空气源热泵热水器,配用的热水箱容量为500L,立式结构,箱体序号为X2。备注:公司所有水箱标准配置为铜管配置,用X1表示。五、风(水)冷冷(热)水机组命名规则:第4页/共5页版本号:0型号示例RF50/MT表示:名义制冷量为50KW的模块化风冷冷热水机组,该机组电源为380V/50Hz,制冷剂为R22,节流为热力膨胀阀,压机为三洋压机。注解:因R22制冷剂、三洋压机、热力膨胀阀工艺均为该机组的初定常规工艺,在机组命名时省略不表示。注:下列工艺属初定常规工艺冷媒①内销机组采用R22冷媒;②出口机组采用R410A冷媒;节流①内销机组采用热力膨胀阀节流;②出口机组采用热力膨胀阀节流;压机①内销机组采用三洋压机;②出口机组采用三洋压机;附表1第5页/共5页版本号:0电源规格代码表序号电源规格代码备注1220V/50Hz单相Ⅰ2380V/50Hz三相Ⅱ3200V~220V/60Hz单相a4208V~230V/60Hz单相b5440V~460V/60Hz三相c6380V~415V/60Hz三...

1、当您付费下载文档后,您只拥有了使用权限,并不意味着购买了版权,文档只能用于自身使用,不得用于其他商业用途(如 [转卖]进行直接盈利或[编辑后售卖]进行间接盈利)。
2、本站所有内容均由合作方或网友上传,本站不对文档的完整性、权威性及其观点立场正确性做任何保证或承诺!文档内容仅供研究参考,付费前请自行鉴别。
3、如文档内容存在违规,或者侵犯商业秘密、侵犯著作权等,请点击“违规举报”。

碎片内容

热泵机组型号命名规则

文泉书屋+ 关注
实名认证
内容提供者

热爱教学事业,对互联网知识分享很感兴趣

相关文档

确认删除?
VIP
微信客服
  • 扫码咨询
会员Q群
  • 会员专属群点击这里加入QQ群
客服邮箱
回到顶部