电脑桌面
添加小米粒文库到电脑桌面
安装后可以在桌面快捷访问

耐火纤维针刺毯VIP免费

耐火纤维针刺毯_第1页
1/5
耐火纤维针刺毯_第2页
2/5
耐火纤维针刺毯_第3页
3/5
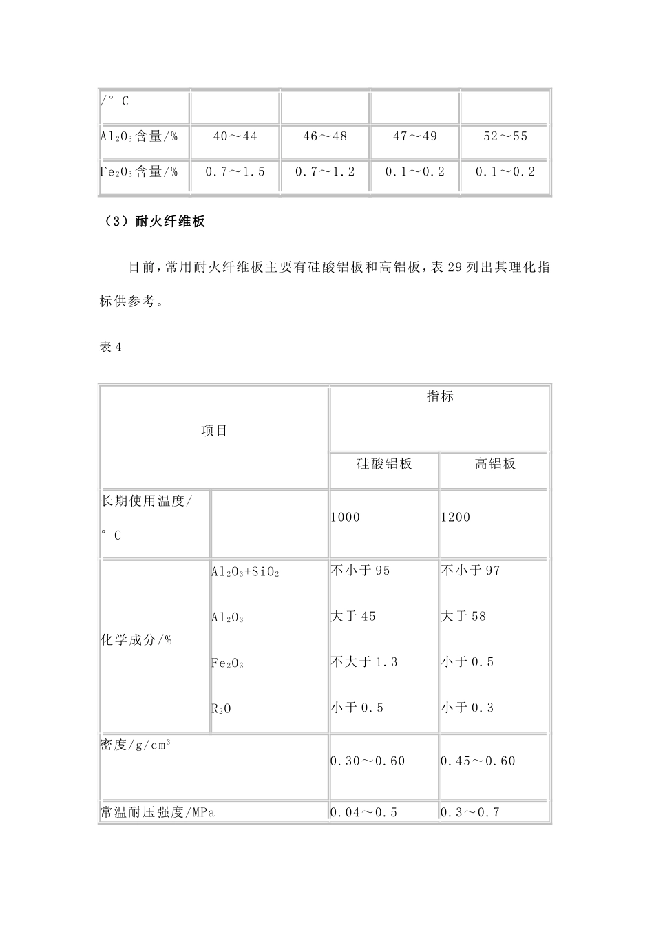
耐火纤维制品|[<<][>>]耐火纤维制品是以耐火纤维为原料,经加工制成的各种高温隔热材料。制品质量轻﹑热导率低,是一种新型优质高温隔热材料。(1)硅酸铝耐火纤维毡现行国家标准(GB3003-83)规定,普通硅酸铝耐火纤维毡的牌号定为PXZ-1000。牌号中的字母均为汉语拼音第一个字母,P表示普通,X表示纤维,Z表示毡,1000表示工作温度为1000°C普通硅酸铝耐火纤维毡的化学成分﹑物理性能见表1和2(2)硅酸铝纤维毯硅酸铝纤维毯适用于1300°C以下,中性或氧化气氛的工业窑炉保温隔热。毯的规格及理化指标见表3表1毡的化学成分(%)Al2O3+SiO2不小于96Al2O345Fe2O3不大于1.2Na2O+k2O0.5表2毡的物理性能项目指标密度/g/cm30.13±150.160.190.22渣球含量/%>0.25mm不大于5加热收缩率/%(1150°C,保温6h)4含水量/%0.5表3硅酸铝耐火纤维针刺毯的规格和理化指标项目低温型LT标准型RT高纯型HP高温型HT颜色白白白白纤维直径/um2~42~42~42~4热收缩率/%(保温24h)(1093°C)5.0(1232°C)3.5(1232°C)3.5(1399)3.5热导率/W/(m.k)316°C0.084538°C0.129760°C0.158817°C0.187最高使用温度980120012001370/°CAl2O3含量/%40~4446~4847~4952~55Fe2O3含量/%0.7~1.50.7~1.20.1~0.20.1~0.2(3)耐火纤维板目前,常用耐火纤维板主要有硅酸铝板和高铝板,表29列出其理化指标供参考。表4项目指标硅酸铝板高铝板长期使用温度/°C10001200化学成分/%Al2O3+SiO2Al2O3Fe2O3R2O不小于95大于45不大于1.3小于0.5不小于97大于58小于0.5小于0.3密度/g/cm30.30~0.600.45~0.60常温耐压强度/MPa0.04~0.50.3~0.7常温抗折强度/MPa0.8~1.20.5~1.0热导率/W/(m.k)0.13~0.16(平均温度600°C)0.15~0.17(平均温度700°C)加热收缩率/%2.5~3.0(1150°C,6h)约3(1400°C,6h)标准规格/mm600X400X15~50900X600X15~50标型﹑异型(4)耐火纤维砖耐火纤维砖使用不多,某单位生产的耐火纤维砖理化指标见表5项目指标硅酸铝砖高铝纤维砖长期使用温度/°C10001200化学成分/%Al2O3+SiO2不小于95不小于98Al2O3Fe2O3R2O大于45不大于1.3约0.5大于56约0.5小于0.5密度/g/cm30.45~0.500.55~0.60常温耐压强度/MPa约0.5约0.6常温抗折强度/MPa热导率/W/(m.k)约0.14(平均温度600°C)约0.15(平均温度700°C)加热收缩率/%小于1.0(1150°C,6h)小于1.0(1400°C,6h)标准规格/mm标型﹑异型600X400X15~50900X600X15~50

1、当您付费下载文档后,您只拥有了使用权限,并不意味着购买了版权,文档只能用于自身使用,不得用于其他商业用途(如 [转卖]进行直接盈利或[编辑后售卖]进行间接盈利)。
2、本站所有内容均由合作方或网友上传,本站不对文档的完整性、权威性及其观点立场正确性做任何保证或承诺!文档内容仅供研究参考,付费前请自行鉴别。
3、如文档内容存在违规,或者侵犯商业秘密、侵犯著作权等,请点击“违规举报”。

碎片内容

耐火纤维针刺毯

您可能关注的文档

确认删除?
VIP
微信客服
  • 扫码咨询
会员Q群
  • 会员专属群点击这里加入QQ群
客服邮箱
回到顶部