电脑桌面
添加小米粒文库到电脑桌面
安装后可以在桌面快捷访问

GPS接收机等仪器检定知识试题VIP免费

GPS接收机等仪器检定知识试题_第1页
1/3
GPS接收机等仪器检定知识试题_第2页
2/3
GPS接收机等仪器检定知识试题_第3页
3/3
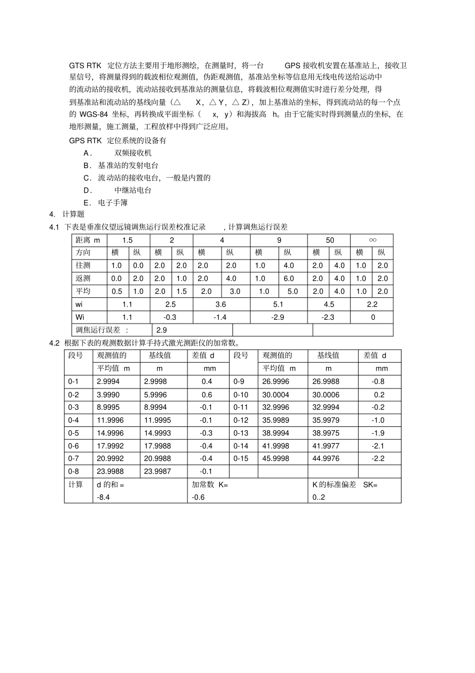
GPS接收机、垂准仪、手持式激光测距仪检定知识试题1.填空题1.1全球定位系统(GPS)由三大部分构成:()、()、()。答案:空间星座部分,地面监控部分,用户使用部分1.2GPS接收机的硬件主要由()、()、()组成。它的主要功能是接收(),并进行(),以获得导航电文和必要的观测量。答案:接收机主机,天线,电源,卫星发射的信号,处理和量测1.3GPS接收机按用途分为()、()、()三种类型。按频率分为()、()。答案:测地型、导航型、时钟型,单频接收机,双频接收机。1.4GPS定位技术相对于经典测量技术的特点是:(1)测站间(),(2)精度高,(3)观测时间(),(4)能提供()坐标,(5)操作(),(6)()作业。答案:无需通视,短,三维,简便,全天侯。1.5GPS定位的方法的分类:按参考点的不同分()和()。按接收机在作业中所处的状态的不同分为()和()。答案:绝对定位,相对定位,静态定位,动态定位。1.6GPS接收机的观测量有四种,目前,广泛采用的是()和()观测量。答案:码相位,载波相位1.7GPS定位中,影响观测量精度的主要误差来源为,(),(),())的误差.答案:与GPS卫星有关;与卫星信号传播有关;与接收设备有关1.8垂准仪是以()为基准,给出()直线的光学仪器。答案:重力线、铅垂。1.9垂准仪按其工作原理分为()和()垂准仪。垂准仪按其工作性能分为()、()和()垂准仪。答案:水准泡型、自动补偿器型,精密型、普通型、简易型1.10手持式激光测距仪是以()反射测量为特点,准确测量()的的测距仪。手持式激光测距仪广泛用于建筑施工、安装、()等方面。答案:自然表面、空间短距离,房产测量2.选择题2.1GPS全球定位系统有()工作卫星及3颗备用卫星。他们均匀分布在6个相对于赤道倾角为55度的近似椭圆轨道上。A:10颗;B:21颗;C:5颗;D:25颗。答案:B2.2GPS定位的实质是以运动卫星的空间位置作为起算数据,采用()方法,确定待定点的位置。A:前方交会;B:后方交会;C:侧方交会;D:空间距离后方交会。答案:D2.3目前,全球定位系统GPS采用的坐标系是()坐标系。A:天文;B:地理;C:WGS-84世界大地;D:天球。答案:C.2.4全球定位系统GPS采用的时间系统GPST,它属()时间系统。A:原子时;B:力学时;C:恒星时;D:世界时。答案:A2.5GPS接收机校准场的的观测墩的点位环视高度角()以上应无障碍物。A:60°;B:50°;C:15°;D:25°答案:C2.6检定垂准仪所用的计量标准器具与经纬仪水准仪比较,专用的器具是()。A:平行光管;B:准线仪;C:微倾台D:直角坐标板,五角棱镜答案:D2.7精密型垂准仪的一测回垂准测量标准偏差S不大于()。A:2mm;B:5mm;C:1/1000D:1/100000答案:D2.8用于检定手持式激光测距仪的测量范围的基线的相对扩展不确定度应不大于().A:5×10-6;B:百万分之一;C:2mm;D:10mm。答案:A2.9手持式激光测距仪的配件反射板正反面测量值的一致性检查,要在()距离上进行检查。A:20,25,30米;B:50,60米;C:100米;D:200米。答案:A2.10手持式激光测距仪的前后测量基准面的实际长度用()测定。A:三角板;B:钢直尺;C:钢卷尺;D:游标卡尺。答案:D3.问答题3.1简述用相对定位法检定测地型GPS接收机天线相位中心一致性的步骤。答案:用相对定位法检定测地型GPS接收机天线相位中心一致性时,在超短基线或短基线上进行。检定时,先将被检的接收机天线安置在基线墩上,整平天线的基座。按照统一约定的方向将天线的指北标志指向北,观测一个时段。然后,固定一个天线,其余的天线依次转动90、180、270,各观测一个时段。分别求出各时段的基线向量。最大值与最小值之差应小于GPS接收机的标称固定标准偏差。3.2简述自动安平式激光垂准仪的安平误差的室外校准的方法(不写计算公式)?答案:(1).将被校的仪器安置在微倾工作台上,整平仪器.在仪器的上方安置五角棱镜,将垂准仪的激光束转变成水平方向,沿这激光方向100米处,挂一块直角坐标板.(2)调整微倾工作台,使其纵向倾斜方向与直角坐标板的坐标方向大致平行.(3)整平仪器,照准直角坐标板,读取激光光斑中心在直角坐标板上位置读数.(4)然后利用微...

1、当您付费下载文档后,您只拥有了使用权限,并不意味着购买了版权,文档只能用于自身使用,不得用于其他商业用途(如 [转卖]进行直接盈利或[编辑后售卖]进行间接盈利)。
2、本站所有内容均由合作方或网友上传,本站不对文档的完整性、权威性及其观点立场正确性做任何保证或承诺!文档内容仅供研究参考,付费前请自行鉴别。
3、如文档内容存在违规,或者侵犯商业秘密、侵犯著作权等,请点击“违规举报”。

碎片内容

GPS接收机等仪器检定知识试题

文库当当响+ 关注
实名认证
内容提供者

该用户很懒,什么也没介绍

确认删除?
VIP
微信客服
  • 扫码咨询
会员Q群
  • 会员专属群点击这里加入QQ群
客服邮箱
回到顶部