电脑桌面
添加小米粒文库到电脑桌面
安装后可以在桌面快捷访问

PC管桩施工方案VIP免费

PC管桩施工方案_第1页
1/13
PC管桩施工方案_第2页
2/13
PC管桩施工方案_第3页
3/13
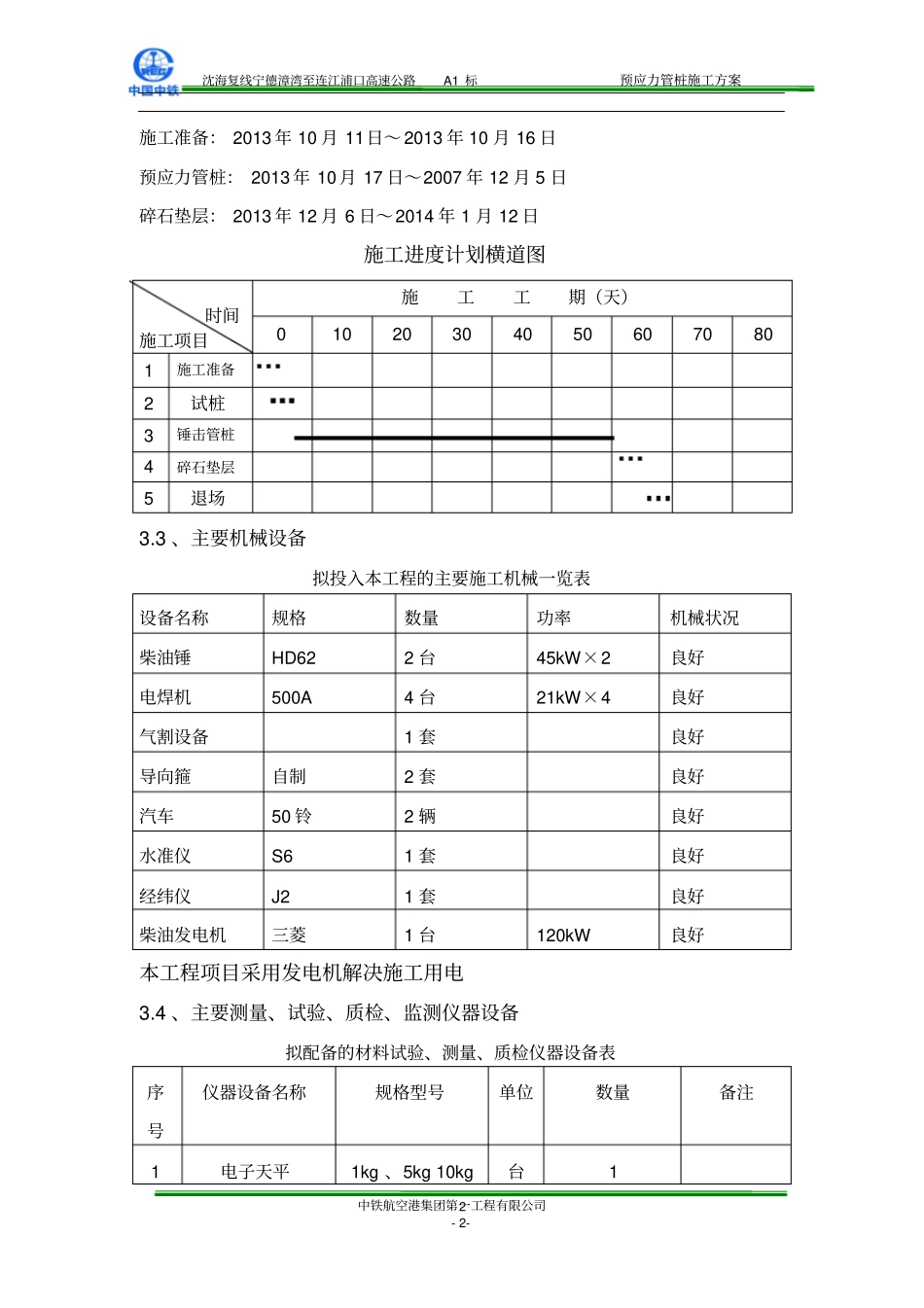
沈海复线宁德漳湾至连江浦口高速公路A1标预应力管桩施工方案中铁航空港集团第一工程有限公司-1-1预应力管桩施工方案一、工程概况本合同段软基主要分布在K12+740~K12+835,场地为冲洪积淤泥及海积淤泥,地势平坦开阔,地面标高介于1.4~4.6m之间,以养鱼塘、水田为主。本段设计采用带桩帽PC预应力管桩复合地基加固进行处理,左右侧采用管桩间距分别为2.5*2.5m、2.0*2.0m,设计桩型PC-400-AB-95,根据桩长与桩间距的不同,划分为I~XVI个区域。桩顶面标高平整并且水平,伸入桩帽中不少于5cm。管桩穿透整个软土层,桩尖伸入砂质粘土层或全风化花岗岩不小于1.6m.管桩顶部设置50cm厚的碎石褥垫层,管桩处理深度为10m~16.5m,总共1031根,总长14925m。桩帽C30砼407m3,钢筋50969.8kg,Q235钢板2144.4kg。二、编制依据(1)《沈海复线宁德漳湾至连江浦口高速公路A1标两阶段设计文件》(2)《沈海复线宁德漳湾至连江浦口高速公路A1标实施性施工组织设计》(3)《公路路基施工技术规范》(4)《公路工程质量检验评定标准》(JTGF80/1-2004)(5)《福建省高速公路施工标准化管理指南》三、施工计划3.1、施工准备3.1.1组织相关人员学习设计图纸。3.1.2场地完成平整,满足打桩所需的地面承载力。3.1.3编制施工专项方案。3.1.4选择专业队伍和进场打桩设备。3.1.5对管桩施工队伍进行技术及安全交底。3.2、施工进度安排本项目的φ400管桩1031根,拟投入2台桩机,计划每台机每天完成10根桩,计划在60天左右完成管桩施工。沈海复线宁德漳湾至连江浦口高速公路A1标预应力管桩施工方案中铁航空港集团第一工程有限公司-2-2施工准备:2013年10月11日~2013年10月16日预应力管桩:2013年10月17日~2007年12月5日碎石垫层:2013年12月6日~2014年1月12日施工进度计划横道图时间施工项目施工工期(天)010203040506070801施工准备2试桩3锤击管桩4碎石垫层5退场3.3、主要机械设备拟投入本工程的主要施工机械一览表设备名称规格数量功率机械状况柴油锤HD622台45kW×2良好电焊机500A4台21kW×4良好气割设备1套良好导向箍自制2套良好汽车50铃2辆良好水准仪S61套良好经纬仪J21套良好柴油发电机三菱1台120kW良好本工程项目采用发电机解决施工用电3.4、主要测量、试验、质检、监测仪器设备拟配备的材料试验、测量、质检仪器设备表序号仪器设备名称规格型号单位数量备注1电子天平1kg、5kg10kg台1沈海复线宁德漳湾至连江浦口高速公路A1标预应力管桩施工方案中铁航空港集团第一工程有限公司-3-32动力触探仪台13碎石压碎值仪台14静力触探仪台15全站仪徕卡TS15台16水准仪徕卡DNA03台23.5、劳动力配置主要劳动力计划表序号工种人数序号工种人数①技术管理人员3⑤电工1②打桩工8⑥测量工2③司机2⑦其他(含后勤)2④电焊工6⑧四、施工工艺4.1、施工顺序总体施工顺序为:地表处理、填筑整平层→管桩及桩帽施工→填筑碎石垫层→铺设土工合成材料→路基填筑→修整路基4.2、地表处理该段基础以鱼塘稻田为主,整平层填筑于桩顶设计标高不能满足打桩机调试和作业平台需要,经现场勘查及交班会议决定,先由土方队回填整平层至能满足机械进场需要和作业需要的高度(约2米),整平压实即可。K12+817~827为1-6*3.5m通道涵,其基础范围内的桩顶标高按2.6控制。涵洞基础以外桩顶标高按回填土面控制(约4.3m)。沈海复线宁德漳湾至连江浦口高速公路A1标预应力管桩施工方案中铁航空港集团第一工程有限公司-4-4预应力管桩施工工艺流程4.3、管桩材质要求施工前按设计要求和有关标准对进场的成品桩。焊条进行检验,验证内容包括:桩的规格型号、长度、桩径、壁厚、端头平面和配筋;桩身砼强度、养护龄期、桩身外观质量;管桩出厂检验报告、产品合格证;电焊条产品合格证、规格。品种。预应力管桩到专业厂家购买,采用管桩机锤击法施工。(1)为保证质量,由具有质量认证的专业生产厂家根据设计图的要求统一生产。桩身采用预应力混凝土AB型管桩,桩径400mm,壁厚95mm。(2)出厂时应有外形尺寸、物理力学等方面的检验单及合格证书。(3)钢筋混凝土预制桩质量,应符合《建筑桩基技术规程》(JGJ94-94)的规定:①表面应平整、密实,制作允许偏差符...

1、当您付费下载文档后,您只拥有了使用权限,并不意味着购买了版权,文档只能用于自身使用,不得用于其他商业用途(如 [转卖]进行直接盈利或[编辑后售卖]进行间接盈利)。
2、本站所有内容均由合作方或网友上传,本站不对文档的完整性、权威性及其观点立场正确性做任何保证或承诺!文档内容仅供研究参考,付费前请自行鉴别。
3、如文档内容存在违规,或者侵犯商业秘密、侵犯著作权等,请点击“违规举报”。

碎片内容

PC管桩施工方案

确认删除?
VIP
微信客服
  • 扫码咨询
会员Q群
  • 会员专属群点击这里加入QQ群
客服邮箱
回到顶部