电脑桌面
添加小米粒文库到电脑桌面
安装后可以在桌面快捷访问

施工质量管理方案模板VIP免费

施工质量管理方案模板_第1页
1/17
施工质量管理方案模板_第2页
2/17
施工质量管理方案模板_第3页
3/17
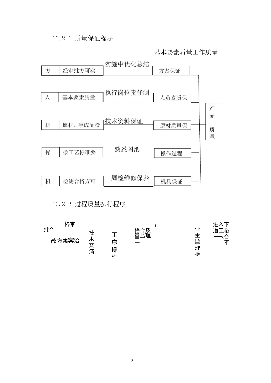
1第十章质量管理10.1工程质量标准国家鲁班奖10.2工程质量保证体系质量组织保证体系210.2.1质量保证程序基本要素质量工作质量10.2.2过程质量执行程序进入下道工格J合不业主监理桧_格合质量监理工三工序操作技术交痛_格审批合_格方案案治310.2.3施工质量预控1)钢筋工程管理流程图2)模板工程管理流程图3)砼工程管理流程图4)地下室防水工程管理流程图10.3工程质量保证措施10.3.1采购物资质量保证项目经理部物资部负责物资统一采购、供应与管理,并根据ISO-9002质量标准和公司物资《采购手册》,对本工程所需采购和分供方供应的物资进行严格的质量检验和控制,主要采取的措施如下:(1)采购物资时,须在确定合格的分供方厂家或有信誉的商店中采购,所采购的材料或设备必须出厂合格证、材质证明和使用说明书,对材料、设备有疑问的禁止进货;(2)物资分公司委托分供方供货,事先已对分供方进行了认可和评价,建立了合格的分供方档案,材料的供应在合格的分供方中选择;(3)实行动态管理。物资分公司、公司项目管理部和项目经理部等主管部门定期对分供方的实绩进行评审、考核,并作记录,不合格的分供方从档案中予以除名。(4)加强计量检测。采购物资(包括分供方采购的物资),根据4国家、地方政府主管部门规定、标准、规范或合同规定要求及按经批准的质量计划要求抽样检验和试验,并做好标记。当对其质量有怀疑时,就加倍抽样或全数检验。10.3.2技术保证措施1)专业施工保证公司的具有实力雄厚、装备精良的专业分公司将作为项目管理的支撑和保障,为本工程项目实现质量目标提供专业化技术保证。2)先进的模板体系(1)顶板为覆膜多层板,可调早拆支撑体系。(2)柱子为可调型钢模板。采用这种钢柱模板,能实现结构施工的其特点是:刚度大,支模速度快,装拆迅速,采用此模板施工的砼外观质量好等。将为本工程既定的质量目标—“国家鲁班奖”打下坚实的基础。(3)地下室墙模板采用组合钢模板和覆膜多层板模板体系,有足够的刚度,重量轻,灵活性强,成型好的砼表面光滑平整,感观好,可达到清水砼的效果。普通装修时可在墙表面直接刮腻子,即可达到下一步装修的要求。3)防水工程保证本工程底板和地下室底板采用聚氨脂涂膜防水涂料,卫生间采用聚氨脂防水涂膜,,屋面防水材料采用三元乙丙防水卷材及部分聚氨脂涂膜防水涂料。防水工程由我公司专业防水分公司施工,防水分公司5具有专业化施工和管理手段,施工中严格按防水操作规程施工,尤其是各细部、节点作法要符合施工规范和设计要求,保证防水工程质量。4)钢筋接头(d$25mm)连接采用套筒冷挤压连接新技术:钢筋直径d$25mm的钢筋接头连接拟采用套筒冷挤压连接新技术。直径d=25mm的钢筋,焊接连接质量难以保证,套筒挤压连具有如下优点:具有接头性能可靠、质量稳定、不受气侯及焊工技术水平的影响、连接速度快、安全、无明火、节能等特点,对提高建筑工程质量、节约材料、提高施工速度具有重要意义。详见钢筋工程。5)劳务素质保证本工程拟选择具有一定资质、信誉好和我司长期使用的施工队伍参与本工程的施工,同时,我公司有一套对施工队伍完整的管理和考核办法,对施工队伍进行质量、工期、信誉和服务等方面的考核,从根本上保证项目所需劳动者的素质,从而为工程质量目标奠定了坚实的基础。6)加强成品保护装修施工期间,由于工期较紧,装修等级较高,各工种交叉频繁,对于成品和半成品,通常容易出现二次污染、损坏和丢失,工程装修材料为一旦出现污染、损坏或丢失,势必影响工程进展,增加额外费用,因此装修施工阶段成品(半成品)保护的主要措施:(1)设专人负责成品保护工作。(2)制定正确的施工顺序制定重要房间(或部位)的施工工序流程,将土建、水、电、空6调、消防等各专业工序相互协调,排出一个房间(或部位)的工序流程表,各专业工序均按此流程进行施工,严禁违反施工程序的作法。(3)作好工序标识工作:在施工过程中对易受污染、破坏的成品、半成品标识“正在施工,注意保护”的标牌。(4)采取护、包、盖、封防护:采取“护、包、盖、封”的保护措施,对成品和半成品进行防护和并由专门负责人经常巡视检查,发现现...

1、当您付费下载文档后,您只拥有了使用权限,并不意味着购买了版权,文档只能用于自身使用,不得用于其他商业用途(如 [转卖]进行直接盈利或[编辑后售卖]进行间接盈利)。
2、本站所有内容均由合作方或网友上传,本站不对文档的完整性、权威性及其观点立场正确性做任何保证或承诺!文档内容仅供研究参考,付费前请自行鉴别。
3、如文档内容存在违规,或者侵犯商业秘密、侵犯著作权等,请点击“违规举报”。

碎片内容

施工质量管理方案模板

wxg+ 关注
实名认证
内容提供者

该用户很懒,什么也没介绍

确认删除?
VIP
微信客服
  • 扫码咨询
会员Q群
  • 会员专属群点击这里加入QQ群
客服邮箱
回到顶部