电脑桌面
添加小米粒文库到电脑桌面
安装后可以在桌面快捷访问

技术规格响应(1)VIP免费

技术规格响应(1)_第1页
1/6
技术规格响应(1)_第2页
2/6
技术规格响应(1)_第3页
3/6
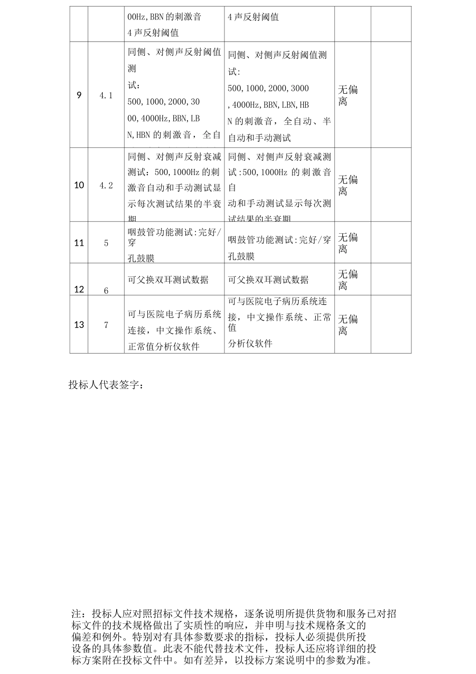
技术规格响应/偏离表招标编号:TC17044KJ-1投标人名称冲国科学器材有限公司序号招标文件条目招标规格投标规格响应/偏离说明1号1声顺测试系统:声顺测试系统:无偏离21.1鼓室图测试226Hz、1000Hz探测音鼓室图测试226Hz、1000Hz探测音无偏离3*1.2同屏可显示三次测试结果,并附有显示鼓室图类型、TPP、ECV/EBV的数据窗口同屏可显示三次测试结果,并附有显示鼓室图类型、TPP、ECV/EBV的数据窗口无偏离41.3鼓室图显示范围:自动扫描,定义正/负/双向,0—1.5ml0—3.0ml0—4.5ml鼓室图显示范围:自动扫描,定义正/负/双向,0—1.5ml0—3.0ml0—4.5ml无偏离52气压系统:范围:正常:+200---400daPa扩展:+400—-600daPa、精确度:±10%或±10daPa气压系统:范围:正常:+200---400daPa扩展:+400---600daPa、精确度:±10%或±10daPa无偏离63声反射系统:声反射系统:无偏离73.1声反射范围:0—75M、0—150u1、0—225ul、0—300u1、0—375u3.2测试声:白噪音、纯音声反射范围:0—75ul、0—150ul、0—225ul、0—300ul、0—375u3.2测试声:白噪音、纯音无偏离83.2同侧、对侧声反射筛查测试:500,1000,2000,40同侧、对侧声反射筛查测试:500,1000,2000,4000Hz,BBN的刺激音无偏离注:投标人应对照招标文件技术规格,逐条说明所提供货物和服务已对招标文件的技术规格做出了实质性的响应,并申明与技术规格条文的偏差和例外。特别对有具体参数要求的指标,投标人必须提供所投设备的具体参数值。此表不能代替技术文件,投标人还应将详细的投标方案附在投标文件中。如有差异,以投标方案说明中的参数为准。00Hz,BBN的刺激音4声反射阈值4声反射阈值94.1同侧、对侧声反射阈值测试:500,1000,2000,3000,4000Hz,BBN,LBN,HBN的刺激音,全自动、半自动和手动测试同侧、对侧声反射阈值测试:500,1000,2000,3000,4000Hz,BBN,LBN,HBN的刺激音,全自动、半自动和手动测试无偏离104.2同侧、对侧声反射衰减测试:500,1000Hz的刺激音自动和手动测试显示每次测试结果的半衰期同侧、对侧声反射衰减测试:500,1000Hz的刺激音自动和手动测试显示每次测试结果的半衰期无偏离115咽鼓管功能测试:完好/穿孔鼓膜咽鼓管功能测试:完好/穿孔鼓膜无偏离126可父换双耳测试数据可父换双耳测试数据无偏离137可与医院电子病历系统连接,中文操作系统、正常值分析仪软件可与医院电子病历系统连接,中文操作系统、正常值分析仪软件无偏离投标人代表签字:技术规格响应/偏离表招标编号:TC17044KJ-1投标人名称:北京苏美达北方国际贸易有限公司序号招标文件条目招标规格投标规格响应/偏离说明1号1声顺测试系统:声顺测试系统:无偏离21.1鼓室图测试226Hz、1000Hz探测音鼓室图测试226Hz、1000Hz探测音无偏离3*1.2同屏可显示三次测试结果,并附有显示鼓室图类型、TPP、ECV/EBV的数据窗口同屏可显示三次测试结果,并附有显示鼓室图类型、TPP、ECV/EBV的数据窗口无偏离41.3鼓室图显示范围:自动扫描,定义正/负/双向,0—1.5ml0—3.0ml0—4.5ml鼓室图显示范围:自动扫描,定义正/负/双向,0—1.5ml0—3.0ml0—4.5ml无偏离52气压系统:范围:正常:+200---400daPa扩展:+400—-600daPa、精确度:±10%或±10daPa气压系统:范围:正常:+200---400daPa扩展:+400---600daPa、精确度:±10%或±10daPa无偏离63声反射系统:声反射系统:无偏离73.1声反射范围:0—75M、0—150u1、0—225ul、0—300u1、0—375u3.2测试声:白噪音、纯音声反射范围:0—75ul、0—150ul、0—225ul、0—300ul、0—375u3.2测试声:纯音负偏离83.2同侧、对侧声反射筛查测试:500,1000,2000,40同侧、对侧声反射筛查测试:500,1000,2000,4000Hz,BBN的刺激音无偏离注:投标人应对照招标文件技术规格,逐条说明所提供货物和服务已对招标文件的技术规格做出了实质性的响应,并申明与技术规格条文的偏差和例外。特别对有具体参数要求的指标,投标人必须提供所投设备的具体参数值。此表不能代替技术文件,投标人还应将详细的投标方案附在投标文件中。如有差异,以投标方案说明中的参数为准。00Hz,BBN的刺激音4声反射阈值4声反射阈值94.1同侧、对侧声反射阈值测试:500,1000,2000,300...

1、当您付费下载文档后,您只拥有了使用权限,并不意味着购买了版权,文档只能用于自身使用,不得用于其他商业用途(如 [转卖]进行直接盈利或[编辑后售卖]进行间接盈利)。
2、本站所有内容均由合作方或网友上传,本站不对文档的完整性、权威性及其观点立场正确性做任何保证或承诺!文档内容仅供研究参考,付费前请自行鉴别。
3、如文档内容存在违规,或者侵犯商业秘密、侵犯著作权等,请点击“违规举报”。

碎片内容

技术规格响应(1)

wxg+ 关注
实名认证
内容提供者

该用户很懒,什么也没介绍

确认删除?
VIP
微信客服
  • 扫码咨询
会员Q群
  • 会员专属群点击这里加入QQ群
客服邮箱
回到顶部