电脑桌面
添加小米粒文库到电脑桌面
安装后可以在桌面快捷访问

专题九:电路VIP免费

专题九:电路_第1页
1/3
专题九:电路_第2页
2/3
专题九:电路_第3页
3/3
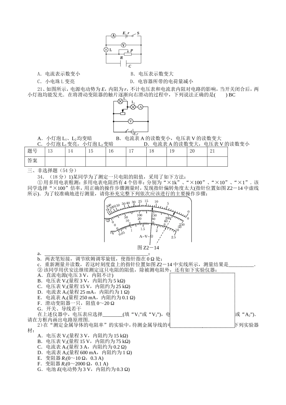
高二物理专题九:电路班级:______________姓名:________________一、单选择题(16分)13、把两根同种材料的电阻丝分别连在两个电路中,A电阻丝长为L、直径为d,B电阻丝长为3L、直径为3d.要使两电阻丝在相同时间内产生的热量相等,加在两电阻丝上的电压之比应当满足()BA.UA∶UB=1∶1B.UA∶UB=∶1C.UA∶UB=∶3D.UA∶UB=3∶414、如图所示的电路中,三个相同的灯泡额定功率是40W,在不损坏灯泡的情况下,这三个灯泡消耗的总功率最大不应超过()BA.40WB.60WC.80WD.120W15、在如图所示的电路中,电源电动势E=6V,电阻Rx未知,R0为定值电阻,一位同学误将电流表并联在电阻Rx的两端,其读数为2A;将此电流表换成电压表后,读数为3V.若电流表和电压表均为理想电表,则Rx的阻值为()CA.1ΩB.2ΩC.3ΩD.4Ω16、如图2-13所示,电源和电压表都是好的,当滑片由a滑到b的过程中,电压表的示数都不为0,下列判断可能的是()DA.a处接线开路B.触头P断路C.a、P间电阻丝某处断路D.b处接线断路二、双选择题(30分)17、下列说法中正确的是()ADA.欧姆表的每一挡测量范围都是从0到∞B.欧姆表只能用来精确地测量电阻C.用欧姆表测电阻,指针越接近刻度中央误差越大D.用欧姆表测电阻,指针越接近刻度中央误差越小18、如图所示为一电路板的示意图,a、b、c、d为接线柱,a、d与220V的电源连接,ab间、bc间、cd间分别连接一个电阻.现发现电路中没有电流,为检查电路故障,用一交流电压表分别测得b、d两点间以及a、c两点间的电压均为220V.由此可知()CDA.ab间电路不通,cd间电路不通B.ab间电路通,bc间电路通C.ab间电路通,bc间电路不通D.bc间电路不通,cd间电路通19、电动机的电枢阻值为R,电动机正常工作时,两端的电压为U,通过的电流为I,工作时间为t,下列说法中正确的是()ACA.电动机消耗的电能为UItB.电动机消耗的电能为I2RtC.电动机线圈产生的热量为I2RtD.电动机线圈产生的热量为U2t/R20、如图所示,电流表、电压表均为理想电表,L为小电珠,R为滑动变阻器,电源电动势为E,内阻为r.现将开关S闭合,当滑动变阻器滑片P向左移动时,下列结论正确的是()ABA.电流表示数变小B.电压表示数变大C.小电珠L变亮D.电容器所带的电荷量减小21、如图所示,电源电动势为E,内阻为r,不计电压表和电流表内阻对电路的影响,当开关闭合后,两小灯泡均能发光.在将滑动变阻器的触片逐渐向右滑动的过程中,下列说法正确的是()BCA.小灯泡L1、L2均变暗B.电流表A的读数变小,电压表V的读数变大C.小灯泡L1变亮,小灯泡L2变暗D.电流表A的读数变大,电压表V的读数变小题号131415161718192021答案三、非选择题(54分)34.(18分)1)某同学为了测定一只电阻的阻值,采用了如下方法:①用多用电表粗测:多用电表电阻挡有4个倍率:分别为“×1k”、“×100”、“×10”、“×1”.该同学选择“×100”倍率,用正确的操作步骤测量时,发现指针偏转角度太大(指针位置如图Z2-14中虚线所示).为了较准确地进行测量,请你补充完整下列依次应该进行的主要操作步骤:图Z2-14a._________________________________________;b.两表笔短接,调节欧姆调零旋钮,使指针指在0Ω处;c.重新测量并读数,若这时刻度盘上的指针位置如图Z2-14中实线所示,测量结果是__________.②该同学用伏安法继续测定这只电阻的阻值,除被测电阻外,还有如下实验仪器:A.直流电源(电压3V,内阻不计)B.电压表V1(量程3V,内阻约为5kΩ)C.电压表V2(量程15V,内阻约为25kΩ)D.电流表A1(量程25mA,内阻约为1Ω)E.电流表A2(量程250mA,内阻约为0.1Ω)F.滑动变阻器一只,阻值0~20ΩG.开关、导线若干在上述仪器中,电压表应选择________(填“V1”或“V2”),电流表应选择________(填“A1”或“A2”).请在方框内画出电路原理图.2)在“测定金属导体的电阻率”的实验中,待测金属导线的电阻Rx约为5Ω.实验室内备有下列实验器材:A.电压表V1(量程3V,内阻约为15kΩ)B.电压表V2(量程15V,内阻约为75kΩ)C.电流表A1(量程3A,内阻约为0.2Ω)D.电流表A2(量程600mA,内阻约为1Ω)E.变阻器R1(0~10Ω,0.3A)F.变阻器R2...

1、当您付费下载文档后,您只拥有了使用权限,并不意味着购买了版权,文档只能用于自身使用,不得用于其他商业用途(如 [转卖]进行直接盈利或[编辑后售卖]进行间接盈利)。
2、本站所有内容均由合作方或网友上传,本站不对文档的完整性、权威性及其观点立场正确性做任何保证或承诺!文档内容仅供研究参考,付费前请自行鉴别。
3、如文档内容存在违规,或者侵犯商业秘密、侵犯著作权等,请点击“违规举报”。

碎片内容

专题九:电路

您可能关注的文档

确认删除?
VIP
微信客服
  • 扫码咨询
会员Q群
  • 会员专属群点击这里加入QQ群
客服邮箱
回到顶部