电脑桌面
添加小米粒文库到电脑桌面
安装后可以在桌面快捷访问

拉线安装施工工艺标准VIP免费

拉线安装施工工艺标准_第1页
1/6
拉线安装施工工艺标准_第2页
2/6
拉线安装施工工艺标准_第3页
3/6
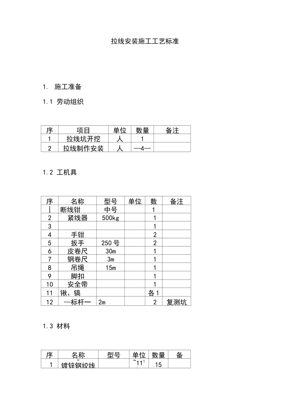
拉线安装施工工艺标准1.施工准备1.1劳动组织序项目单位数量备注1拉线坑开挖人12拉线制作安装人—4—1.2工机具序名称型号单位数备注|断线钳中号12紧线器500kg13手锤14手钳25扳手250号26皮卷尺30m17钢卷尺3m18吊绳15m19脚扣110安全带111锹、镐各112—标杆一2m2复测坑1.3材料序名称型号单位数量备1IJ镀锌钢绞线~1111-15序名称型号单位数量备2拉线棒由设计13拉线盘—由设计14双槽夹板三眼25镀锌铁线ei2m26镀锌铁线①30m57拉线抱箍根据杆套18衬环5股22.操作程序2.1工艺流程拉线盘2.2操作要领2.2.1施工准备(1)确认线路拉线杆及拉线桩杆的实际位置。(2)确认拉线方向和拉线出土位置。用标杆定出直线方向的A、B两点,使AO=BO=5m。用皮尺对开,使AC=BC,定出C点,在C点立一标杆。测量0C长度,即为角深0C。如下图所示(3)确定拉线出土位置延长0C至D点,使0D二拉距,D点即为拉线出土位置。见下图。(4)计算拉线长度如下图所示,选择距高比为1:1即:预备拉线长度=装成长度-地锚出土长度+上把附加长度+下把附加长度;5)拉线坑位置DE—丫‘拉线棒长度一拉线棒出土长度》一拉线坑深度》2.2.2挖坑、安装拉线盘(1)按照确定的拉线坑位置E,开挖拉线坑。(2)将拉线棒一端穿入拉线盘预留孔中,戴上大垫片,拧上螺帽并拧紧。(3)将拉线盘放入拉线坑中,调整拉线棒位置、角度。(4)将拉线坑回填。2.2.3预制拉线上把(1)在距钢绞线头部600mm处,将钢绞线端部回折,装入衬环。(2)安装双槽夹板,并用铁锤敲打至衬环处,用扳手将双槽夹板螺帽拧紧。(3)用①3.0铁线在距双槽夹板150mm处开始缠扎,缠扎长度100mm。(4)在距铁丝缠扎末端20mm处,用断线钳将钢绞线截断,在钢绞线头部用扎线缠扎3层,并用手钳将扎线拧紧。2.2.4安装拉线抱箍(1)将预制的拉线上把穿入抱箍一端螺杆内。(2)将抱箍安装在吊线抱箍下200mm处,调整拉线抱箍角度,将带有拉线一端与拉线棒对齐,用扳手将抱箍螺杆拧紧。2.2.5制作拉线下把(1)将拉线一端穿入拉线棒环中,用手将钢绞线拉紧,安装好紧线器。(2)扳动紧线器手柄,将电杆杆头向拉线方向扳动一个杆头位IIII置。(3)安装好衬环、双槽夹板,将双槽夹板用铁锤敲至衬环处,将双槽夹板螺帽拧紧。(4)在距双槽夹板150mm处,用3.0mm铁线缠扎,长度150mm。在距铁丝缠扎末端50mm处,用断线钳将钢绞线截断,在钢绞线头部用①1.2铁线缠扎3层,并用手钳将扎丝拧紧。(5)拆除紧线器。3.质量标准3.1拉线程式和数量应符合下表的要求。角深拉线条拉线盘块拉线棒根数小于57/221500*30012100*1151-77/261600*40012400*1175-17/222500*30022100*1210-207/262600*40022400*12终端7/261600*400丄2400*1—1—3.2拉线种类分为普通拉线、高桩拉线、吊板拉线、撑木等,一般情况下拉线距高比为1:1,拉线棒出土长度200mm-500mm,且焊口朝下。3.3拉线地锚应埋设端正且与拉线棒垂直,拉线棒出土不得有扛、顶的现象。3.48根杆设双方拉,32根杆设四方拉,且双螺旋要用3.0铁线封口。其中遇转角杆时,应往前移2档直线后设置,并酌情就近落在吊档杆或山顶处设置。转角拉拉线抱箍安装吊线抱箍上200mm处;双方拉拉线抱箍安装吊线抱箍下200mm处;四方拉顺线拉线抱箍设于吊线抱箍上200mm处,垂直拉拉线抱箍安装吊线抱箍下200mm处。4.安全环保事项4.1登高作业人员须持证上岗,遵守高空作业操作规程。4.2登电杆前,作业人员必须检查并确保登高工具和安全工具齐全和完好。4.3电杆上作业时,作业人员必须系好安全带、佩带安全帽,在作业过程中严禁随意抛掷工具、材料,电杆下方不准闲杂人员逗留。4.4同一杆上禁止两人一上一下同时作业。4.5在雷雨天气或6级以上大风天气时严禁高处作业。4.6在人行道或路口施工时,要注意行人,避免施工时伤害到行人。4.7拉线坑回填时,应回填夯实,尽量保护周围草皮和植被。4.8收工时收集施工产生的废弃物,如钢绞线头、铁丝头等,避免造成污染。做到工完、料尽、场地清。

1、当您付费下载文档后,您只拥有了使用权限,并不意味着购买了版权,文档只能用于自身使用,不得用于其他商业用途(如 [转卖]进行直接盈利或[编辑后售卖]进行间接盈利)。
2、本站所有内容均由合作方或网友上传,本站不对文档的完整性、权威性及其观点立场正确性做任何保证或承诺!文档内容仅供研究参考,付费前请自行鉴别。
3、如文档内容存在违规,或者侵犯商业秘密、侵犯著作权等,请点击“违规举报”。

碎片内容

拉线安装施工工艺标准

确认删除?
VIP
微信客服
  • 扫码咨询
会员Q群
  • 会员专属群点击这里加入QQ群
客服邮箱
回到顶部