电脑桌面
添加小米粒文库到电脑桌面
安装后可以在桌面快捷访问

八年级物理上册 电学综合讲义 人教新课标版VIP免费

八年级物理上册 电学综合讲义 人教新课标版_第1页
1/9
八年级物理上册 电学综合讲义 人教新课标版_第2页
2/9
八年级物理上册 电学综合讲义 人教新课标版_第3页
3/9
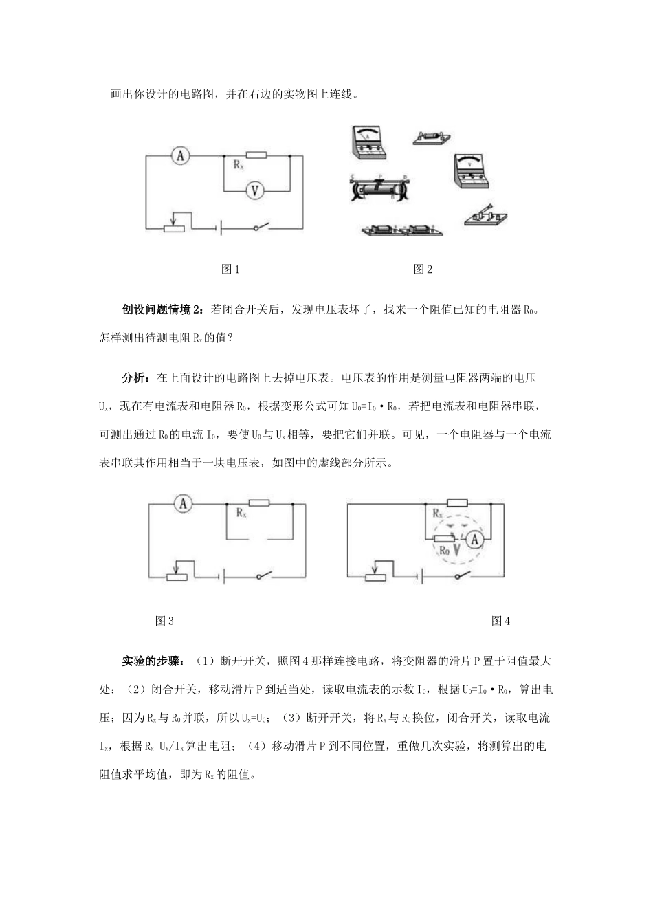
初中物理电学综合讲义“巧”分析破“电”题──趣谈初中物理电学“硬”类题分析在平时的学习与考试中,我们经常遇到这样的一类题,这类题的特点是一读就能懂,但无从下笔;如果下笔去做,又是特别的繁琐。这类题我们称之为“硬”题,往往不好拿下令人烦恼。但如果在老师的稍微点拨之下,却又峰回路转,让人推开重重迷雾,看到了希望的曙光。下面我们以“电学”内容为例,谈谈巧妙的分析在解决电学“硬”类题中发挥的作用。1.如图所示的电路中,R1=20Ω,R2=25Ω,当开关S1闭合、S2断开时,电压表的示数为2.8V,若将开关S1断开、S2闭合时,电压表的示数可能是()A.2.5VB.3.3VC.3.5VD.4.0V分析:该题我们想通过硬算的方法得出答案,那是枉费了心思与精力。首先我们应搞清楚的是电路中开关的闭合与断开,而造成电路中电阻连接情况的变化,以及电压表测量对象发生的变化。在充分审题的基础上,我们知道第一次开关S1闭合、S2断开时,电路状态为R1与R3串联,电压表测的是R1两端的电压,电路中的电流I=U1/R1=2.8V/20Ω=0.14A;第二次S1断开、S2闭合时,电路状态为R2与R3串联,电压表测的是R2两端的电压。当电路由状态一变为状态二,总电阻〔由(R1+R3)变为(R2+R3)〕变大,那么电路中的电流变小,R3两端的电压变小,所以电压表的示数变大,即比2.8V大,B、C、D只能选其一,选谁呢?假设电路由状态一变为状态二,电路中的电流不变,此时不难算出电压表示数增加△V=0.14A×(25Ω-20Ω)=0.7V,即电压表示数为2.8V+0.7V=3.5V。实际上电路中的电流在变小,此时电压表的示数应小于3.5V,即选B。2.由电压为220V的电源向远处某工地的一盏“PZ220-60”的电灯供电,由于导线有电阻,灯泡消耗的实际功率为55W,则导线消耗的功率()A.小于5WB.等于5WC.大于5WD.不能确定分析:读完题目的第一个冲动就是想把导线消耗的功率先求出来,然后再加以比较,最后得出结论。实际上又是事倍功半之举,同样通过分析却能快速得出结论。设电灯“PZ220-60”正常发光的电流为I,由题意可知此时电路中的电流小于I,根据P=UI可知,电路中实际消耗的总功率小于60W。此时灯泡消耗的实际功率为55W,那么导线消耗的实际功率小于5W,故选A。3.如图电源电压保持不变,R为定值电阻,当开关闭合时,标有“6V2W”的小灯泡L1恰好正常发光;若保持R不变,将L1换成一只标有“6V3W”的小灯泡L2,闭合开关,小灯泡L2工作时消耗的实际功率为()A.大于3WB.等于3WC.小于3WD.无法确定分析:看完题目许多同学不假思索的选B,原因是灯泡L1正常发光,两端的实际电压等于额定电压6V,再换成额定电压也是6V的另一个灯泡L2时,此时L2也能正常发光,即灯泡L2的实际功率也等于其额定功率3W。其实由公式R=U2∕P可知,L1换成L2后,电路中的总电阻变小,电路中的电流变大,R两端的电压变大,灯泡两端的实际电压变小,即小于先前的6V,所以灯泡L2两端实际电压小于其额定电压,实际功率小于其额定功率3W,所以选C。我们学习电学内容时,若题目设有一定的坡度和梯度,做起来就觉得不太容易了,不妨从题意的分析上多下功夫,也许会收到事半功倍的效果。从上面三个题目的分析上你或许得到一些启发,这将有益于你以后在学习过程中体会让“硬”题在巧妙分析而被解决时的快乐。电路设计创设问题情境1:有一个未知电阻Rx,要测量它的电阻值,现有下列器材:电流表、电压表、开关、滑动变阻器,电源、导线若干。怎样测量Rx的电阻?画出你设计的电路图,并在右边的实物图上连线。图1图2创设问题情境2:若闭合开关后,发现电压表坏了,找来一个阻值已知的电阻器R0。怎样测出待测电阻Rx的值?分析:在上面设计的电路图上去掉电压表。电压表的作用是测量电阻器两端的电压Ux,现在有电流表和电阻器R0,根据变形公式可知U0=I0·R0,若把电流表和电阻器串联,可测出通过R0的电流I0,要使U0与Ux相等,要把它们并联。可见,一个电阻器与一个电流表串联其作用相当于一块电压表,如图中的虚线部分所示。图3图4实验的步骤:(1)断开开关,照图4那样连接电路,将变阻器的滑片P置于阻值最大处;(2)闭合开关,移动滑片P到适...

1、当您付费下载文档后,您只拥有了使用权限,并不意味着购买了版权,文档只能用于自身使用,不得用于其他商业用途(如 [转卖]进行直接盈利或[编辑后售卖]进行间接盈利)。
2、本站所有内容均由合作方或网友上传,本站不对文档的完整性、权威性及其观点立场正确性做任何保证或承诺!文档内容仅供研究参考,付费前请自行鉴别。
3、如文档内容存在违规,或者侵犯商业秘密、侵犯著作权等,请点击“违规举报”。

碎片内容

八年级物理上册 电学综合讲义 人教新课标版

您可能关注的文档

确认删除?
VIP
微信客服
  • 扫码咨询
会员Q群
  • 会员专属群点击这里加入QQ群
客服邮箱
回到顶部