电脑桌面
添加小米粒文库到电脑桌面
安装后可以在桌面快捷访问

有机实验大题(二)含答案VIP免费

有机实验大题(二)含答案_第1页
1/7
有机实验大题(二)含答案_第2页
2/7
有机实验大题(二)含答案_第3页
3/7
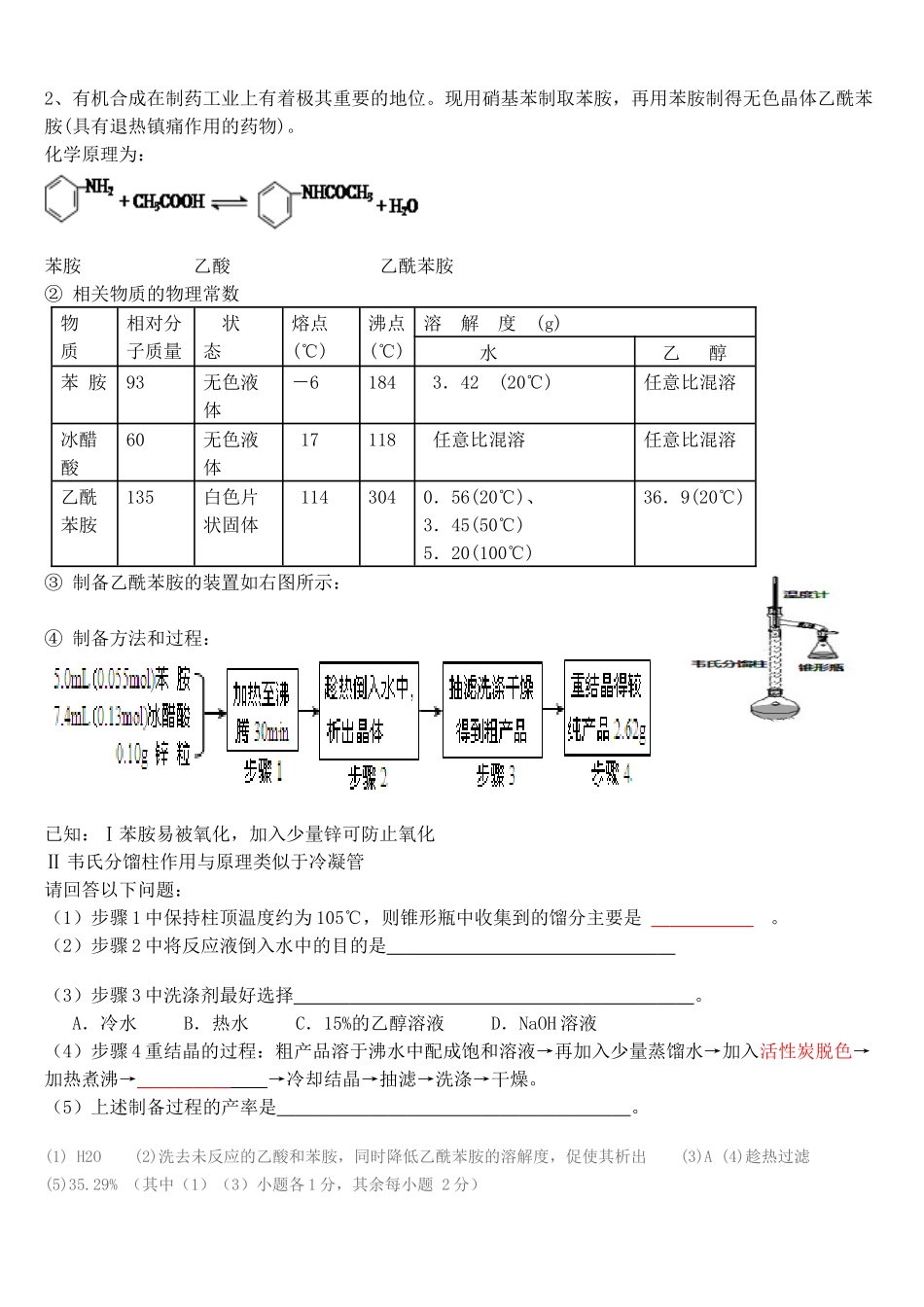
1、塑化剂DBP(邻苯二甲酸二丁酯)主要应用于PVC等合成材料中作软化剂。合成反应原理为:实验步骤如下:步骤1:在三口烧瓶中放入14.8g邻苯二甲酸酐、25mL正丁醇、4滴浓硫酸,开动搅拌器(反应装置如图)。步骤2:缓缓加热至邻苯二甲酸酐固体消失,升温至沸腾。步骤3:等酯化到一定程度时,升温至150℃步骤4:冷却,倒入分漏斗中,用饱和食盐水和5%碳酸钠洗涤。步骤5:减压蒸馏,收集200~210℃2666Pa馏分,即得DBP产品(1)搅拌器的作用。(2)图中仪器a名称及作用是;步骤3中确定有大量酯生成的依据是。(3)用饱和食盐水代替水洗涤的好处是。(4)碳酸钠溶液洗涤的目的是。(5)用减压蒸馏的目的是答案(1)使反应物充分接触(2)分水器,及时分出反应生成的水,有利于反应向生成DBP方向移动;分水器中有大量的水产生。(3)可避免酯的损失,同时避免洗涤过程中的乳化现象(4)中和产品中游离酸(5)避免蒸馏过程中有机物脱水碳化现象试题分析:(1)搅拌可以使反应物充分混合反应;(2)酯化反应有水生成,移出产物有利于平衡正向进行;生成水越多生成酯的量也就越多;(3)有机物在盐溶液中的溶解度小,减少酯的溶解损失;(4)碳酸钠能反应掉酯中溶解的杂质酸,同时溶解除去乙醇;(5)减压蒸馏可以降低有机物的沸点,使其在较低的温度下分离出来,避免温度过高出现有机物脱水碳化现象。2、有机合成在制药工业上有着极其重要的地位。现用硝基苯制取苯胺,再用苯胺制得无色晶体乙酰苯胺(具有退热镇痛作用的药物)。化学原理为:苯胺乙酸乙酰苯胺②相关物质的物理常数物质相对分子质量状态熔点(℃)沸点(℃)溶解度(g)水乙醇苯胺93无色液体-61843.42(20℃)任意比混溶冰醋酸60无色液体17118任意比混溶任意比混溶乙酰苯胺135白色片状固体1143040.56(20℃)、3.45(50℃)5.20(100℃)36.9(20℃)③制备乙酰苯胺的装置如右图所示:④制备方法和过程:已知:Ⅰ苯胺易被氧化,加入少量锌可防止氧化Ⅱ韦氏分馏柱作用与原理类似于冷凝管请回答以下问题:(1)步骤1中保持柱顶温度约为105℃,则锥形瓶中收集到的馏分主要是。(2)步骤2中将反应液倒入水中的目的是(3)步骤3中洗涤剂最好选择。A.冷水B.热水C.15%的乙醇溶液D.NaOH溶液(4)步骤4重结晶的过程:粗产品溶于沸水中配成饱和溶液→再加入少量蒸馏水→加入活性炭脱色→加热煮沸→→冷却结晶→抽滤→洗涤→干燥。(5)上述制备过程的产率是。(1)H2O(2)洗去未反应的乙酸和苯胺,同时降低乙酰苯胺的溶解度,促使其析出(3)A(4)趁热过滤(5)35.29%(其中(1)(3)小题各1分,其余每小题2分)3、阿司匹林的有效成分是乙酰水杨酸()。实验室以水杨酸(邻羟基苯甲酸)与醋酸酐[(CH3CO)2O]为主要原料合成乙酰水杨酸,制备的主要反应为:操作流程如下:已知:水杨酸和乙酰水杨酸均微溶于水,但其钠盐易溶于水,醋酸酐遇水分解生成醋酸。回答下列问题:(1)合成过程中最合适的加热方法是。(2)制备过程中,水杨酸会形成聚合物的副产物。写出该聚合物的结构简式。(3)粗产品提纯:①分批用少量饱和NaHCO3溶解粗产品,目的是。判断该过程结束的方法是。②滤液缓慢加入浓盐酸中,看到的现象是。③检验最终产品中是否含有水杨酸的化学方法是。(4)阿司匹林药片中乙酰水杨酸含量的测定步骤(假定只含乙酰水杨酸和辅料,辅料不参与反应):Ⅰ.称取阿司匹林样品mg;Ⅱ.将样品研碎,溶于V1mLamol·L-1NaOH(过量)并加热,除去辅料等不溶物,将所得溶液移入锥形瓶;Ⅲ.向锥形瓶中滴加几滴甲基橙,用浓度为bmol·L-1的标准盐酸到滴定剩余的NaOH,消耗盐酸的体积为V2mL。①写出乙酰水杨酸与过量NaOH溶液加热发生反应的化学方程式。②阿司匹林药片中乙酰水杨酸质量分数的表达式为。答案(1)水浴加热(1分);(2)(2分)(3)①使乙酰水杨酸转化为易溶于水的乙酰水杨酸钠,便于与聚合物分离(1分);没有CO2产生(1分)。②有浑浊产生(1分)。③取少量结晶于试管中,加蒸馏水溶解,滴加FeCl3溶液,若呈紫蓝色则含水杨酸。(2分)(4)①+3NaOHCH3COONa+2H2O+(2分)②0.180(aV1-bV2)/3m(2分)试题分析:(1)温度不超过100℃,合成过程中最...

1、当您付费下载文档后,您只拥有了使用权限,并不意味着购买了版权,文档只能用于自身使用,不得用于其他商业用途(如 [转卖]进行直接盈利或[编辑后售卖]进行间接盈利)。
2、本站所有内容均由合作方或网友上传,本站不对文档的完整性、权威性及其观点立场正确性做任何保证或承诺!文档内容仅供研究参考,付费前请自行鉴别。
3、如文档内容存在违规,或者侵犯商业秘密、侵犯著作权等,请点击“违规举报”。

碎片内容

有机实验大题(二)含答案

确认删除?
VIP
微信客服
  • 扫码咨询
会员Q群
  • 会员专属群点击这里加入QQ群
客服邮箱
回到顶部