电脑桌面
添加小米粒文库到电脑桌面
安装后可以在桌面快捷访问

热收缩膜的行业标准VIP专享VIP免费

热收缩膜的行业标准_第1页
1/6
热收缩膜的行业标准_第2页
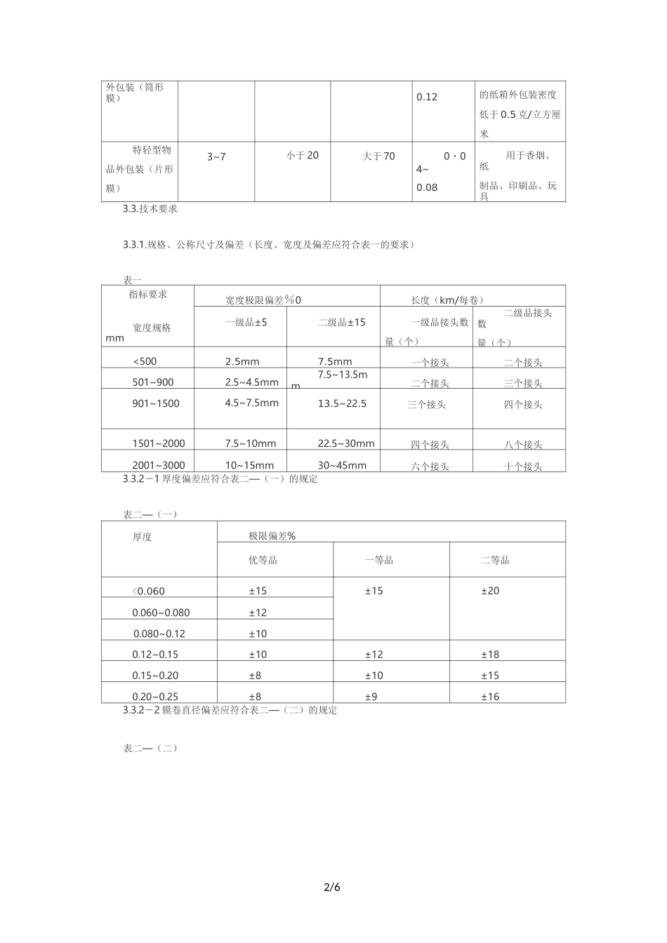
2/6
热收缩膜的行业标准_第3页
3/6
1/6热收缩膜的行业标准[修改时间:2009-5-2716:09:04浏览次数:1046]制品标准(企业标准)聚乙烯热收缩膜标准号为HN/M-001—2006,本标准适用于以密度为0.940g/cm3以下的聚乙烯树脂为主要原料,以一次吹塑成型管膜法制得的热收缩薄膜。本标准规定了聚乙烯热收缩膜的产品分类、技术要求、试验方法、检验规则、标志、包装、运输及贮存。3.2.规范性引用文件及产品分类下列文件中的条款通过本标准的引用而成为本标准的条款,凡是注日期的文件,其随后新有的修改单或修订版均不适用于本标准。GB/T2918塑料试样状态调节和试验的标准环境GB/T6672塑料薄膜和薄片的测定机械测量法GB/T6673塑料薄膜与片材长度和宽度的测定GB/T13022塑料薄膜拉伸性能试验方法GB/T13519-1992聚乙烯热收缩薄膜QB/1130塑料薄膜直角撕裂性能试验方法产品分类:项目用途指标收缩比收缩率%围厚度范备注横向纵向托盘物品外包装(筒形膜)1.6~3.5大于35小于700.250・10~托盘尺寸为1200mmx1000mm1100mmx1100mm瓶装物品外包装(片形膜)3~15小于30大于600.120.06~用于啤酒、饮料、矿泉水、调味品等固体物品外包装轻型纸箱1.4~2.5大于35小于600.04~用干内装物品2/6外包装(筒形膜)0.12的纸箱外包装密度低于0.5克/立方厘米特轻型物品外包装(片形膜)3~7小于20大于700・04~0.08用于香烟、纸制品、印刷品、玩具3.3.技术要求3.3.1.规格、公称尺寸及偏差(长度、宽度及偏差应符合表一的要求)表一指标要求宽度规格mm宽度极限偏差%0长度(km/每卷)一级品±5二级品±15一级品接头数量(个)二级品接头数量(个)<5002.5mm7.5mm一个接头二个接头501~9002.5~4.5mm7.5~13.5mm二个接头三个接头901~15004.5~7.5mm13.5~22.5三个接头四个接头1501~20007.5~10mm22.5~30mm四个接头八个接头2001~300010~15mm30~45mm六个接头十个接头3.3.2-1厚度偏差应符合表二—(一)的规定表二—(一)厚度极限偏差%优等品一等品二等品<0.060±15±15±200.060~0.080±120.080~0.12±100.12~0.15±10±12±180.15~0.20±8±10±150.20~0.25±8±9±163.3.2-2膜卷直径偏差应符合表二—(二)的规定表二—(二)3/6直径(mm)极限偏差(mm)优等品—一级品二级品<100±0.20±0.40±1100~200±0.40±0.50±1.5200~400±0.50±0.60±1.5400~600±0.60±0.80±1.5600~1000±0.80±1.20±2.0注:上表膜卷是指由旋转模头生产的薄膜。3.3.3.外观应符合表三的要求表三等级指标名称合格品水纹和云雾轻微气泡穿孔和破裂不允许。杂质0.5-3mm的杂质S8个/m2。鱼眼和僵块0.6-2mm鱼眼和僵块<20个/mo分散度(个/100mmx100mm)<8个条纹较明显,抗冲击试验合格平整度膜表面有轻微变形及皱褶,膜卷有轻微"暴筋"剖开线两刀剖开对称,不得有大小之分,平行垂直。端面平整度分切时<2mm注:(1)“水纹”和“云雾”指因塑化不良在薄膜表面形成类似水波纹和浮云状的外观。(2)“鱼眼”和“僵块”指树脂在成型过程中,没有得到充分塑化而在薄膜表面形成的粒点或块状物(3)“条纹”指塑料制品表面或内部存在的线状条纹缺陷。(4)“剖开线”指在吹塑生产中用刀划割薄膜的线。(5)“杂质”指无法塑化的非树脂物品等。3.3.4.物理机械性能应符合表四要求4/6表四项目标准指标厚度<0.060mm厚度〉0.060纵向横向纵向横向拉伸强度(纵/横)MPa>14>13>16>14断裂伸长率(纵/横)%>210>240>260>270撕裂强度(纵/横)kn/m>42>45>50>553.4.试验方法3.4.1.试样的制备试样的制备应符合GB/T13519-1992的规定:裁取100mmx100mm(±0.1mm)的试样3块,在试样纵、横向上各画一条线,并标明纵、横向。3.4.2.试样状态调节和试验的标准环境按GB/T13519规定进行。温度:(23±2)°C湿度:常湿状态调节时间4h以上3.4.3.厚度及宽度(1)厚度一按GB/T6672的规定进行(2)宽度一按GB/T6673的规定进行3.4.4.外观在自然光线下目测3.4.5.拉伸强度及断裂伸长率按GB/T13022规定进行,试验速度(空载):(500±50)mm/min3.4.6.撕裂强度按QB/T1130的规定进行3.4.7.收缩率的测定5/6将试样平放入金属框架中间(两个嵌有金属网的框架,其尺寸略大于试样10mm。两金属网间距离为1~3mm,应不影响试样的自由收缩),迅速浸...

1、当您付费下载文档后,您只拥有了使用权限,并不意味着购买了版权,文档只能用于自身使用,不得用于其他商业用途(如 [转卖]进行直接盈利或[编辑后售卖]进行间接盈利)。
2、本站所有内容均由合作方或网友上传,本站不对文档的完整性、权威性及其观点立场正确性做任何保证或承诺!文档内容仅供研究参考,付费前请自行鉴别。
3、如文档内容存在违规,或者侵犯商业秘密、侵犯著作权等,请点击“违规举报”。

碎片内容

热收缩膜的行业标准

确认删除?
VIP
微信客服
  • 扫码咨询
会员Q群
  • 会员专属群点击这里加入QQ群
客服邮箱
回到顶部