电脑桌面
添加小米粒文库到电脑桌面
安装后可以在桌面快捷访问

环氧树脂地坪施工技术方案VIP专享VIP免费

环氧树脂地坪施工技术方案_第1页
1/13
环氧树脂地坪施工技术方案_第2页
2/13
环氧树脂地坪施工技术方案_第3页
3/13
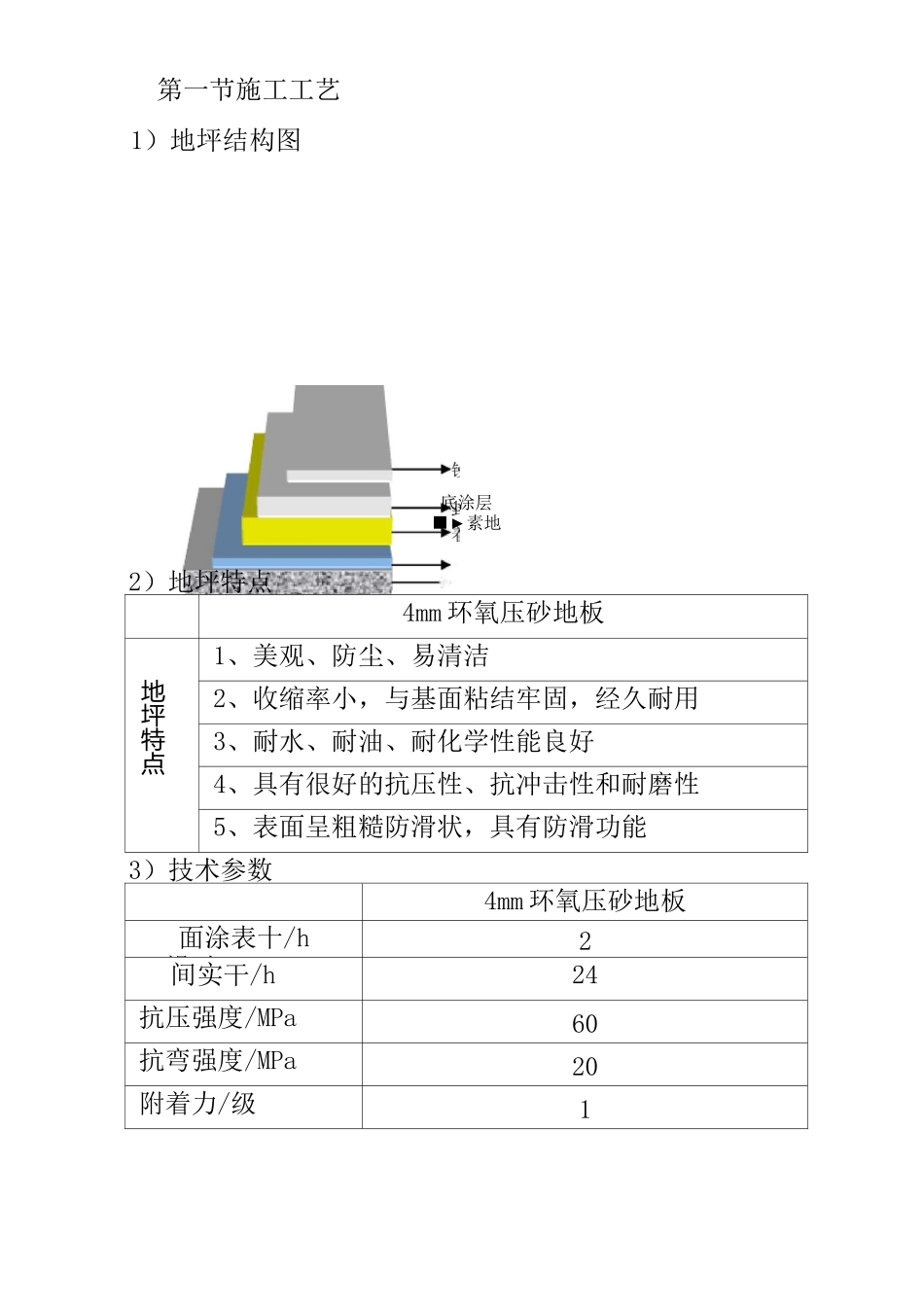
环氧树脂地坪施工技术方案第一节施工工艺1)地坪结构图底涂层■►素地2)地坪特点4mm环氧压砂地板地坪特点1、美观、防尘、易清洁2、收缩率小,与基面粘结牢固,经久耐用3、耐水、耐油、耐化学性能良好4、具有很好的抗压性、抗冲击性和耐磨性5、表面呈粗糙防滑状,具有防滑功能3)技术参数4mm环氧压砂地板面涂表十/h干燥时2间实干/h24抗压强度/MPa60抗弯强度/MPa20附着力/级1耐磨性/gW0.026(750g/1000r失重)耐冲击性(lKg钢球,30cm)涂层无裂纹、剥落及明显变形铅笔硬度/H2耐20%硫酸48h无明显变化耐20%氢氧化钠48h无明显变化耐3%氯化钠48h尢明显变化耐溶剂、油污耐使用期/年15考。(4)施工步骤4mm环氧压砂地板主要施工步骤1、基面清理,修补打磨。要求较平整、干净、干燥2、有油污的地方用有机溶剂反复洗擦干净3、地面平整度较差地方进行局部找平,落差较大部分做好缓冲层。4、基面加强处理:滚涂KC-30#混凝土加强型底油。5、基面修补:滚涂KC-EF-MS#调配石英砂修补地面坑洞及不平整区域,实干后打磨平整。6、中涂层:将拌好的砂浆用专用的铺料器铺平,然后用专用抹平机抹平,压实,设备底及狭长区域用手工压平、压实。7、封闭层:中涂层完全干燥后,滚、刷、刮涂KC-TF-600封面要求密封无遗漏。环氧树脂充分渗透到彩砂层。广omw『宀8、镘面:封闭层实干后镘涂KC-TF-600表面达到光滑平整清澈透明。9、养护2-7天(养护期内不要使用)(5)填缝和边缘处理1、4mm环氧砂浆地坪和其它环氧涂膜或部位的衔接衔接处会有3mm左右的高差,需将压砂的边缘做成斜角过渡。示意图如下:4mm环氧彩砂地坪1000mm2、环氧彩砂地坪边缘的加固环氧彩砂地坪边缘要长期经受车辆的辗压,存在脱层开裂的可能性,因此在边缘部位的基面上刻槽,再施工环氧彩砂可以起到很好加固作用,很好地避免上述现象的发生。示意图如下:4mm环氧彩砂地坪///////////////////////////////加固槽3、切缝和填缝如果连续面积大,有必要切缝,则必需用弹性树脂灌缝填缝。示意图如下(6)基层缺陷处理①起壳混凝土面层和基面剥离,附着力差。简单判定方法是用小铁锤或金属物敲击有无空敲鼓声音。如整个结合面都剥离,则要将混凝土面层全部清除后重新浇筑。如只是部分的剥离则可以用专用的灌注的方法修补。②裂缝沿裂缝部分用电动切割机切开1cm左右宽度的“V”型槽,用环氧砂浆修补。③缺口基层表面有凹坑、缺口时,先将粉尘、松散物清除,用树环氧浆抹面。⑤环境条件施工前要调查施工环境条件,并预测施工期间的变化,主要要求如下:施工环境应封闭,否则会影响表面质量,产生如杂质、缩孔、麻面等漆膜病态,施工环境温度在10~35°C,空气相对湿度W75%为宜,温度和湿度的变化会影响树脂的固化,流平性和表现质量。(7)基面处理①初步扫清:用扫把将待处理地面上的垃圾清理干净,有水的地方首先应该切断水源,并清除表层积水,再设法使地面干燥;有油污的地方应用有机溶剂等(比如天那水,二甲苯等)洗净,擦干,有油漆或其它不明污染物的地方应作适当处理,其方法用打磨,有机溶剂擦洗等。②打磨(针对水磨石基面或较光滑致密的水泥基面),提供适当粗糙度。用吸尘打磨机全面打磨去除表面不易清扫的浮沉且打毛基面,以增强涂层与地面与地面的结合力,将待处理基面的高低不平处基本磨平,起找平作用。手磨机打磨对于大打磨机打不到的地方或打不掉之油污等可用手磨机打磨,注意应选用专用砂轮片。钢丝刷处理,对于大打磨机和手磨机打不到的地方,或不必用手磨机打磨的区域,如生产线下面,可用砂纸打磨或用钢丝刷处理等方法达到打磨效果。③再次清扫,贴保护胶纸彻底清理地面灰尘,对于不易清洁的卫生死角,可用吸尘器吸尘;将墙角,机脚,或其他应受保护的地方用胶带纸包扎保护;按实际情况而定,是否需要再做一次清扫。(8)涂底油①工具准备大面积施工底油多采用滚涂方法施工。滚涂时选用毛多,厚实且不易脱毛的普通滚筒,用之前设法除去已松动的毛丝。小面积施工可选用板刷刷涂。②配料根据施工面积估计底油用量,将底油混合,搅拌均匀,每平方米参考用量如下:类型耗量(Kg/mJ基面处理:KC-30底油0.2(正常情况)底涂找平:KC-E...

1、当您付费下载文档后,您只拥有了使用权限,并不意味着购买了版权,文档只能用于自身使用,不得用于其他商业用途(如 [转卖]进行直接盈利或[编辑后售卖]进行间接盈利)。
2、本站所有内容均由合作方或网友上传,本站不对文档的完整性、权威性及其观点立场正确性做任何保证或承诺!文档内容仅供研究参考,付费前请自行鉴别。
3、如文档内容存在违规,或者侵犯商业秘密、侵犯著作权等,请点击“违规举报”。

碎片内容

环氧树脂地坪施工技术方案

确认删除?
VIP
微信客服
  • 扫码咨询
会员Q群
  • 会员专属群点击这里加入QQ群
客服邮箱
回到顶部