电脑桌面
添加小米粒文库到电脑桌面
安装后可以在桌面快捷访问

华鸿设计说明VIP免费

华鸿设计说明_第1页
1/6
华鸿设计说明_第2页
2/6
华鸿设计说明_第3页
3/6
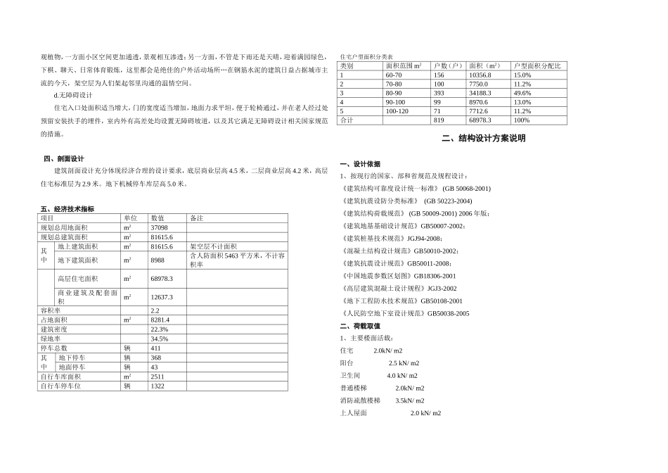
杭政储出(2007)80号地块设计方案说明一、建筑设计说明一、项目概况:本地块位于杭州市江干区九堡(规划江干科技园北区块R21-3地块),地块东邻九堡镇三卫村居民点,西至杭政储(2007)81号地块,南邻九华路,北至浙江恒泰纺织有限公司,地形相对平坦方正,目前该地块的市政、生活配套等主要是依附于九堡镇的现有成熟配套。整个项目用地面积为37098平方米。二、规划设计依据:1、国家与地方相关的法律法规及设计规范。2、立项批文:杭发改备(2008)29号文件。3、堪设条件:(2008)年浙规定字01000287号。4、1:1000实测地形图及堪设红线附图,项目编号8200800385。5、四线坐标及数字化地形图。三、规划设计分析:1.功能分析小区由点式及板式高层住宅组成,社区管理用房设置于会馆二层。六栋板式高层与两栋点式高层分布在该地块四周,为小区限定出安静的空间环境;其中点式高层住宅布置于中心景观的核心部位,中心及小区北侧的板式高层住宅局部底层架空,提高了整个小区景观空间的渗透性,开阔了视野空间。强调小区功能布局明确的同时,也合理化不同建筑的比重、不同功能的分区。小区设置纯高层住宅,降低建筑密度,提升整体的景观环境品质,从而提高了项目的整体价值。整个地块110平方米的大户型及90平方米的中户型均安排在中心景观区域,结合生态绿化布置;60平方米和70平方米的小户型安排在沿街面,住宅楼之间开阔的视野,绿化的有效渗透,达到户户均好的效果。2.交通分析小区交通组织设计力求考虑周边交通现状及住户使用要求,明确道路分级,实现局部的人车分流。根据规划要求,小区车行出入口设置在规划道路上,小区主要人行出入口设置在南侧九华路上两个入口通过小区内6米宽的环形道路衔接。整个环形道路环绕小区内的下沉式中心景观广场设置小区环形道路以内为人行区域,车流不进入中心景观广场内部小区内部南侧设置地下机械双层停车库,出入口设在车行主入口及人行主入口附近,既方便住户的出入,又方便整个小区车辆的集中管理。此外,沿主要车行道路及小区西南角设置露天停车位,满足住户及外来车辆的停车需要。3.景观设计小区绿化景观设计的原则是在兼顾整体景观的均好性的前提下,体现景观的层次性。住宅间的绿化均衡布置,景观的核心为下沉式中心景观广场,通过下沉式的设计形成主体的景观层次,广场内设置休闲生态广场及戏水池,结合铺地、树池、叠水及雕塑等,形成特有的动静分明的休闲区。小区建筑景观设计方面,建筑为纯高层,点式、板式分布有序,中心景观相连的板式楼局部架空空间形态高低错落相得益彰。点式高层建筑作为景观建筑穿插布置于景观之中,板式高层建筑天际线起伏变化,为城市提供良好景观形象。建筑景观在和谐中求变化,在变化中求统一。3.建筑分析a.户型平面设计在户型设计中,充分遵循“以人为本”的设计理念,依据人性和个性需求,合理布置各户型房间,做到动静分离、通风良好、明厨明卫。主卧做到户户朝南,满足日照和景观、视线要求。根据小区景观资源分布,重点考虑景观良好位置的朝向,最大程度的将户外景致引入住宅中。b.立面造型设计本方案力求塑造有活力的居住风格和体现后现代城市的新形象,结合经典的建筑语言,引用现代的工艺、材料与技术,运用造型的韵律变化,体现年轻人一代对独特个性与精致的生活品味的追求。建筑以简洁流畅的线条线脚,开敞与封闭阳台的变化,丰富与完善立面的细部与虚实光影关系,以纯白色为基调,有韵律地插入灰色体块及中性色块,以纯粹的建筑语言构筑简洁流畅、典雅明快的造型特质,超脱了以堆砌符号、繁琐线脚哗众取宠的设计方法。c.底层架空本方案设计中,靠近中心景观的板楼及小区北侧的板楼底层局部架空,配置休闲设施,种植景观植物,一方面小区空间更加通透,景观相互渗透;另一方面,不管是下雨还是天晴,迎着满园绿色,下棋、聊天、日常体育锻炼,这里都会是绝佳的户外活动场所…在钢筋水泥的建筑日益占据城市主流的今天,架空层为人们架起邻里沟通的温情空间。d.无障碍设计住宅入口处面积适当增大,门的宽度适当增加,地面力求平坦,便于轮椅通过,并在老人经过处预留安装扶手的埋件,室内外有高差...

1、当您付费下载文档后,您只拥有了使用权限,并不意味着购买了版权,文档只能用于自身使用,不得用于其他商业用途(如 [转卖]进行直接盈利或[编辑后售卖]进行间接盈利)。
2、本站所有内容均由合作方或网友上传,本站不对文档的完整性、权威性及其观点立场正确性做任何保证或承诺!文档内容仅供研究参考,付费前请自行鉴别。
3、如文档内容存在违规,或者侵犯商业秘密、侵犯著作权等,请点击“违规举报”。

碎片内容

华鸿设计说明

您可能关注的文档

确认删除?
VIP
微信客服
  • 扫码咨询
会员Q群
  • 会员专属群点击这里加入QQ群
客服邮箱
回到顶部