电脑桌面
添加小米粒文库到电脑桌面
安装后可以在桌面快捷访问

卡尔西气质类型--职业兴趣测试量表VIP免费

卡尔西气质类型--职业兴趣测试量表_第1页
1/12
卡尔西气质类型--职业兴趣测试量表_第2页
2/12
卡尔西气质类型--职业兴趣测试量表_第3页
3/12
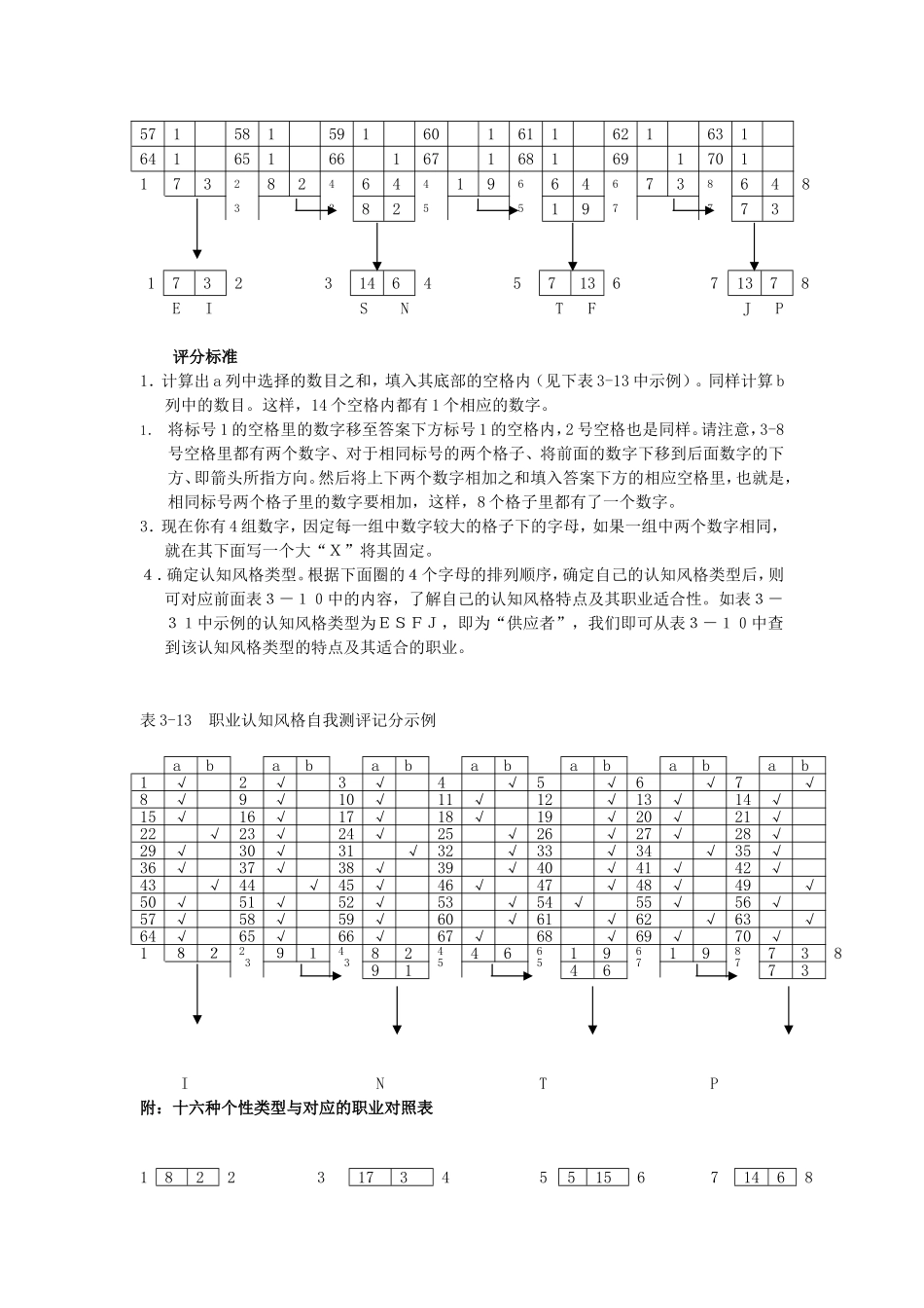
一、MBTI(凯尔西)气质类型自我评测下面是作为认知风格类型调查问卷之一的MBTI凯尔西气质问卷的内容,共包含70道题目,可帮助你确定自己的职业认知风格类型。请你依据自己的实际情况,选择答案a或者b,天在后面答卷的相应位置(表3-12)。在根据所提供的计分标准算出得分。你的答案没有正确和错误之分,请你如实回答。1电话铃响的时候,你会:a.马上第一个去接b.希望别人去接2你更倾向于:a.敏锐而不内省b.内省而不敏锐3对你来说那种情况更糟糕:a.想入非非b.循规蹈矩4同别人在一起,你通常:a.坚定而不随和b.随和而不坚定5那种事更使你感到惬意:a.做出权威判断b.做出有价值的判断6面对工作环境里的噪音,你会a.抽出时间整顿b.最大限度的忍耐7你的做事方式:a.果断b.某种程度的斟酌8排队时,你常常:a.与他人聊天b.仍考虑工作9你更倾向于:a.感知多于设想b.设想多于感知10你对什么更感兴趣:a.真实存在的东西b.潜在的东西11你更有可能依据什么对事物做出判断:a.事实b.愿望12评价他人时,你易于:a.客观、不讲人情b.友好、有人情味13你希望通过什么方式制订合同:a.签字、盖章、发送b.握手搞定14你更愿意拥有:a.工作成果b.不断进展的工作15在一个聚会上,你倾向于:a.与许多人甚至陌生人交流b.只与几个朋友交流16你更倾向于:a.务实而不空谈b.空谈而不务实17你喜欢什么样的作者:a.直述主体b.运用隐喻和象征手法18什么更吸引你:a.思想和谐b.关系和谐19如果一定要使某人失望,你通常:a.坦率、直言不讳b.温和、体谅他人20工作中,你希望你的行动进度:a.确定b.不确定21你更经常提出:a.最后、确定的建议b.暂时、初步的建议22与陌生人交流:a.使你更加自信b.使你伤脑筋23事实:a.只是说明事实b.是理论的例证24你觉得幻想家和理论家:a.有些讨厌b.非常有魅力25在异常热烈的辩论中,你会:a.坚持你的观点b.寻找共同之处26哪一个更好:a.公正b.宽容27你觉得工作中什么更自然:a.指出错误b.设法取悦他人28什么时候的你感觉更惬意:a.做出决定之后b.做出决定之前29你倾向于:a.直接说出你的想法b.听别人发言30常识:a.通常是可靠的b.经常值得怀疑31儿童往往不会:a.做十分有用的事b.充分利用想象力32管理他人时,你更倾向于:a.坚定而严格b.宽厚仁慈33你更倾向于作为一个:a.头脑冷静的人b.热心肠的人34你倾向于:a.将事情搞定b.探究事务的各种潜质35在多数情况下,你更:a.做作而不自然b.自然而不做作36你认为自己是一个:a.外向的人b.自闭的人37你更经常是一个:a.讲求实际的人b.沉于幻想的人38你说话是:a.详细而不泛泛b.泛泛而不详细39那就话更像是赞美:a.“这是一个逻辑性强的人”b.“这是一个情感丰富的人”40你更容易受什么支配:a.你的思想b.你的体验41当一件工作完成时,你喜欢:a.把所有未了结的零星事务安排妥当b.继续干别的事42你喜欢什么样的工作:a.有最后期限b.随时进行43你是哪种:a.很健谈的人b.认真聆听的人44你更容易接受:a.较直白的语言b.较有寓意的语言45你更经常注意:a.恰好在眼前的事物b.想象中的事物46成为哪一种人更糟糕:a.过分心软b.顽固47在令人难堪的情况下,你有时表现的:a.过于无动于衷b.过于同情怜悯48你在做出选择时倾向于:a.小心翼翼b.有些冲动49你更喜欢:a.紧张而不悠闲b.悠闲而不紧张50工作中的你倾向于:a.热情与同事交往b.保留更多的私人空间51你更容易相信:a.你的经验b.你的观念52你更愿意感受:a.脚踏实地b.有些动荡53你认为你自己更是一个:a.意志坚强的人b.心地温和的人54你对自己哪种品格评价较高:a.通情达理b.埋头苦干55你通常希望事情:a.已经被安排、确定b.只是暂时确定56你认为自己更加:a.严肃、坚定b.随和57你觉得自己是个:a.好的演说家b.好的聆听者58你很满意自己能够:a.有力的把握现实b.有丰富的想象力59你更注重:a.基本原理b.深层寓意60什么错误看起来比较严重:a.同情心过于丰富b.过于冷漠61你更容易受什么影响:a.有说服力的证据b.令人感动的陈述62哪一种情况下你的感觉更好:a.结束一件事b.保留各种选择63较令人满意的是:a.确定事情已经做好b.只是顺其自然64你是一个:a.容易接近的人b.有些矜持的人65你喜欢什么...

1、当您付费下载文档后,您只拥有了使用权限,并不意味着购买了版权,文档只能用于自身使用,不得用于其他商业用途(如 [转卖]进行直接盈利或[编辑后售卖]进行间接盈利)。
2、本站所有内容均由合作方或网友上传,本站不对文档的完整性、权威性及其观点立场正确性做任何保证或承诺!文档内容仅供研究参考,付费前请自行鉴别。
3、如文档内容存在违规,或者侵犯商业秘密、侵犯著作权等,请点击“违规举报”。

碎片内容

卡尔西气质类型--职业兴趣测试量表

确认删除?
VIP
微信客服
  • 扫码咨询
会员Q群
  • 会员专属群点击这里加入QQ群
客服邮箱
回到顶部