电脑桌面
添加小米粒文库到电脑桌面
安装后可以在桌面快捷访问

一体焊方案分析VIP免费

一体焊方案分析_第1页
1/17
一体焊方案分析_第2页
2/17
一体焊方案分析_第3页
3/17
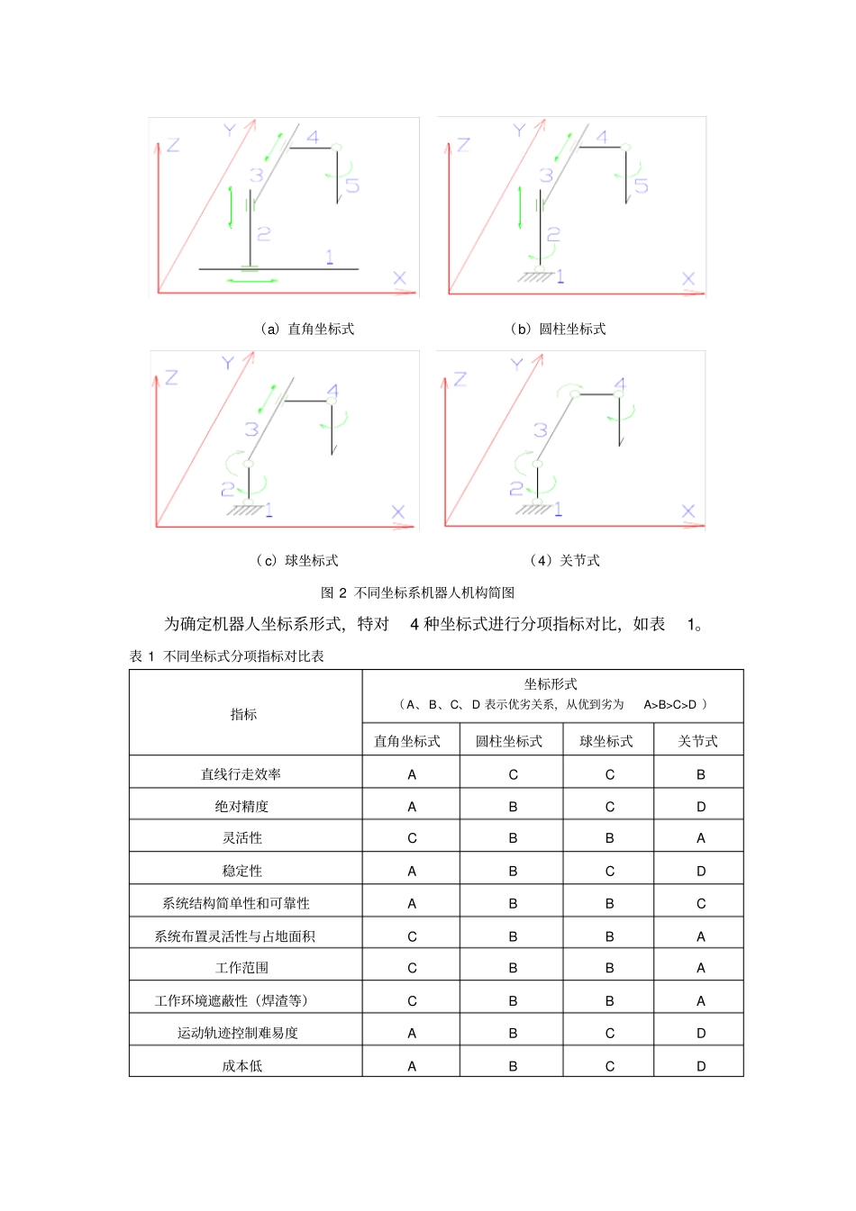
一体焊专用焊接机器人系统设计1焊接机器人性能指标衡量机器人性能的技术指标主要有:重复定位精度、最大负荷、工作范围、运动速度、柔性能力、动态响应性、控制稳定性及稳态精度等。这些指标关联了机器人的系统功能及智能化程度,决定了机器人系统的整体结构和控制方式。2系统总体功能分析2.1基本作业流程焊接机器人的基本作业流程如图1示。焊接轨迹设定焊接参数调整起焊位姿连续调整与焊接焊枪收焊寻位收焊焊接完成焊枪位姿校正位姿控制焊枪状态监测焊枪位置监测与修正焊接质量监测焊枪起焊寻位图1焊接机器人基本作业流程2.2系统功能分析基于焊接机器人的基本作业流程,其系统功能应包括以下几个方面:1.人机交互方式(控制模式选择、用户界面、焊接轨迹显示、实时编程等)2.柔性能力(编程模式如示教模式、离线编程模式或机器人语言编程模式)3.系统控制与反馈(1)焊接质量监测:焊接电流、电压、压力、时间等;(2)焊枪状态监测:位姿、速度、加速度、负载扰动等;(3)焊枪寻位能力控制功能(起焊点与收焊点);(4)焊枪与焊点相对位置的偏差检测与修正。4.焊接功能分析(1)焊枪位移;(2)焊枪姿态调整。2.3机械结构方案分析在一体焊专用机器人的所有系统功能中,与机械结构紧密相关的主要是焊接功能,为确定机器人系统的机械结构方案,特对其焊接功能进行分析。2.3.1焊枪位移1.坐标系形式根据机器人的动作形态,按坐标形式可以将机器人大致分为4种:(1)直角坐标式机器人;(2)圆柱坐标式机器人;(3)球坐标式机器人;(4)关节式机器人对于汽车车门、侧围等部件来说,一体焊专用焊接机器人只需4个自由度便可以完成焊接工作,按照坐标系形式的不同,其机构简图如图2。(a)直角坐标式(b)圆柱坐标式(c)球坐标式(4)关节式图2不同坐标系机器人机构简图为确定机器人坐标系形式,特对4种坐标式进行分项指标对比,如表1。表1不同坐标式分项指标对比表指标坐标形式(A、B、C、D表示优劣关系,从优到劣为A>B>C>D)直角坐标式圆柱坐标式球坐标式关节式直线行走效率ACCB绝对精度ABCD灵活性CBBA稳定性ABCD系统结构简单性和可靠性ABBC系统布置灵活性与占地面积CBBA工作范围CBBA工作环境遮蔽性(焊渣等)CBBA运动轨迹控制难易度ABCD成本低ABCD从上表中可以看出,直角坐标式、圆柱坐标式和关节式是较为理想的结构形式,为确定最终坐标形式,特进行具体分析。车门、侧围等焊接对象的大多数焊点呈现以下规律:(1)近似趋向于单轴分布,在其他两轴上的位置波动相对较小,这有利于焊枪的近似直线行走;(2)焊点分布相对密集、间隔比较均匀,故焊枪的位姿调整速度波动不大,运动相对平稳。所以,相比与关节式机器人来说,直角坐标式或圆柱坐标式焊接机器人的本身结构决定了其在此类焊接对象上的应用优势,具体来说:(1)运动精度与平稳性焊枪的起焊点位姿调整好后,一般是沿着单轴向进行大位移,同时协同进行其他两轴向上的小位移,因此,直角坐标式机器人更加能够保证运动的精度和平稳性,圆柱坐标式机器人次之;而对于关节式机器人来说,焊枪要走近似直线的轨迹一般需要多轴的严格联动才能实现,其运动精度和平稳性显然不如前者。(2)系统的结构及刚性关节式焊接机器人属于一种链式结构,各个关节是转动副,在这些关节处也是转动驱动。所以整个机器的刚性或稳定性主要取决于各个关节驱动装置的自锁能力和关节的刚性。要有自锁能力可以安装自锁装置或采用具有自锁能力的减速器,这就不可避免增加了各个关节链中的重量,系统的结构比较复杂。直角坐标式机器人虽然也是一种串联式结构,但结构的稳定性或刚性基本是依靠各个连接板的紧固来保证的,与整机的刚性没有直接关系;圆柱坐标式机器人在基座的转动关节是直接关系整机刚性的,相比与直角坐标式机器人来说,其刚性稍差。对于直角坐标式或圆柱坐标式机器人来说,为了保证系统的整体刚性和工作范围,一般其实现各自由度运动的部件尺寸要求比较大,显然不如关节式机器人的构形那样精益,且其运动灵活性和工作空间的低占用率也不如关节式机器人。(3)控制难度多数情况下直角坐标式或圆柱坐标式焊接机器人的各个轴是分别运动,...

1、当您付费下载文档后,您只拥有了使用权限,并不意味着购买了版权,文档只能用于自身使用,不得用于其他商业用途(如 [转卖]进行直接盈利或[编辑后售卖]进行间接盈利)。
2、本站所有内容均由合作方或网友上传,本站不对文档的完整性、权威性及其观点立场正确性做任何保证或承诺!文档内容仅供研究参考,付费前请自行鉴别。
3、如文档内容存在违规,或者侵犯商业秘密、侵犯著作权等,请点击“违规举报”。

碎片内容

一体焊方案分析

您可能关注的文档

确认删除?
VIP
微信客服
  • 扫码咨询
会员Q群
  • 会员专属群点击这里加入QQ群
客服邮箱
回到顶部