电脑桌面
添加小米粒文库到电脑桌面
安装后可以在桌面快捷访问

侧石施工方案VIP免费

侧石施工方案_第1页
1/6
侧石施工方案_第2页
2/6
侧石施工方案_第3页
3/6
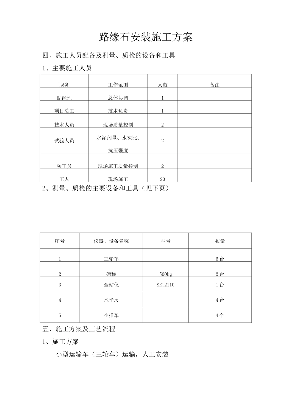
路缘石安装施工方案四、施工人员配备及测量、质检的设备和工具1、主要施工人员职务工作范围人数备注副经理总体协调1项目总工技术负责1技术人员现场质量控制2试验人员水泥剂量、水灰比、抗压强度2领工员现场施工质量控制2工人现场施工202、测量、质检的主要设备和工具(见下页)序号仪器、设备名称型号数量1三轮车6台2磅称500kg2台3全站仪SET21101台4水平尺4台5小推车4个五、施工方案及工艺流程1、施工方案小型运输车(三轮车)运输,人工安装2、工艺流程养生好的路缘石预制运输-施工放样安装调整勾缝-二次养护十砂浆拌和、运输六、主要施工方法1、路缘石检查对运到施工现场的路缘石再次进行检查,应轻拿轻放,避免损坏,强度不合格、色泽不一致、外观尺寸误差5mm、表观难看(指有掉边、角、蜂窝、麻面、颜色不一致等现象)的不使用。2、测量放样上基层施工完并经监理工程师验收合格后,路缘石安装前,应校核道路中线,测设路缘石安装控制桩,直线段桩距为10m,曲线段不大于5m,路口为1〜5m。按照设计高程进行控制测量。3、路缘石运输按设计尺寸精确放样后,用运输车把路缘石从预制场运到安装地点进行安装。路缘石预制件在运输过程中,应轻拿轻放,避免损坏。运到施工现场的路缘石要及时安装,若不能及时安装完毕的路缘石及其他材料,要沿基础一侧把路缘石依次摆放整齐,不能影响路容路貌。4、路缘石安装①砂浆垫层和勾缝砂浆严格按试验室给的配比进行拌和,勾缝砂浆采用细砂,标号满足施工图要求。砂浆垫层采用M2.5砂浆,配合比为水泥:砂:水=165:1450:140(每立方用量)勾缝砂浆采用M10砂浆,配合比为水泥:砂:水=244:1450:260(每立方用量)②统一采用坐浆法施工,垫层砂浆厚10mm,不允许污染路缘石和路面。人工按放线位置安装路缘石。安装前,基础要先清理干净,并保持湿润。安装时,先用线绳控制路缘石的直顺度,再用水平尺进行检查,合格后采用高标号的水泥砂浆设计进行勾缝。路缘石砌筑应平顺,相邻路缘石缝用8mm厚木条或塑料条控制,缝隙宽不应大于10mm,相邻路缘石的缝隙应封严且均匀一致,路缘石与路面无缝隙、不漏水。③事先计算好每段路口路缘石块数,路缘石调整块应用机械切割成型。路缘石安装时要与泄水槽的喇叭口、结构物圆滑地相接,线条直顺,曲线圆滑美观。④路缘石的安装速度应能满足现场施工的需要,必须在上面层施工之前安装好。⑤路缘石安装完后,及时回填夯打密实路肩或中央带后背的回填土。⑥路缘石安装后,必须再挂线,调整侧石至顺直、圆滑、平整,对侧石进行平面及高程检测,每20m检测一点,当平面及高程超过标准时应进行调整。⑦场地清理:路缘石安装完毕后,及时对有污染的场地和路面进行清理。5、勾缝及养护①勾缝前先将侧石缝内的土及杂物剔除干净,并用水润湿,然后用符合设计要求的水泥砂浆灌缝填充密实后勾平,用弯面压子压成凹型。用软扫帚除多余灰浆,并应适当洒水养护。②侧石背后宜用水泥混凝土浇筑三角支撑,还土应用素土或石灰土夯实,夯实宽度不应小于500mm,每层厚度不应大于150mm。6、检测及二次养生施工中采用水平尺进行控制,埋砌应稳固,顶面平整,线条顺直,曲线圆顺,缝宽均匀,勾缝密实,无杂物污染,然后采用不掉色麻袋覆盖进行二次养生。检测的实测项目:项次检查项目允许偏差检查方法和频率1混凝土强度(MP)a$20按规范及监理指定数量2断面尺寸W80土5尺量:2处按构件总数的30%(mm)>80土103长度(mm)+5,—10尺量七、质量保证措施1、健全质量管理机构,完善以施工负责人,现场负责人结合施工班组为一体的质量控制体系,实行岗位责任制,每道工序,每个施工环节实行定人、定岗、定责并有明确的奖惩措施。2、加强质量意识教育,增强全体人员质量观念,做好施工交底和上岗前的培训,将技术标准,质量要求,施工操作方法向每一个参加施工的人员交待清楚,做到人人心中有数,使工程处于全面受控状态。3、施工前,严格按技术要求和监理程序进行原材料试验和配合比组成设计。4、加强工序间的质量控制和施工过程控制,技术人员跟班作业,随时督促检查施工、试验人员的工作结果,用数据正确指导施工。加强自检,及时纠正施工,不合格...

1、当您付费下载文档后,您只拥有了使用权限,并不意味着购买了版权,文档只能用于自身使用,不得用于其他商业用途(如 [转卖]进行直接盈利或[编辑后售卖]进行间接盈利)。
2、本站所有内容均由合作方或网友上传,本站不对文档的完整性、权威性及其观点立场正确性做任何保证或承诺!文档内容仅供研究参考,付费前请自行鉴别。
3、如文档内容存在违规,或者侵犯商业秘密、侵犯著作权等,请点击“违规举报”。

碎片内容

侧石施工方案

wxg+ 关注
实名认证
内容提供者

该用户很懒,什么也没介绍

确认删除?
VIP
微信客服
  • 扫码咨询
会员Q群
  • 会员专属群点击这里加入QQ群
客服邮箱
回到顶部