电脑桌面
添加小米粒文库到电脑桌面
安装后可以在桌面快捷访问

建筑陶瓷制品企业设备设施风险分级管控清单VIP免费

建筑陶瓷制品企业设备设施风险分级管控清单_第1页
1/20
建筑陶瓷制品企业设备设施风险分级管控清单_第2页
2/20
建筑陶瓷制品企业设备设施风险分级管控清单_第3页
3/20
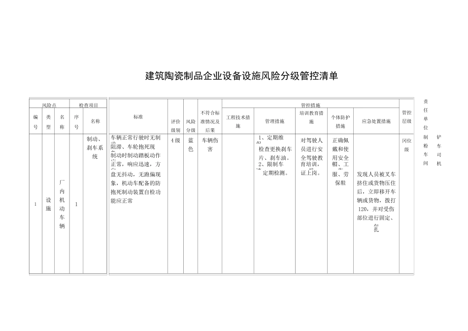
建筑陶瓷制品企业设备设施风险分级管控清单风险点检查项目编类名序名称号型称号1设施厂内机动车辆1制动、刹车系统标准评价级别风险分级不符合标准情况及后果管控措施管控层级工程技术措施管理措施培训教育措施个体防护措施应急处置措施车辆正常行驶时无制动4级蓝车辆伤1、定期维保、对驾驶人正确佩冈位阻滞、车轮抱死现象,色害检查更换刹车员进行安戴和使级制动时制动踏板动作应片、刹车油。全驾驶教用安全正常,响应迅速,方向2、限制车速,育培训,持帽、工作盘无抖动,无跑偏现象,机动车配备的防抱死制动装置自检功能应正常定期检测。证上岗。服、劳保鞋发现人员被叉车挤住或货物压住后,立即移开车辆或货物,拨打120,并对受伤部位进行固定、包扎责任单位制粉车间铲车司机2灯光、喇叭1、照明及信号装置应齐全,工作正常,各种灯光变换功能正常,对称设置功能相同灯具的光;、喇叭能有效发声。4级蓝色车辆伤害定期检查灯光亮度及变换是否正常,喇叭能够有效发声。1.培训正确的搬运方式;2•学习事故案例,提高安全意识I_LJ[亠冈位级制粉车间铲车司机3轮胎同轴两侧应装用同一型号、规格和花纹的轮胎,轮胎螺栓齐全、紧固,轮胎胎面、胎壁不应有长度超过25mm或深度足以暴露出轮胎帘布层的破裂和割伤及其他影响使用的缺损、异常磨损和变形4级蓝色车辆伤害定期维保、检测,检查轮胎外观,不符合要求应及时更换,保证胎压正常。I_LJ[亠冈位级制粉车间铲车司机4油箱、油路燃料箱固定可靠,不漏油,燃料管路与其他部件不应有碰擦,不应有明显老化,无滴漏破损4级蓝色火灾定期维保、检测,检查油、线路。立即利用灭火器扑救,通知周边人员组织扑救及疏散,并拨打119I_LJ[亠冈位级制粉车间铲车司机2设施喂料机1基础1、电机基础无破损、开裂现象2、电机无过大震动4级蓝色其他伤害基础使用螺栓紧固1、定期巡查基础有无开裂2、定期检查电机有无过大震动发现人员受伤后,立即移开吊物,拨打120,并对受伤部位进行固定、包扎I_LJ[亠冈位级制粉车间喂料工2设备主体安装完整,螺丝齐全,各零部件灵活好用4级蓝色机械伤害设备主体安装完整1、定期检查螺丝是否齐全,各部件是否灵活牢固。2、对设备进行日常保养I_LJ[亠冈位级制粉车间喂料工3设备接地电机外壳、设备主体均应进行接地4级蓝色触电伤害电机外壳、设备主体进行接地1、定期巡检接地线是否可靠接地定期对巡检人员进行安全用电培训发现人员触电后,立即断电,或使用绝缘物体使人员脱离带电体,并拨打120,如出现心跳、呼吸停止立刻进行心肺复苏I_LJ[亠冈位级制粉车间喂料工4皮带轮、传动轴等部位防护齐全有效D级\4级蓝色机械伤害皮带轮、传动轴等部位均设置防护装置不定期检查防护装置的有效性学习事故案例,提高安全意识人员受伤后,立即按下急停或断电,拨打120,对受伤部位进行固定、包扎I_LJ[亠冈位级制粉车间球磨工5设备电源一机一闸一漏保接入电源;控制标识清晰;电源线无破损,发热等现象。4级蓝色触电、火灾按照一机一闸一漏保接入电源1、每班检查控制开关标识是否清楚。2、定期检查电源是否破损。定期对操作人员进行安全用电培训立即利用灭火器扑救,通知周边人员组织扑救及疏散,并拨打119I_LJ[亠冈位级制粉车间球磨工3设施输送带1皮带端头皮带端头防护装置齐全4级蓝色机械伤害设置防护罩或栏杆不定期巡查防护是否齐全1•学习球磨岗位安全操作规程;2.学习事故案例,提高安全意识发现人员受伤后,立即按下急停或断电,拨打120,并对受伤部位进行固定、包扎I_LJ[亠冈位级制粉车间球磨工2皮带沿线1、皮带沿线防护齐全。2、沿线有随时紧急停车的急停装置3、皮带无跑偏4级蓝色机械伤害1、设置防护栏杆2、皮带沿线安装急停开关3、安装皮带纠偏装置1、不定期巡查防护是否齐全2、定期检查急停开关是否有效3、不定期检查皮带是否跑偏发现人员受伤后,立即按下急停或断电,拨打120,并对受伤部位进行固定、包扎I_LJ[亠冈位级制粉车间球磨工3皮带电机皮带电机油位正常,运转时无异响,电机接地可靠4级蓝色触电电机安装可靠接地线1、定期检查电机油位。2、运行时不定期检查电机有无异响。3、定期检查接地线的可靠性人员触电后,立...

1、当您付费下载文档后,您只拥有了使用权限,并不意味着购买了版权,文档只能用于自身使用,不得用于其他商业用途(如 [转卖]进行直接盈利或[编辑后售卖]进行间接盈利)。
2、本站所有内容均由合作方或网友上传,本站不对文档的完整性、权威性及其观点立场正确性做任何保证或承诺!文档内容仅供研究参考,付费前请自行鉴别。
3、如文档内容存在违规,或者侵犯商业秘密、侵犯著作权等,请点击“违规举报”。

碎片内容

建筑陶瓷制品企业设备设施风险分级管控清单

wxg+ 关注
实名认证
内容提供者

该用户很懒,什么也没介绍

确认删除?
VIP
微信客服
  • 扫码咨询
会员Q群
  • 会员专属群点击这里加入QQ群
客服邮箱
回到顶部