电脑桌面
添加小米粒文库到电脑桌面
安装后可以在桌面快捷访问

(完整版)初级车工实操试题VIP免费

(完整版)初级车工实操试题_第1页
1/18
(完整版)初级车工实操试题_第2页
2/18
(完整版)初级车工实操试题_第3页
3/18
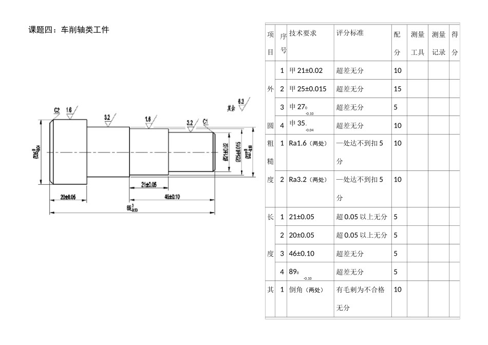
课题四:车削轴类工件项目序号技术要求评分标准配分测量工具测量记录得分1甲21±0.02超差无分10外2甲25±0.015超差无分153申270-0.10超差无分5圆4申35。-0.04超差无分10粗1Ra1.6(两处)—处达不到扣510糙分度2Ra3.2(两处)—处达不到扣510分长121±0.05超0.05以上无分5220±0.05超0.05以上无分5度346±0.10超差无分54890-0.10超差无分5其1倒角(两处)有毛剌为不合格10无分它2安全文明10车削步骤1•用三爪自定心卡盘夹牢毛坯外圆,露出长度不少于72mm,车右端面。2•粗精加工申21,申25,申27外圆至尺寸,并倒角。3•调头装夹申27外圆处,找正夹牢,车端面保证总长尺寸890。-0.104•粗精加工申35外圆至尺寸,并倒角符合要求。课题名称练习内容工件编号件号材料毛坯尺寸件数计划课时工时车削轴类工件车四台阶轴C4--1145#申38x951件10学时2小时/人课题四:车削轴类工件项目序号技术要求评分标准配分测量工具测量记录得分1申25。-0.04超差无分10外2申20±0.05超差无分103申19+0.050超差无分10圆4甲24±0.02超差无分105甲28。-0.08超差无分1025±0L10车削步骤1•用三爪自定心卡盘夹牢毛坯外圆,露出长度不少于57mm,车右端面。2•粗精加工外圆申19x20,(p24x25用28至尺寸,并倒角。3•调头装夹申24外圆处0。-0.14•粗精加工外圆申20x2,找正夹牢,车端面保证总长尺寸983,申25x20至尺寸,并倒角符合要课题名称练习内容工件编号件号材料毛坯尺寸件数计划课时工时车削轴类工件车五台阶轴C4--2145#申30x1001件10学时2小时/人课题四:车削轴类工件项目序号技术要求评分标准配分测量工具测量记录得分外1申18±0.02超差无分102申23+0.030超差无分15圆3甲26。-0.05超差无分104甲17超0.2以上无分5粗1Ra1.6(两处)一处达不到扣510糙度分2Ra3.2达不到无分5长度1620-0.10超差无分4220+0.080超差无分8319±0.05超差无分8418超0.2以上无分5其它1倒角有毛剌为不合格无分102安全文明10车削步骤1•用三爪自定心卡盘夹牢毛坯外圆,露出长度不少于68mm,车右端面。2•粗精加工申26,申23,申18外圆至尺寸,切沟槽至申17,并倒角。3•用切断刀将工件切断保证切断长度大于总长62。4•调头装夹申18外圆处,找正夹牢。车端面保证总长尺寸62。课题名称练习内容工件编号件号材料毛坯尺寸件数计划课时工时车削轴类工件车台阶轴及沟槽C4--3145#C4-1工件1件10学时2小时/人课题四:车削轴类工件项序技术要求评分标准配分测量测量得目号工具记录分外1甲1&-0.2超差无分102(p130.080超差无分10圆3p1Oo(两处)-0.15超差无分10粗1Ra1.6(两处)一处达不到扣510糙分3./其其余:度2Ra3.2达不到无分5长138超0.2以上无分2224超0.2以上无分5度320超0.2以上无分3492超0.2以上无分10其1倒角2x45°有毛剌为不合格无分5它2安全文明10车削步骤1•用三爪自定心卡盘夹牢毛坯外圆,露出长度不少于38mm,车右端面。2•用90°偏刀分别车外圆申10x20,(p13x24,至尺寸,切沟槽至申10,并倒角。3调头装夹(门13外圆处找正夹牢车端面保证总长尺寸923・调头装夹屮13外圆处,找正夹牢。车U而面1保证总、长丿尺寸92。4•车外圆p18x38至尺寸,并倒角2x45°,检验合格后取下工件。课题名称练习内容工件编号件号材料毛坯尺寸件数计划课时工时车削轴类工件车台阶轴C4--4145#课题四工件1件10学时2小时/人课题六:车削外圆锥工件项目序号技术要求评分标准配分测量工具测量记录得分1申22+0.08+0.04超差无分5外2申210-0.15超差无分53甲23±0.02超差无分5圆4甲260-0.03超差无分105申26+0.030超差无分10车削步1•用三爪自定心卡盘夹牢毛坯右端外圆,露出长度不少于45mm,车右端面,粗加工申22,申26。2•调头装夹申26粗加工外圆处,露出长度不少于40mm,找正夹牢,车端面,粗精加工申23,申26外圆至尺寸,倒角。3•切外沟槽申21并保证宽度5,8,倒角。4•调头装夹申23外圆处,找正夹牢,精加工申22,申26外圆至尺寸,倒角。5•精加工1:10锥度到尺寸,倒角。课题名称练习内容车削轴类工件外圆锥工件编号C6--2件号材料45#毛坯尺寸甲28x70件数计划课时工时1件10学时2小时/人课题六:车削外圆锥工件c>1:10C2项目序号技术要求评分标准配分测量工具测量记录得分外1甲20±0....

1、当您付费下载文档后,您只拥有了使用权限,并不意味着购买了版权,文档只能用于自身使用,不得用于其他商业用途(如 [转卖]进行直接盈利或[编辑后售卖]进行间接盈利)。
2、本站所有内容均由合作方或网友上传,本站不对文档的完整性、权威性及其观点立场正确性做任何保证或承诺!文档内容仅供研究参考,付费前请自行鉴别。
3、如文档内容存在违规,或者侵犯商业秘密、侵犯著作权等,请点击“违规举报”。

碎片内容

(完整版)初级车工实操试题

您可能关注的文档

确认删除?
VIP
微信客服
  • 扫码咨询
会员Q群
  • 会员专属群点击这里加入QQ群
客服邮箱
回到顶部