电脑桌面
添加小米粒文库到电脑桌面
安装后可以在桌面快捷访问

临时导流明渠施工方案VIP免费

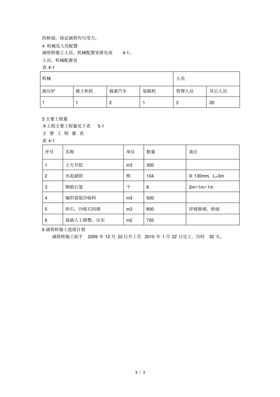
临时导流明渠施工方案_第1页
1/3
临时导流明渠施工方案_第2页
2/3
临时导流明渠施工方案_第3页
3/3
1/3陕西煤化能源有限公司100万t/a煤基二甲醚项目张代河水坝取水工程临时导流明渠施工方案编写:校核:批准:中国水利水电第三工程局有限公司长武项目部2010年4月1概述为便于本标段张代河水坝取水工程施工,拟在右岸进行临时导流明渠施工。导流明渠全长约301.75m,顶部高程EL.905.5m,底部高程EL.902.5m,上开口7m,下开口5m。2施工方案2.1临时导流明渠施工随进度及时开工,以便尽早形成左右岸贯通条件。2.2为便于冬季施工,保证施工质量,涵管桥必须采用分段围堰、临时导流的方式施工,拟定分幅宽度为20米。先在一侧修建一个连接河岸的椭圆形围堰,将涵管桥基础整平压实、沙袋铺垫好后,进行涵管桥吊装,待施工完毕具备过水条件时,再依此架设剩余的半幅涵管桥,至整体施工完毕。2.3由于本标现场施工道路条件限制,涵管材料只能运至上游部位集中堆放,只能先施工上游部位涵管桥。2.4水、电供应2.4.1利用开挖及支护工程现有供电系统引入。2.4.2直接取用黑河水。3施工程序及方法3.1涵管桥施工涵管桥施工工艺流程见框图3-1。2/33.1.1临时导流分两幅施工的方式施工,采取沙砾料和土料在河道中部填筑一道宽度为2米的临时围堰进行临时导流,待一幅施工完毕具备过水时,再进行另外半幅施工。3.1.2基础处理测量定出涵管桥中心线,采用推土机、液压铲为主,人工为辅对涵管基础进行整平压实,如遇软弱部位基础,可采用沙砾石换填压实处理,人工修找平整,机械压实。涵管桥施工艺流程图表3-13.1.3涵管安装涵管由业主提供。进行涵管的安装工作,因涵管体积较大,重量较轻,采用人工配合小型吊装设备进行就位安装。安装前检查涵管的成品质量。吊装前人工将沙袋码放在涵管两端底部位置,以保证涵管的稳定。按顺序依次吊装排放。3.1.4岸坡处理两岸坡采用块石或砂砾石土进行换填,设备压实。岸坡与涵管衔接处采用块石或铅丝围笼防护,防止水流冲刷,以保证涵管基础不受破坏。3.1.5桥面施工涵管安装完成后,用沙袋在涵管顶部两端分别码放高度70cm的沙袋,防止桥面填筑料被水冲刷,造成桥面破坏,在沙袋中间部位填筑厚度1.0m的沙粒石和土的混合料,作为涵管桥施工准备、平整场地临时围堰修筑测量放线涵管桥基础处理涵管吊装固定岸坡处理桥面施工交工验收清理施工现场涵管采购3/3的桥面,保证涵管均匀受力。4机械及人员配置涵管桥施工人员、机械配置安排见表4-1。人员、机械配置表表4-1机械人员液压铲推土机机载重汽车装载机管理人员其它人员11213205主要工程量本工程主要工程量见下表5-1主要工程量表表4-1序号名称单位数量备注1土方开挖m33002水泥涵管根104Φ130mm,L=3m3钢筋石笼个82m×1m×1m4编织袋装沙砾料m35005块石、沙砾石回填m3800岸坡换填、桥面6基础人工修整、压实m27206涵管桥施工进度计划涵管桥施工拟于2009年12月22日开工至2010年1月22日完工,历时30天。

1、当您付费下载文档后,您只拥有了使用权限,并不意味着购买了版权,文档只能用于自身使用,不得用于其他商业用途(如 [转卖]进行直接盈利或[编辑后售卖]进行间接盈利)。
2、本站所有内容均由合作方或网友上传,本站不对文档的完整性、权威性及其观点立场正确性做任何保证或承诺!文档内容仅供研究参考,付费前请自行鉴别。
3、如文档内容存在违规,或者侵犯商业秘密、侵犯著作权等,请点击“违规举报”。

碎片内容

临时导流明渠施工方案

确认删除?
VIP
微信客服
  • 扫码咨询
会员Q群
  • 会员专属群点击这里加入QQ群
客服邮箱
回到顶部