电脑桌面
添加小米粒文库到电脑桌面
安装后可以在桌面快捷访问

二建政公用工程管理与实务案例题及标准答案VIP免费

二建政公用工程管理与实务案例题及标准答案_第1页
1/23
二建政公用工程管理与实务案例题及标准答案_第2页
2/23
二建政公用工程管理与实务案例题及标准答案_第3页
3/23
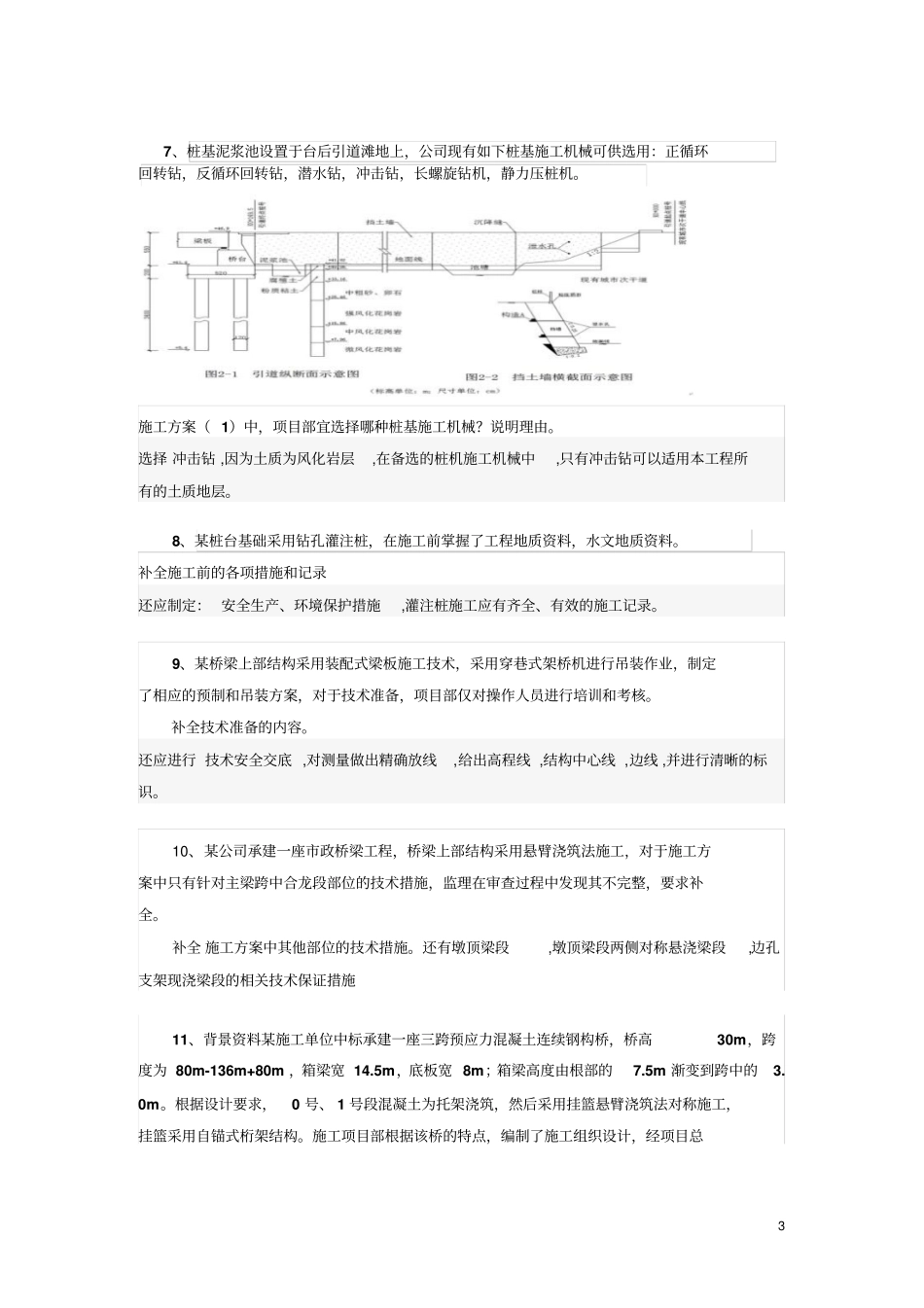
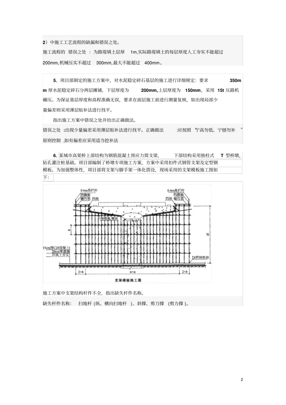
11、某项目部承建一城市主干路工程。该道路总长2.6km,其中0K+550~1K+220穿过农田,地表存在0.5m的种植土。道路宽度为30m,路面结构为:20cm石灰稳定土底基层,40cm石灰粉煤灰稳定砂砾基层,15cm热拌沥青混凝土面层;路基为0.5~1.0m的填土。在农田路段路基填土施工时,项目部排除了农田积水,在原状地表土上填方0.2m,并按≥93%的压实度标准(重型击实)压实后达到设计路基标高。指出农田路段路基填土施工措施中的错误,请改正。错误之处:没有清除地表的种植土,直接在农田原状土上填土;压实度控制标准按≥93%控制。正确做法:应清除地表的种植土;清除地表种植土后回填路基应分层填土,分层压实;该道路为城市主干路,路床顶面下0~80cm时,土路基压实度标准(重型击实)≥95%。2、项目部在路基正式压实前选取了200m作为试验段,通过试验确定了合适吨位的压路机和压实方式。除确定合适吨位的压路机和压实方式外,试验段还应确定哪些技术参数?参考答案:除确定合适吨位的压路机和压实方式外,试验段还应取得路基施工相关技术参数,确定路基预沉值;按压实度要求确定压实遍数;确定路基宽度内每层虚铺厚度3、事件一:项目技术负责人现场检查时发现压路机碾压时先高后低,先快后慢,先静后振,由路基中心向边缘碾压。技术负责人当即要求操作人员停止作业,并指出其错误要求改正。分别指出事件一中压实作业的错误之处并写出正确做法。事件一错误之处:压路机碾压时先高后低,先快后慢,由路基中心向边缘碾压错误。正确做法:应遵循的原则:压实应遵循“先低后高、先慢后快、先两边后中间“的原则。4、某公司承建的市政桥梁工程中,桥梁引道与现有城市次干道呈T型平面交叉,次干道边坡坡率1:2,采用植草防护;引道位于种植滩地,线位上现存池塘一处(长15m,宽12m,深1.5m);引道路堤在挡土墙及桥台施工完成后进行,路基用合格的土方从现有城市次干道倾倒入路基后用机械摊铺碾压成型。施工工艺流程图如下:1)结合图2-1,补充好改正施工方案:本工程的施工方案还应该补充:①地表以下的腐殖土要挖除外运;②施工前做试验确定压摊铺压实参数;③次干路边坡修正台阶;④测量工作,做出每层填土高度标记;⑤桥台台背路基填土加筋;⑥挡墙根部小型机具夯实;⑦压实度的检测。22)中施工工艺流程的缺漏和错误之处。施工流程的错误之处:为路堤填土层厚1m,实际路堤填土的每层厚度人工夯实不能超过200mm,机械压实不超过300mm,最大不能超过400mm。5、项目部制定的施工方案中,对水泥稳定碎石基层的施工进行详细规定:要求350mm厚水泥稳定碎石分两层摊铺,下层厚度为200mm,上层厚度为150mm,采用15t压路机碾压。为保证基层厚度和高程准确无误,要求在面层施工前进行测量复核,如出现局部少量偏差则采用薄层贴补法进行找平。指出施工方案中错误之处并给出正确做法。错误之处:出现少量偏差采用薄层贴补法进行找平。正确做法:应按照“宁高勿低、宁刨勿补”原则控制,如有偏差应采用适当挖补法6、某城市高架桥上部结构为钢筋混凝土预应力简支梁,下部结构采用独柱式T型桥墩,钻孔灌注桩基础。项目部编制了桥墩专项施工方案,方案中采用扣件式钢管支架及定型钢模板。为加强整体性,项目部将支架与脚手架一体化搭设,现场采用的支架模板施工图如下:施工方案中支架结构杆件不全,指出缺失杆件名称。缺失杆件名称:扫地杆(纵、横向扫地杆)、斜撑、剪刀撑(剪力撑)。37、桩基泥浆池设置于台后引道滩地上,公司现有如下桩基施工机械可供选用:正循环回转钻,反循环回转钻,潜水钻,冲击钻,长螺旋钻机,静力压桩机。施工方案(1)中,项目部宜选择哪种桩基施工机械?说明理由。选择冲击钻,因为土质为风化岩层,在备选的桩机施工机械中,只有冲击钻可以适用本工程所有的土质地层。8、某桩台基础采用钻孔灌注桩,在施工前掌握了工程地质资料,水文地质资料。补全施工前的各项措施和记录还应制定:安全生产、环境保护措施,灌注桩施工应有齐全、有效的施工记录。9、某桥梁上部结构采用装配式梁板施工技术,采用穿巷式架桥机进行吊装作业,制定了相应的预制和吊装方案,对于技术准备,项目部仅对操作人员进行培训和考核。补全技术准备的...

1、当您付费下载文档后,您只拥有了使用权限,并不意味着购买了版权,文档只能用于自身使用,不得用于其他商业用途(如 [转卖]进行直接盈利或[编辑后售卖]进行间接盈利)。
2、本站所有内容均由合作方或网友上传,本站不对文档的完整性、权威性及其观点立场正确性做任何保证或承诺!文档内容仅供研究参考,付费前请自行鉴别。
3、如文档内容存在违规,或者侵犯商业秘密、侵犯著作权等,请点击“违规举报”。

碎片内容

二建政公用工程管理与实务案例题及标准答案

您可能关注的文档

确认删除?
VIP
微信客服
  • 扫码咨询
会员Q群
  • 会员专属群点击这里加入QQ群
客服邮箱
回到顶部