电脑桌面
添加小米粒文库到电脑桌面
安装后可以在桌面快捷访问

富士IGBT模块应用手册 -6章 散热设计方法VIP免费

富士IGBT模块应用手册 -6章 散热设计方法_第1页
1/14
富士IGBT模块应用手册 -6章 散热设计方法_第2页
2/14
富士IGBT模块应用手册 -6章 散热设计方法_第3页
3/14
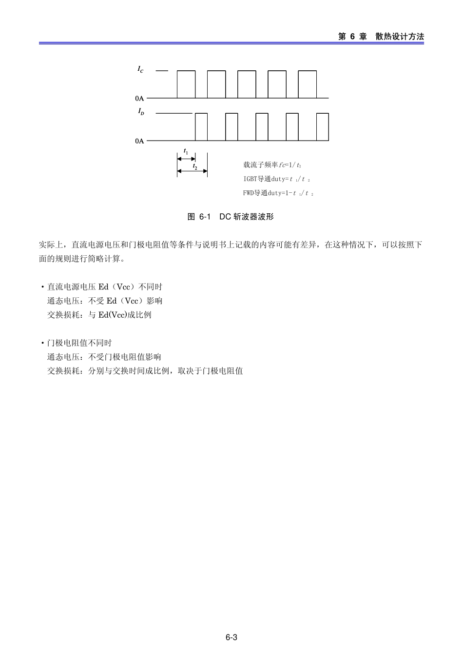
Qualityisourmessage6-1第6章散热设计方法目录1.发生损耗的计算方法........................................................................................6-22.散热器(冷却体)的选定方法..........................................................................6-73.IGBT模块的安装方法.....................................................................................6-10本章对散热设计进行说明。为了使IGBT安全工作,必须确保结温(Tj)不超过Tjmax。当然,不仅在额定负荷的范围内时需要确保,在超负荷等异常情况下,也必须控制在Tjmax以下。因此,进行热设计时要保证有充分余量。第6章散热设计方法6-21发生损耗的计算方法1.1关于损耗IGBT模块由IGBT部和FWD部构成,它们各自发生的损耗的合计即为IGBT模块整体的发生损耗。另外,发生损耗的情况可分为稳态时和交换时。如对上述内容进行整理可表述如下。发生损耗的原因稳态损耗(Past)仅晶体管部的损耗(PTr)开通损耗(Pon)交换损耗(Psw)IGBT模块单位元件的总发生损耗(Ptotal)关断损耗(Poff)稳态损耗(PF)仅FWD部的损耗(PFWD)交换损耗(反向恢复损耗)(Prr)无论IGBT部还是FWD部的稳态损耗均可通过输出特性计算。同时,交换损耗能通过交换损耗-集电极电流特性计算。根据计算出的发生损耗进行散热设计,保证结温Tj不超过设计值。因此,在此使用的通态电压和交换损耗的值,通常使用结温Tj为设计值(推荐Tj=125℃)时的数据。这些特性数据均记载在说明书中,请参考。1.2使用DC斩波器时发生损耗的计算方法使用DC斩波器时,可以将IGBT或FWD中流过的电流认为是连续的矩形波,从而简单地进行近似计算。图6-1即表示近似的DC斩波器的波形,集电极电流为IC时的饱和电压、交换损耗分别为VCE(sat)、Eon、Eoff,FWD正向电流为IF时的通态电压、反向恢复损耗分别为VF、Eon、Eoff,发生损耗可如下计算:IGBT发生损耗(W)=稳态损耗+开通损耗+关断损耗offonCsatCEEEfcIVtt)(/21FWD发生损耗(W)=稳态损耗+反向恢复损耗rrFFEfcVItt)2/11(第6章散热设计方法6-3图6-1DC斩波器波形实际上,直流电源电压和门极电阻值等条件与说明书上记载的内容可能有差异,在这种情况下,可以按照下面的规则进行简略计算。·直流电源电压Ed(Vcc)不同时通态电压:不受Ed(Vcc)影响交换损耗:与Ed(Vcc)成比例·门极电阻值不同时通态电压:不受门极电阻值影响交换损耗:分别与交换时间成比例,取决于门极电阻值ICID0A0At2t1キャリア周波数fC=1/t2IGBTオンduty=t1/t2FWDオンduty=1-t1/t2ICID0A0At2t1キャリア周波数fC=1/t2IGBTオンduty=t1/t2FWDオンduty=1-t1/t2载流子频率fc=1/t2IGBT导通duty=t1/t2FWD导通duty=1-t1/t2第6章散热设计方法6-41.3正弦波VVVF变频器应用时发生损耗的计算方法-101制御信号と変調信号出力電流ICIGBT側電流FWD側電流2MI2MI2223MI2MI2-101制御信号と変調信号出力電流ICIGBT側電流FWD側電流2MI2MI2223MI2MI2控制信号与调制信号输出电流ICIGBT侧电流FWD侧电流2π图6-2PWM变频器的输出电流通过VVVF变频器等进行PWM控制时,如图6-2所示,由于电流值与动作状态始终在变化,因此发生损耗的详细计算需要运用计算机模拟技术等。但是,由于其计算方法过于复杂,在此介绍一下运用近似式进行简略计算的方法。1)前提条件在进行计算时,以下列内容为前提条件。·应为正弦波电流输出三相PWM控制VVVF变频器·为通过正弦波、三角波比较的PWM控制·输出电流为理想的正弦波2)稳态损耗(Psat、PF)的计算方法IGBT和FWD的输出特性如图6-3所示,从说明书的数据可以得出近似值。第6章散热设计方法6-5因此,稳态损耗为IGBT侧的稳态损耗xsatCECsatdVIDTP0)(RIVIDTMOM22221FWD侧的稳态损耗RIVIDFPMOMF22221在此,DT、DF:在输出电流半波上的IGBT及FWD的平均导通率在输出电流半波上的IGBT及FWD的平均导通率为如图6-4所示的特性。ICあるいはIF(A)VCEあるいはVF(V)RV0VCE(sat)=V0+R・ICVF=V0+R...

1、当您付费下载文档后,您只拥有了使用权限,并不意味着购买了版权,文档只能用于自身使用,不得用于其他商业用途(如 [转卖]进行直接盈利或[编辑后售卖]进行间接盈利)。
2、本站所有内容均由合作方或网友上传,本站不对文档的完整性、权威性及其观点立场正确性做任何保证或承诺!文档内容仅供研究参考,付费前请自行鉴别。
3、如文档内容存在违规,或者侵犯商业秘密、侵犯著作权等,请点击“违规举报”。

碎片内容

富士IGBT模块应用手册 -6章 散热设计方法

确认删除?
VIP
微信客服
  • 扫码咨询
会员Q群
  • 会员专属群点击这里加入QQ群
客服邮箱
回到顶部