电脑桌面
添加小米粒文库到电脑桌面
安装后可以在桌面快捷访问

一、液压提升装置VIP免费

一、液压提升装置_第1页
1/14
一、液压提升装置_第2页
2/14
一、液压提升装置_第3页
3/14
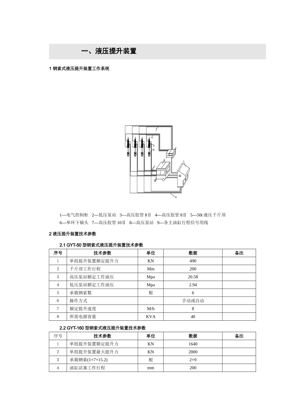
一、液压提升装置1钢索式液压提升装置工作系统1---电气控制柜2---低压泵站3---高压胶管8Ⅱ4---高压胶管8Ⅱ5---50t液压千斤顶6---单环下锚头7---高压胶管10Ⅱ8---高压泵站9---各主油缸行程信号用线2液压提升装置技术参数2.1GYT-50型钢索式液压提升装置技术参数序号技术参数单位数据备注1单组提升装置额定提升力KN4902千斤顶工作行程Mm2003高压泵站额定工作油压Mpa20.584低压泵站额定工作油压Mpa2.945承载钢索数根66操作方式手动或自动7额定提升速度M/h88所需电源容量KVA402.2GYT-160型钢索式液压提升装置技术参数序号技术参数单位数据备注1单组提升装置额定提升力KN16402单组提升装置最大提升力KN20003承载钢索(1×7×15.2)根2×94油缸活塞工作行程mm200序号技术参数单位数据备注5液压系统额定工作压力Mpa216液压泵站额定压力7千斤顶活塞面积cm2784.28推力侧(返程)58.99提升速度M/h610运行方式一个泵站供一个千斤顶11操作方式手动操作按钮12带载提升手动开爪13带载下降操作按钮14液压千斤顶,外形尺寸Mm1150×525×173015重量Kg150016液压泵站,外形尺寸Mm1340×880×127017重量Kg带油8002.3GYT-200型钢索式液压提升装置技术参数序号技术参数单位数据备注1单组提升装置额定提升力KN19602单组提升装置最大提升力KN23523承载钢索(1×7×15.2)根2×124油缸活塞工作行程mm2005液压系统额定工作压力Mpa286液压泵站额定压力31.47千斤顶活塞面积cm27768推力侧(返程)509提升速度M/h610运行方式一个泵站供一个千斤顶11操作方式手动操作按钮12带载提升手动开爪13带载下降操作按钮14液压千斤顶,外形尺寸mm1200×570×173015重量Kg160016液压泵站,外形尺寸mm1350×975×127517重量Kg2.4SLU-200型钢索式液压提升装置技术参数序号技术参数单位数据备注1单组提升装置额定提升力KN16402单组提升装置最大提升力KN20003承载钢索(1×7×15.2)根2×94油缸活塞工作行程mm2005液压系统额定工作压力Mpa356液压泵站额定压力Mpa序号技术参数单位数据备注7千斤顶活塞面积cm24718推力侧(返程)mm319提升速度M/h610运行方式一个泵站供一个千斤顶11操作方式手动操作按钮12带载提升手动开爪13带载下降操作按钮14液压千斤顶,外形尺寸mm1150×470×173015重量Kg134016液压泵站,外形尺寸mm1180×800×110017重量Kg带油8003液压提升装置工作原理3.1液压提升装置用途及工作原理钢索液压提升装置(简称液压提升装置)是以液压油为动力的新型起重设备,用于特大、特重件的水平拉运、垂直提升和安装就位作业。此装置具有重量轻,体积小,操作简便,使用灵活,起重量大(40~2300t),提升高度高(可达100m以上)等特点。在施工场地狭小,大型起重机无法进入或起重机械不能满足起重量和起吊调试的情况下,更显示出它的优越性。液压提升装置,目前国内外,从结构分分类来讲有三种型式,第一种为棘爪式;第二种为棘条式;第三种为钢索式。一般国内常用为钢索式。因而本文主要介绍钢索式液压提升装置的工作原理。钢索液压提升装置注工作原理相当于带动钢丝绳上升(或下降)的液压千斤顶。当液压泵站将高压油供入千斤顶的大膛内,千斤顶的活塞外伸,并带动刚性联接的上卡座一起运动,此时上卡爪座的内锥面即压迫处于自由状态的三瓣活块(承载卡爪),使其收紧,卡爪内侧带有细锯齿,就可紧紧咬住穿过它的钢丝绳而提升悬挂重物。至活塞升到终点,上升动作停止。活塞作用油缸动作下降时,上卡座跟着返回下降,三瓣活块失去压迫而分开,放松钢丝绳。但当钢丝绳作微动下降时,却带着下活块进入下卡座内,因上卡座固定在支撑面上不动,故下卡座注风锥面压迫三瓣活块收缩,紧紧抱住钢丝绳册让继续下降,使唤重物停留册悬挂位置,但注卡座随同活塞回到原来位置。当高压油再次充入活塞大腔,上升动作重新开始。册升活塞这样反复升降,重物逐次上升(见表1,下降工作原理见表2)。这套操作过程是通过电气操作柜来完成的,每套提升装置承担的载荷由液压读数来确定,并由压力继电器加以控制保护。单组千斤顶GYT-50型钢丝绳为6根,GYT200型为24根,都左旋、右旋各一半,以防吊起重物时在空中转动。未吊重物前,每...

1、当您付费下载文档后,您只拥有了使用权限,并不意味着购买了版权,文档只能用于自身使用,不得用于其他商业用途(如 [转卖]进行直接盈利或[编辑后售卖]进行间接盈利)。
2、本站所有内容均由合作方或网友上传,本站不对文档的完整性、权威性及其观点立场正确性做任何保证或承诺!文档内容仅供研究参考,付费前请自行鉴别。
3、如文档内容存在违规,或者侵犯商业秘密、侵犯著作权等,请点击“违规举报”。

碎片内容

一、液压提升装置

您可能关注的文档

确认删除?
VIP
微信客服
  • 扫码咨询
会员Q群
  • 会员专属群点击这里加入QQ群
客服邮箱
回到顶部