电脑桌面
添加小米粒文库到电脑桌面
安装后可以在桌面快捷访问

汽水混合加热器安装和应用VIP免费

汽水混合加热器安装和应用_第1页
1/6
汽水混合加热器安装和应用_第2页
2/6
汽水混合加热器安装和应用_第3页
3/6
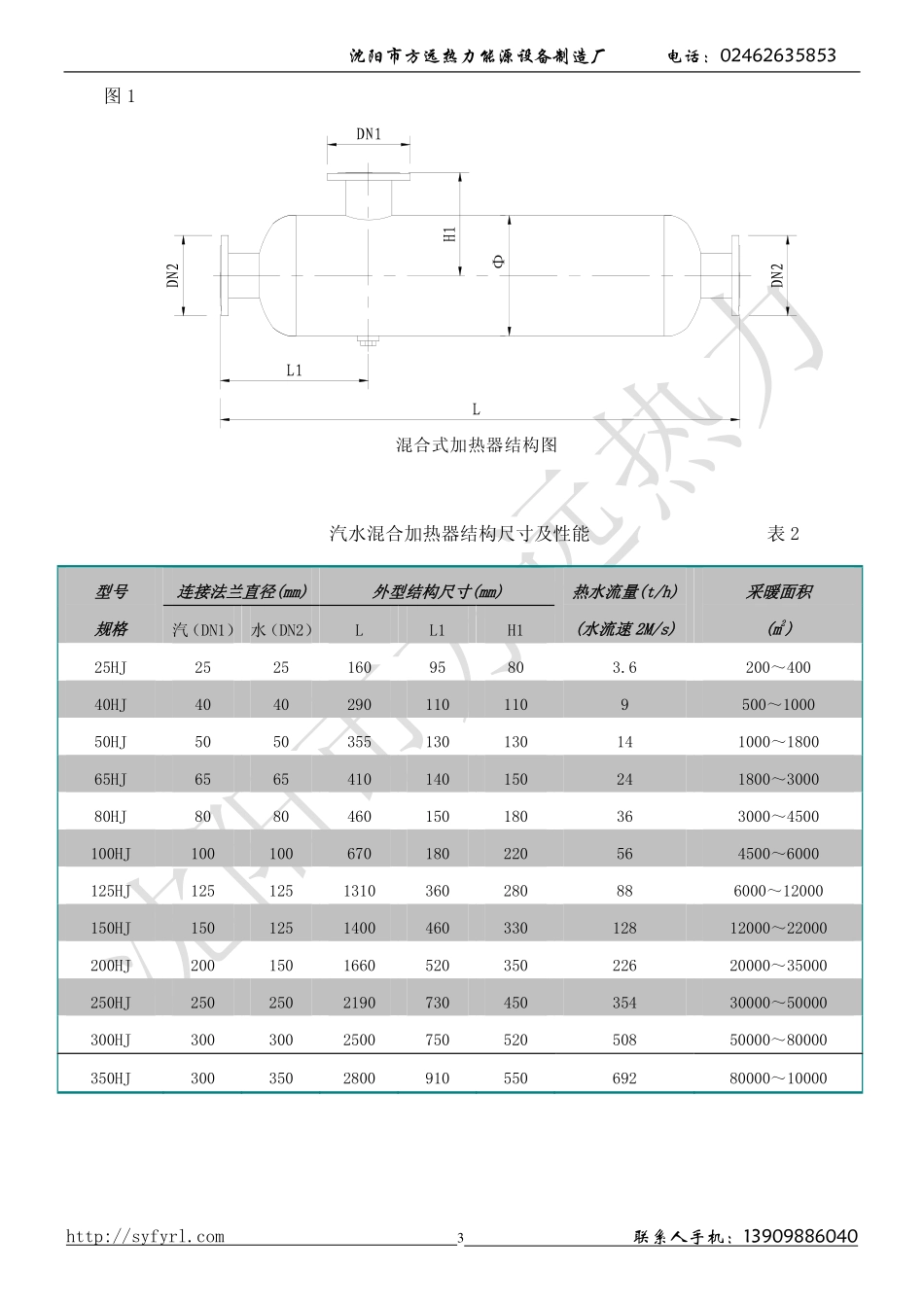
沈阳市方远热力能源设备制造厂电话:02462635853http://syfyrl.com1联系人手机:13909886040汽水混合加热器安装和应用一、前言汽水混合式加热器在供热系统里是一种最普通的供热设备。它体积小、结构简单、占地面积少、价格低、寿命长而且维修费用低。因此,汽水混合式加热器在热电联产的集中供热和某些企业的一炉多用系统中得到广泛地应用。沈阳市方远热力能源设备制造厂生产的汽水混合加热器,是在总结和吸收了国内外汽水直接混合加热器优点的基础上,并经过多年的现场安装实践研制出的HJ型汽水混合加热器。为此我们厂精心编制出混合加热器产品样本。在产品样本中系统地介绍了混合加热器的优点、性能和型号参数。并用多年安装的成功案例,绘制出混合加热器多种安装方法示意图,为广大用户提供了选择和安装方便。然而,某些单位为了走捷径把我们产品样本的技术成果进行了简单删改后窃为己有,把我们的样本变成他们的技术成果登载在百度的网站上进行宣传,把我单位产品安装现场实例照片占为己也有登载在自己的网页上,对这种行为我们感到非常无奈,请广大读者注意甄别!如有需要可直接登录我们的网站(http://syfyrl.com)或打电话,我们将竭诚为您服务二、汽-水混合式加热器简介汽水混合式加热器的主要特点是循环水压力和蒸汽压力相互制约关系比较小,蒸汽压力在不小于0.15MPa可正常运行,并且无噪音。是同等换热面积换热器中体积最小的换热器。由于加热器对蒸汽压力起点要求较低,尤其是在循环系统中有稳压装置,当循环水压力P≥0.3MPa时,蒸汽压力不小于0.1MPa就可以正常工作。因此,汽水混合加热器拓宽了换热领域的使用范围,可以充分利用各种蒸汽余热,是一种高效节能产品。在冷凝水不回收时,汽水混合加热器无疑是加热水系统中最佳的选择。三、汽水混合加热器特点1、热效高。汽—水混合系列加热器的热效率可达98%以上;2、加热迅速。比一般间接式换热器(管壳换热器、板换、列管换热器等)提高热效≥30%;弥补了现有蒸汽间接加热系统普遍存在的“跑冒滴漏”现象,充分利用了蒸汽的潜热。因此,在冷凝水不回收时蒸汽消耗量小于传统的汽水间接式换热器,可节省燃料30%以上;3、加热器体积小、占地面积少。汽水混合加热器与管壳式热交换器相比可节省安装面积70%。设备投资仅是管壳式换热器的30%~50%。4、使用寿命长;维修费用低。汽水混合加热器开启速度快,可迅速把冷水加热到所需要的设计温度,加热器在运行过程中操作灵活、工况稳定、没有噪声、调节方便。如果配装自动控制系统可减轻运行管理人员的操作和维修工作量。沈阳市方远热力能源设备制造厂电话:02462635853http://syfyrl.com2联系人手机:139098860405、当加热器安装在循环泵的入口时形式,蒸汽压力在低于循环水压力时,加热系统也能正常工作。尤其有稳压罐的系统,稳压罐保持了系统的自行平衡,对蒸汽压力波动适应较强,蒸汽压力不小于0.2MPa即可正常运行。适用于工业余热回收。6、不易结垢。即使在水质硬度较大的情况下使用结垢后也不降低换热效率。四、汽水混合加热器主要用途1、工业及民用建筑的采暖和热水供应。适用于宾馆、浴池、居民区、部队营房的采暖和生活用水;轻纺化工、制药、造纸、食品加工等行业的蒸汽锅炉一炉多用、生产用水和供暖系统;2、集中供热系统。供热行业的小区采暖、生活用水和各类工业生产过程中的余热利用;3、适应不同加热温差,不同加热方式。如一次性加热、循环水加热,包括供热采暖;4、热、电联产供热工程中交换高温热水、供热系统的尖峰加热、除氧器加热等。五、汽水混合加热器材质表汽水混合加热器适用范围较广,可以加热水和各种液体。加热特殊液体时可选择特殊材质。加热器材质选择见表1。(表中△为特殊材质)加热器的制造材质表1六、汽水混合加热器外型安装尺寸、工作性能加热器法兰采用《中华人民共和国机械行业标准》〈突面板式平焊钢制管法兰〉〔GB/T9119—2000〕标准。HJ型法兰压力为1.6MPa。连接尺寸见图1和表2。七、汽水混合加热器蒸汽用量(可参考表3)式中:Go-----------蒸汽用量t/h;G---------进加热器的水量t/h;C-----------水比热t/h;Iq---------蒸汽热焓kJ...

1、当您付费下载文档后,您只拥有了使用权限,并不意味着购买了版权,文档只能用于自身使用,不得用于其他商业用途(如 [转卖]进行直接盈利或[编辑后售卖]进行间接盈利)。
2、本站所有内容均由合作方或网友上传,本站不对文档的完整性、权威性及其观点立场正确性做任何保证或承诺!文档内容仅供研究参考,付费前请自行鉴别。
3、如文档内容存在违规,或者侵犯商业秘密、侵犯著作权等,请点击“违规举报”。

碎片内容

汽水混合加热器安装和应用

您可能关注的文档

海纳百川+ 关注
实名认证
内容提供者

热爱教学事业,对互联网知识分享很感兴趣

确认删除?
VIP
微信客服
  • 扫码咨询
会员Q群
  • 会员专属群点击这里加入QQ群
客服邮箱
回到顶部