电脑桌面
添加小米粒文库到电脑桌面
安装后可以在桌面快捷访问

铁路路基作业指导书VIP免费

铁路路基作业指导书_第1页
1/19
铁路路基作业指导书_第2页
2/19
铁路路基作业指导书_第3页
3/19
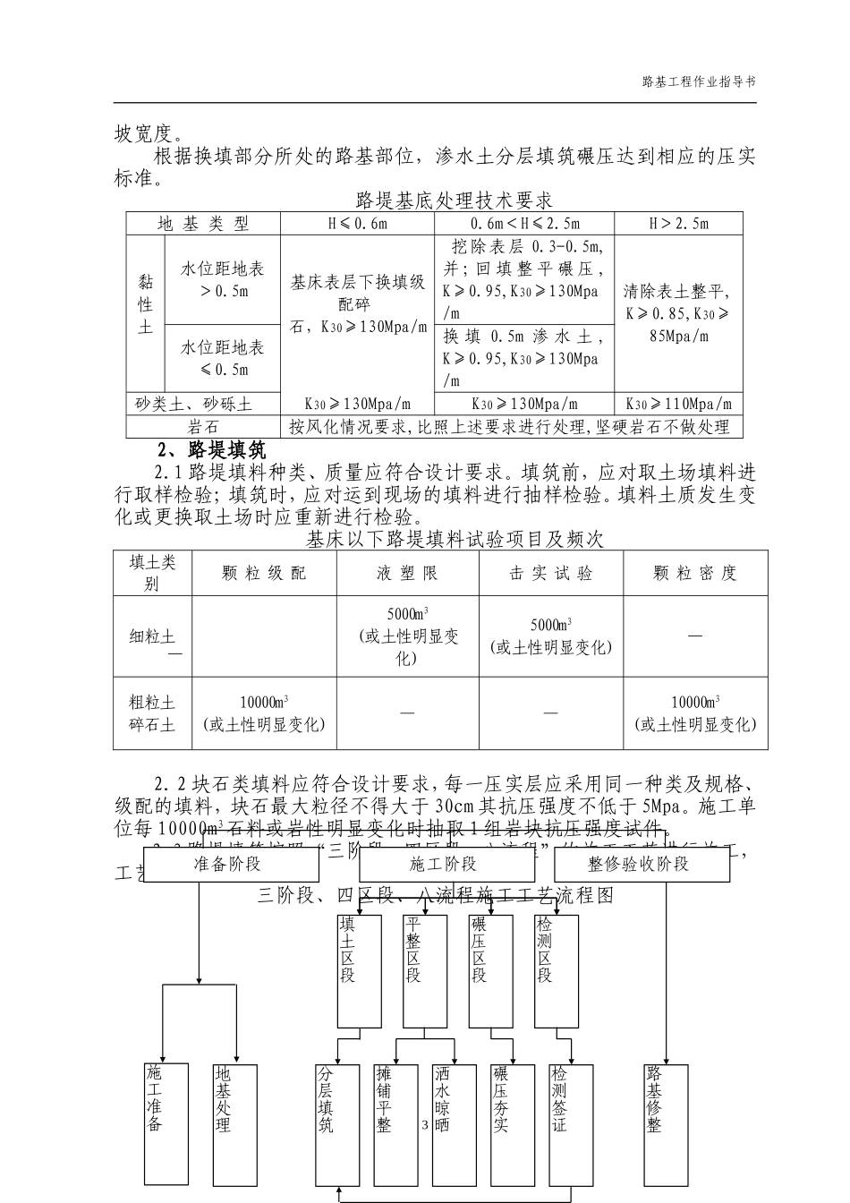
路基工程作业指导书新建XX铁路路基工程作业指导书一、路基技术标准和规范标准新建XX铁路设计时速为XXX公里,为统一施工技术要求,加强施工管理,保证工程质量、工期、实现安全目标、环保目标、提高施工效益,制定本作业指导书。1、路基设计标准1.1铁路等级:Ⅰ级;正线数目:双线;设计行车速度:XXXkm/h;最小曲线半径:一般地段XXX米,困难地段XXX米;限制坡度:重车方向为X‰,轻车方向为X‰;牵引种类:电化,内燃过渡;机车类型:货机交流传动机车HXD系列;客机SS9;牵引质量:10000t;到发线有效长:1700m;闭塞类型:自动闭塞。1.2基床总厚度2.5m,表层0.6m填筑A组填料(砂类土除外),底层1.9m填筑A、B组填料,基床以下路堤部分填料为C组填料。1.3路基面应设置为三角形,由路基面中心向两侧设4%的横向排水坡。曲线外侧加宽时,路基面仍保持三角形。1.4路基边坡形式和坡率:填料名称边坡高度(m)边坡坡率边坡形式全部高度上部高度下部高度全部坡率上部坡率下部坡率细粒土、易风化的软块石土208121:1.51:1.75折线型粗粒土(细砂、粉砂除外)、漂石土、卵石土、碎石土、不易分化的软块石土201281:1.51:1.75折线型硬块石土81:1.3直线型201:1.3直线型填土高大于8m地段每0.6m铺设2.5m宽双向经编土工格栅,距离边线1m沿线路两侧设置。1.5检测方法:每压实层抽样检验孔隙率,每填高约0.9m抽样检验地基系数K30及孔隙率双控。2、路基规范标准1路基工程作业指导书2.1《客货共线铁路路基工程施工技术指南》TZ202-20082.2《铁路路基工程施工质量验收标准》TB10414-20052.3《铁路路基施工规范》TB10202-2002二、施工准备施工前对线路水准点、导线控制点及横断面进行复测,测量过程中采用“双检制”。根据工程情况,按工期要求编制实施性施工组织设计,确定施工方案。在大面积填筑路基前应选取有代表性地段进行填筑压实试验与质量检测试验,确定施工工艺参数。三、路基施工方法及工艺1、一般基底处理1.1施工前应清除路基范围原地面表层植被,挖除树根,做好临时排水设施。1.2原地面松软土及腐植土应清除干净翻挖回填压实质量应该符合设计要求,基底应密实、平整。1.3原地面坡度陡于1:5时,原地面应自下而上挖台阶,台阶顶面做成4%的内倾斜坡,并整平碾压,沿线路横向挖台阶宽度、高度应符合设计要求,沿线路纵向挖台阶宽度不小于2.0m;当地面横坡为1:10-1:5时,将原地表土按设计要求翻挖压实;当基底土密实且地面横坡缓于1:10时直接清除草皮杂物。1.4基底处理后采用重型压路机进行压实,压实顺序应按先两侧后中间,先慢后快,先静压后振压的操作程序进行碾压,各区段交接处应互相重叠,压实纵向搭接长度大于2m,沿线路方向行与行之间压实重叠应大于0.4m。2、特殊基底处理2.1砂垫层铺设工艺流程:铺砂→洒水→压实→检测。施工前做压实工艺性试验,确定主要工艺性参数,并报监理单位认可。压实时适当洒水,压实标准达到中密,压实后表面不存在砂窝等缺陷。垫层铺设宽度及厚度符合设计要求。填筑垫层时分层压实,下层密度经检验合格后,填筑上层。施工时,放慢填筑速度,严格控制加荷速率,使地基有充分的时间进行排水固结。砂垫层材料采用洁净,含泥量不大于3%,并将其中的植物、杂质除净。采用天然级配砂砾料,最大粒径不大于5cm,砾石强度不低于四级。摊铺后适当洒水,分层压实,压实厚度为15~20cm。采用砾石,无粗细粒料分离现象。垫层宽度宽出路基边脚0.5~1.0m,两侧端以片石护脚或采用其他方式防护,以免砂料流失。砾石垫层填筑或填完后及时完成两侧浆砌片石护坡。2.2换填土将原路基一定深度和范围内的淤泥等挖除,换填符合规定要求的渗水土。换填时,分层铺筑,逐层压实,使之达到规定的压实度。换填区域采用机械开挖时,留有30~50cm厚的人工清理层。挖除换填的土层,并将底部整平。当底部起伏较大,设置台阶或缓坡,并按先深后浅的顺序进行换填施工。底部的开挖宽度不小于路堤宽度加放2路基工程作业指导书坡宽度。根据换填部分所处的路基部位,渗水土分层填筑碾压达到相应的压实标准。路堤基底处理技术要求地基类型H≤0.6m0.6m<H≤2.5mH>2.5m黏性土水位距地表>0.5m基床表...

1、当您付费下载文档后,您只拥有了使用权限,并不意味着购买了版权,文档只能用于自身使用,不得用于其他商业用途(如 [转卖]进行直接盈利或[编辑后售卖]进行间接盈利)。
2、本站所有内容均由合作方或网友上传,本站不对文档的完整性、权威性及其观点立场正确性做任何保证或承诺!文档内容仅供研究参考,付费前请自行鉴别。
3、如文档内容存在违规,或者侵犯商业秘密、侵犯著作权等,请点击“违规举报”。

碎片内容

铁路路基作业指导书

您可能关注的文档

确认删除?
VIP
微信客服
  • 扫码咨询
会员Q群
  • 会员专属群点击这里加入QQ群
客服邮箱
回到顶部