电脑桌面
添加小米粒文库到电脑桌面
安装后可以在桌面快捷访问

钢筋混凝土盖板边沟VIP免费

钢筋混凝土盖板边沟_第1页
1/4
钢筋混凝土盖板边沟_第2页
2/4
钢筋混凝土盖板边沟_第3页
3/4
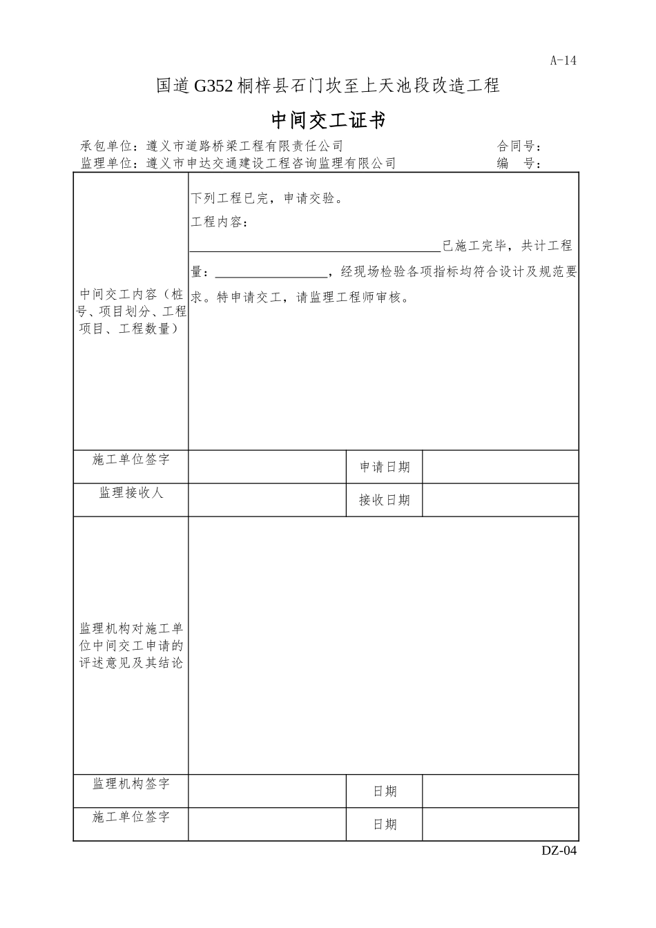
A-13国道G352桐梓县石门坎至上天池段改造工程检验申请批复令承包单位:遵义市道路桥梁工程有限责任公司合同号:监理单位:遵义市申达交通建设工程咨询监理有限公司编号:工程项目路基工程工程地点及桩号具体部位1×1盖板边沟要求到现场检验时间申报内容:钢筋混凝土盖板边沟质量证明附件:1、A-14中间交工证书2、DZ-04混凝土施工原始记录3、DZ-06钢筋工程中间原始记录4、DZ-20施工放样测量记录5、DZ-21水准测量记录6、JJ-71分项工程质量检验评定表现场技术负责人签字:日期:监理人员签收:日期:批复内容:专业监理工程师签字:(盖章)日期:承包人签字:收到日期:A-14国道G352桐梓县石门坎至上天池段改造工程中间交工证书承包单位:遵义市道路桥梁工程有限责任公司合同号:监理单位:遵义市申达交通建设工程咨询监理有限公司编号:中间交工内容(桩号、项目划分、工程项目、工程数量)下列工程已完,申请交验。工程内容:已施工完毕,共计工程量:,经现场检验各项指标均符合设计及规范要求。特申请交工,请监理工程师审核。施工单位签字申请日期监理接收人接收日期监理机构对施工单位中间交工申请的评述意见及其结论监理机构签字日期施工单位签字日期DZ-04国道G352桐梓县石门坎至上天池段改造工程混凝土施工原始记录承包单位:遵义市道路桥梁工程有限责任公司合同号:监理单位:遵义市申达交通建设工程咨询监理有限公司编号:混凝土浇筑日期工程项目及部位混凝土标号施工配合比混凝土水灰比水泥用量(kg/m3)水泥砂碎石水外加剂种类及用量坍落度(cm)拌和及捣实方法气温天气试件编号试件强度MPa养护情况检查意见自检意见:监理意见:施工现场技术负责人:记录:监理员:日期:DZ-06国道G352桐梓县石门坎至上天池段改造工程钢筋工程中间原始记录承包单位:遵义市道路桥梁工程有限责任公司合同号:监理单位:遵义市申达交通建设工程咨询监理有限公司编号:桩号及部位钢筋数量各部尺寸弯折是否符合设计安装时各部位的准确程度保护层是否符合要求钢筋外观情况箍筋最大偏差(cm)钢筋焊接或搭接情况模板垫块及垫铁的稳定情况支座处钢筋的安装情况材料规格及强度是否符合设计意见施工现场技术负责人:记录:监理员:日期:注:钢筋焊接应写明焊接方式,如:双面搭接焊、对焊等。

1、当您付费下载文档后,您只拥有了使用权限,并不意味着购买了版权,文档只能用于自身使用,不得用于其他商业用途(如 [转卖]进行直接盈利或[编辑后售卖]进行间接盈利)。
2、本站所有内容均由合作方或网友上传,本站不对文档的完整性、权威性及其观点立场正确性做任何保证或承诺!文档内容仅供研究参考,付费前请自行鉴别。
3、如文档内容存在违规,或者侵犯商业秘密、侵犯著作权等,请点击“违规举报”。

碎片内容

钢筋混凝土盖板边沟

确认删除?
VIP
微信客服
  • 扫码咨询
会员Q群
  • 会员专属群点击这里加入QQ群
客服邮箱
回到顶部