电脑桌面
添加小米粒文库到电脑桌面
安装后可以在桌面快捷访问

人防工程施工方案VIP专享VIP免费

人防工程施工方案_第1页
1/28
人防工程施工方案_第2页
2/28
人防工程施工方案_第3页
3/28
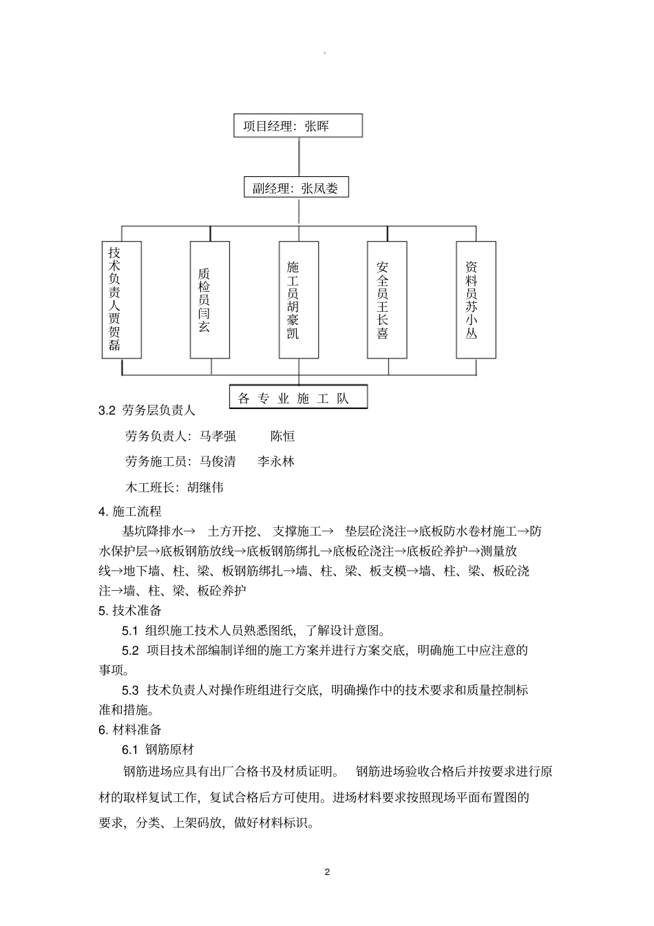
。。1一、编制依据《混凝土结构施工图平面整体表示方法制图规则和构造详图》11G101-1《建筑设计防火规范》GB50016-2014《汽车库、修车库、停车场设计防火规范》GB50067-2014《建筑内部装修设计防火规范》GB50222-2001《人民防空地下室设计规范》GB50038-2005《人民防空工程设计防火规范》GB50098-2009《建筑地基基础工程施工质量验收规范》GB50202-2013《混凝土结构工程施工及验收规范》GB50204-2015《地下工程防水设计规范》GB50108-2011《防空地下室结构设计》07FG01~05《防空地下室建筑设计》FJ01~03《人民防空地下室设计规范》GB50038-2005郑东新区金光花苑Ⅱ期棚户区改造项目宗地二地下车库及人防工程结构和建筑图纸。二、工程概况本工程位于郑东新区京港澳高速辅道以东,通商路以西、金光路以南,永盛西路以北。该工程四周50米内无生产、储存易燃易爆物品厂房、库房,100米内无有害液体、重毒气体的贮罐。本工程人防总面积为11647平方米,一标段人防建筑面积为1629平方米,部位N-V/11-17轴。地下人防工程主要位于本工程部分地下二层及相邻地下车库。人防工程防水,顶板及设备房间为一级,其余为二级。本工程抗力级别为防常规武器6级,防核武器6级,防化等级丙级,共分为6个防护单元,24个抗暴单元。三、施工准备1.施工现场准备根据现场的实际情况,便于材料的加工和运输,在施工现场内部建钢筋加工区和钢筋堆放场地及模板加工场。2.施工流水段划分原则地库底板及筏板流水段划分时根据图纸后浇带进行划分,减少施工缝的留置,规避防水风险为原则。以工程量大致相同、平衡人、机、料的投入量和配置,合理安排施工场地为原则。3.劳动组织及职责分工:3.1管理层负责人。。23.2劳务层负责人劳务负责人:马孝强陈恒劳务施工员:马俊清李永林木工班长:胡继伟4.施工流程基坑降排水→土方开挖、支撑施工→垫层砼浇注→底板防水卷材施工→防水保护层→底板钢筋放线→底板钢筋绑扎→底板砼浇注→底板砼养护→测量放线→地下墙、柱、梁、板钢筋绑扎→墙、柱、梁、板支模→墙、柱、梁、板砼浇注→墙、柱、梁、板砼养护5.技术准备5.1组织施工技术人员熟悉图纸,了解设计意图。5.2项目技术部编制详细的施工方案并进行方案交底,明确施工中应注意的事项。5.3技术负责人对操作班组进行交底,明确操作中的技术要求和质量控制标准和措施。6.材料准备6.1钢筋原材钢筋进场应具有出厂合格书及材质证明。钢筋进场验收合格后并按要求进行原材的取样复试工作,复试合格后方可使用。进场材料要求按照现场平面布置图的要求,分类、上架码放,做好材料标识。项目经理:张晖副经理:张凤娄施工员胡豪凯安全员王长喜资料员苏小丛各专业施工队质检员闫玄技术负责人贾贺磊。。36.2钢筋的检验要求(1)材质要求根据施工进度计划,钢筋进场按钢筋备料单分批进场,同时钢筋进场时必须具有出厂质量证明书或试验报告单。每批钢筋进场必须按规格附带该批钢筋的试验报告单,且试验报告单上的代表数量不应小于所进场的数量,试验报告单必须是原件,不得使用复印件。(2)复试要求钢筋出厂时,在每捆(盘)上都挂有标牌,印有厂标、钢号、炉(批)号、直径等标号。钢筋进入施工现场时应分批进行验收。(3)外观检查钢筋表面不得有裂缝、结疤、折叠及锈蚀。(4)力学性能试验同一种规格每批重量不大于60t,在每批钢筋中的任意两根钢筋上各取一套,每套试样从每根钢筋端部截去50cm,然后再截取两根,一根做拉伸试验(包括屈服点、抗拉强度和延伸率),另一根做冷弯试验(监理到场见证取样)。试验时,如有一个试验结果不符合规范所规定的数值时,则应另取双倍的试样,对不合格的项目做第二次试验,如仍有一根试样不合格,则该批钢筋为不合格品不予验收。6.3钢筋堆放要求堆放钢筋的场地要坚实平整,在场地基层上浇筑100厚的C20混凝土,并从中间向两边设排水坡度,避免基层出现积水。堆放时钢筋下面要垫垫木,垫木厚度不应小于20cm,间距1500mm,以防止钢筋锈蚀和污染。(1)原材堆放钢筋原材进入现场后,按照现场施工平面布置的位置分规格进行堆放,不能为了卸料方便而随意乱放。(2)成品钢筋堆放将加工成型的钢筋分层、...

1、当您付费下载文档后,您只拥有了使用权限,并不意味着购买了版权,文档只能用于自身使用,不得用于其他商业用途(如 [转卖]进行直接盈利或[编辑后售卖]进行间接盈利)。
2、本站所有内容均由合作方或网友上传,本站不对文档的完整性、权威性及其观点立场正确性做任何保证或承诺!文档内容仅供研究参考,付费前请自行鉴别。
3、如文档内容存在违规,或者侵犯商业秘密、侵犯著作权等,请点击“违规举报”。

碎片内容

人防工程施工方案

确认删除?
VIP
微信客服
  • 扫码咨询
会员Q群
  • 会员专属群点击这里加入QQ群
客服邮箱
回到顶部