电脑桌面
添加小米粒文库到电脑桌面
安装后可以在桌面快捷访问

钢筋双面搭接焊作业指导书VIP免费

钢筋双面搭接焊作业指导书_第1页
1/12
钢筋双面搭接焊作业指导书_第2页
2/12
钢筋双面搭接焊作业指导书_第3页
3/12
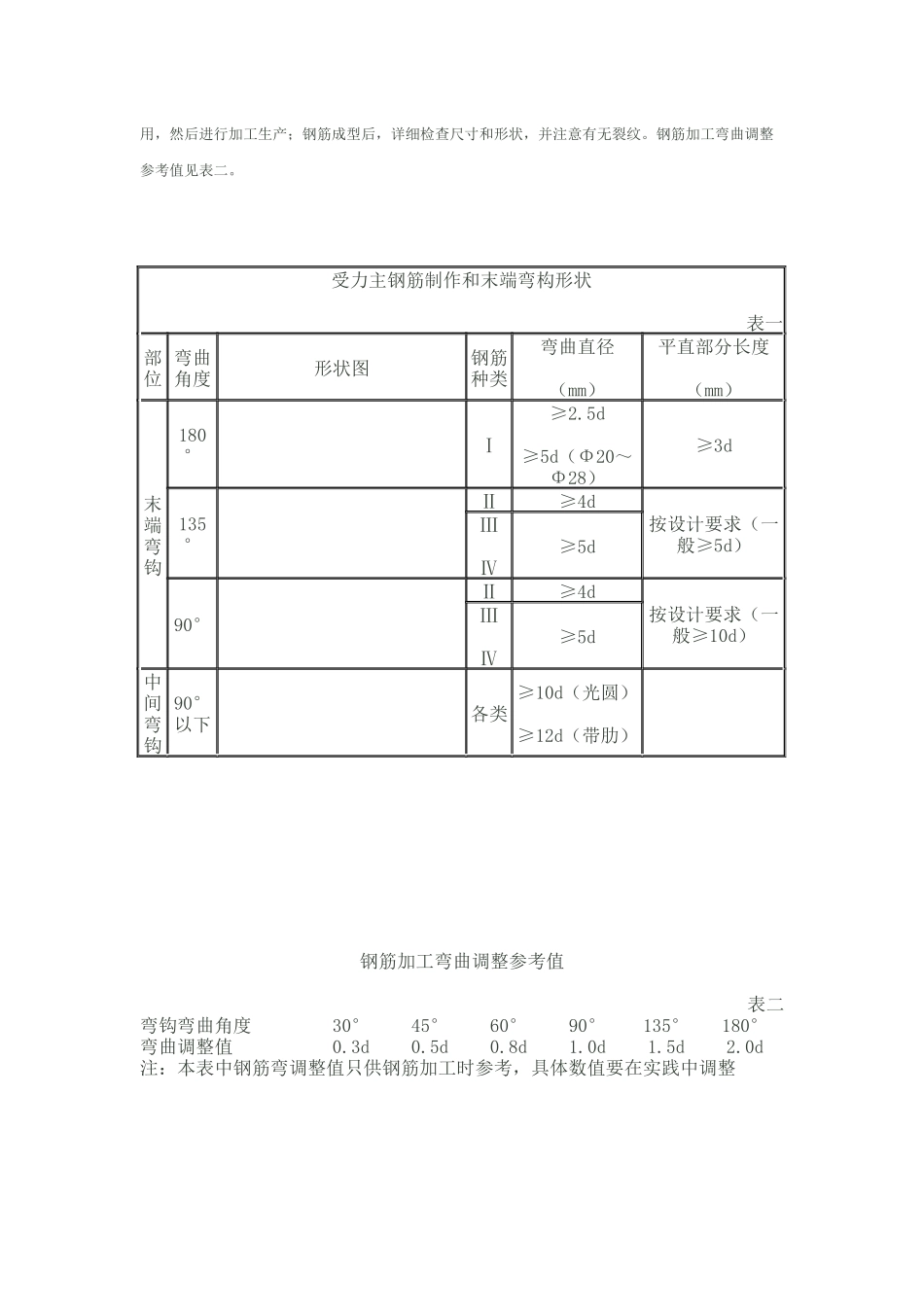
一、编制依据1、《铁路混凝土工程施工质量验收补充标准》2、《铁路混凝土与砌体工程施工质量验收标准》3、《铁路混凝土工程施工技术指南》4、《钢筋焊接及验收规程》二、工艺流程图采购运输卸料及堆放调直除锈焊接配料切断除锈弯曲成型抽检绑扎及安装工艺流程图三、施工要点1、钢筋购入前必须对生产厂家进行评审,钢筋的质量和规格必须符合设计要求,力学性能符合国家标准规定,具有出厂质量证明书,材料运到工地后应做抽样检查。2、钢筋的运输与保管工作极为重要,往往因运输保管不当导致钢筋品种混乱或钢筋锈蚀而造成大量浪费,甚至影响工程质量。3、工地堆放钢筋要设料库或料棚,按钢号类型、级别、直径等分批存放,标识清楚,堆放必须离开地面至少20cm,严禁脚踩和让钢筋长时间日晒雨淋。4、在料库(棚)的周围挖排水沟,保持库、棚内地面的干燥,防止钢筋锈蚀。并在库、棚内禁止存放酸性物及油、盐一类物品,远离有害气体,以免污染或腐蚀钢筋。5、预制构件的吊环,必须采用未经冷拉的Ⅰ级热轧光圆钢筋制作。6、钢筋在弯制前应调直。盘条可用冷拉法,较粗的钢筋而数量不大的可在木墩上用锤击矫直,但不要击伤钢筋;大量的粗钢筋矫直,要设工作台,钢筋调直到可在工作台上来回滚动时为合格。7、钢筋除锈通常采用锤击、砂纸擦或化学药剂清洗等方法。钢筋除锈在成形前进行;成形后,要防止受潮,尽快使用,以免生锈而不易清除,加工后的钢筋其表面伤痕,不应使钢筋截面积减少5%以上。8、钢筋配料时,严格按设计图计算出的每种钢筋的根数与长度,正确下料加工。9、切断钢筋用切筋机,也可用气割或人工手动、电动、剪切。10、钢筋的弯曲用弯筋机或人工在加工棚内弯制成型,钢筋末端弯钩要符合设计要求;当设计无要求时,应符合表一要求;弯制台上定位桩钉要确保位置精确。弯制钢筋宜从中部开始,逐步弯向两端,弯钩应一次弯成。弯曲钢筋时,先反复修正并完全符合设计的尺寸和形状,作为样板(筋)使用,然后进行加工生产;钢筋成型后,详细检查尺寸和形状,并注意有无裂纹。钢筋加工弯曲调整参考值见表二。受力主钢筋制作和末端弯构形状表一部位弯曲角度形状图钢筋种类弯曲直径(mm)平直部分长度(mm)末端弯钩180°Ⅰ≥2.5d≥5d(Φ20~Φ28)≥3d135°Ⅱ≥4d按设计要求(一般≥5d)ⅢⅣ≥5d90°Ⅱ≥4d按设计要求(一般≥10d)ⅢⅣ≥5d中间弯钩90°以下各类≥10d(光圆)≥12d(带肋)钢筋加工弯曲调整参考值表二弯钩弯曲角度30°45°60°90°135°180°弯曲调整值0.3d0.5d0.8d1.0d1.5d2.0d注:本表中钢筋弯调整值只供钢筋加工时参考,具体数值要在实践中调整11、用光圆钢筋制成的箍筋,其末端应有弯钩(半圆形、直角形或斜弯钩),弯钩的弯曲内直径应大于受力钢筋直径,且不小于箍筋直径的2.5倍;弯钩平直部分的长度,一般结构不小于箍筋直径的5倍,有抗震要求的结构不小于箍筋直径的10倍。12、热轧钢筋的接头,应符合设计要求,当设计无要求时,应符合下列规定:A、采用电弧焊连接。B、拉杆中的钢筋,不论其直径大小,均应采用焊接接头,仅在确无条件施焊时,对直径25mm及以下的钢筋,方可采用绑扎搭接。C、跨度大于10m的梁,不得采用搭接接头。D、钢筋的焊接接头,要于安装前在工厂(场)内焊妥,尽量避免在脚手架上施焊。13、在工厂(场)施行电弧焊接时,均应采用双面焊缝,仅在脚手架上施焊时,方可采用单面焊接。钢筋搭接焊焊缝高度h应≥0.3d,并不得小于4mm,焊缝宽度b应≥0.7d,并不得小于8mm。钢筋电弧焊接使用焊条,搭接焊、帮条焊Ⅰ级钢筋采用结422焊体见下图。钢筋搭接、帮条焊接的焊缝14、焊接地线应与钢筋接触良好,防止接触不良而烧伤主筋。15、不同钢厂生产的不同批号、不同外型的钢筋相互之间或与预埋件焊接时,应预先进行焊接试验,经检验合格后,方可正式施焊。16、钢筋绑扎接头应符合下列规定:受拉区内的Ⅰ级光圆钢筋末端应作成彼此相对的弯钩,Ⅱ级钢筋应作成彼此相对的直角弯钩。绑扎接头的搭接长度应符合表三规定。在钢筋搭接部分的中心及两端共绑扎三处铁丝。17、受力钢筋焊接接头设于内力较小处,并错开布置,两接头间距不小于1.3倍搭接长度,在同一根钢...

1、当您付费下载文档后,您只拥有了使用权限,并不意味着购买了版权,文档只能用于自身使用,不得用于其他商业用途(如 [转卖]进行直接盈利或[编辑后售卖]进行间接盈利)。
2、本站所有内容均由合作方或网友上传,本站不对文档的完整性、权威性及其观点立场正确性做任何保证或承诺!文档内容仅供研究参考,付费前请自行鉴别。
3、如文档内容存在违规,或者侵犯商业秘密、侵犯著作权等,请点击“违规举报”。

碎片内容

钢筋双面搭接焊作业指导书

墨香书阁+ 关注
实名认证
内容提供者

热爱教学事业,对互联网知识分享很感兴趣

确认删除?
VIP
微信客服
  • 扫码咨询
会员Q群
  • 会员专属群点击这里加入QQ群
客服邮箱
回到顶部