电脑桌面
添加小米粒文库到电脑桌面
安装后可以在桌面快捷访问

高压电技术B卷答案VIP免费

高压电技术B卷答案_第1页
1/4
高压电技术B卷答案_第2页
2/4
高压电技术B卷答案_第3页
3/4
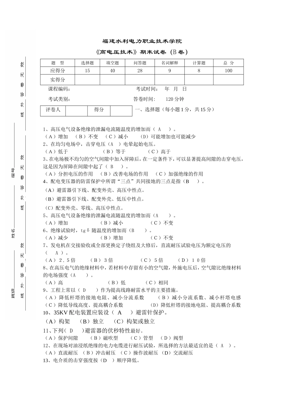
福建水利电力职业技术学院《高电压技术》期末试卷(B卷)题型选择题填空题问答题名词解释计算题总分应得分15402898100实得分课程编码:考试时间:年月日考试类别:答卷时间:120分钟评卷人得分一、选择题(每小题1分,共15分)1、高压电气设备绝缘的泄漏电流随温度的增加而(A)。(A)增加(B)不变(C)减小(D)可能增加也可能减少2、在均匀电场中,击穿电压(A)电晕起始电压。(A)低于(B)等于(C)高于3、在电场极不均匀的空气间隙中加入屏障后,在一定条件下,可以显著提高间隙的击穿电压,这是因为屏障在间隙中起了(B)。(A)分担电压的作用(B)改善电场的作用(C)加强绝缘的作用4、配电变压器的防雷保护中所谓“三点”共同接地的三点是指(B)。(A)避雷器引下线、配变外壳、高压中性点。(B)避雷器引下线、配变外壳、低压中性点。(C)配变外壳、零线、高压中性点。5、高压电气设备绝缘的泄漏电流随温度的增加而(A)。(A)增加(B)减小(C)不变6、绝缘试验时,tgδ随温度的增加而(B)。(A)减少(B)增加(C)不变7、发电机在交接验收或全部更换定子绕组及大修后,直流耐压试验电压为额定电压的(A)。(A)2.5倍(B)3倍(C)5倍(D)10倍8、在高压电气的绝缘材料中,若材料中存留有小的空气隙,外施电压后,空气隙比绝缘材料的电场强度(A)。(A)高(B)低(C)相同9、工程上常以(D)作为提高线路耐雷水平的主要措施。(A)降低杆塔的接地电阻、减小分流系数(B)减小分流系数、减小杆塔电感(C)降低导线高度、提高耦合系数(D)降低杆塔的接地电阻、提高耦合系数10、35KV配电装置应装设(A)避雷针保护。(A)构架(B)独立(C)构架或独立11、下列(D)避雷器的伏秒特性最好。(A)保护间隙(B)磁吹型(C)管型(D)阀型12、在现场对油浸纸绝缘的电力电缆进行耐压试验,所选择的方法最适宜的是(A)。(A)直流耐压(B)冲击耐压(C)操作波耐压(D)交流耐压13、电介质的击穿强度按(D)顺序降低。(A)液体、气体、固体(B)固体、气体、液体(C)气体、固体、液体(D)固体、液体、气体14、对于(B)kV以上的电气设备,由于现场条件限制,一般不能进行交流耐压试验。(A)10(B)35(C)110(D)33015、一般用(C)来表示电介质极化程度。(A)电阻率(B)电导率(C)相对介电常数(D)介质损耗评卷人得分二、填空题(每个空格)1分,共40分)1.电力系统过电压通常可分为外部__过电压和_内部__过电压。2、变电所对侵入波的防护措施主要是安装__避雷器__________。3、在极不均匀电场中,间隙起始放电电压低于击穿电压。4、汤逊理论与流注理论的区别主要三个方面是:放电外形流注放电是具有通道形式的、放电时间和阴极材料的影响。6、在极不均匀电场中,曲率半径小的电极附近,先出现自持放电,称电晕放电。7、标准波形的表示符号S。8、当雷击线路附近大地时,由于_外部的影响____,在线路导线上会产生__雷过电__过电压。9、影响沿面放电的因素有:电场的均匀程度、污秽程度和介质表面的介电系数的差异程度等。10、目前比较成熟的在线监测方法主要有:介损法、局部放电、电桥法和直流叠加法。11、电晕放电能使空气发生化学反应,产O3,,NO2及氧化氮等,引起对周围物质的有机绝缘老化。12、用于电缆和电机的绝缘材料,希望其介电系数小,这样可避免电缆和电机工作时产生较大的泄露电流。13、介质的绝缘电阻随温度升高而减少,金属材料的电阻随温度升高而升高。14、在极不均匀电场的空气间隙中,放入薄片固体绝缘材料,即所谓屏障,在一定条件下,可以显著提高间隙的击穿电压。16、目前电力系统最为常用的避雷器为阀式避雷器。18、纯净的液体介质击穿可用电子碰撞电离理论来解释;含水分、杂质的液体介质击穿可用小桥理论来解释。19、对电瓷的试品,在测量结束前,必须先把兆欧表从测量回路断开,以免损坏兆欧表。20、测量介损正切值常用的两种接线方式为:西林电桥和不平衡电桥。21、交流耐压试验通常加压时间为1分钟规定这个时间是为了便于观察试品情况;同时也是为了使缺陷来得及暴露出来。22、直流耐压试验与交流耐...

1、当您付费下载文档后,您只拥有了使用权限,并不意味着购买了版权,文档只能用于自身使用,不得用于其他商业用途(如 [转卖]进行直接盈利或[编辑后售卖]进行间接盈利)。
2、本站所有内容均由合作方或网友上传,本站不对文档的完整性、权威性及其观点立场正确性做任何保证或承诺!文档内容仅供研究参考,付费前请自行鉴别。
3、如文档内容存在违规,或者侵犯商业秘密、侵犯著作权等,请点击“违规举报”。

碎片内容

高压电技术B卷答案

确认删除?
VIP
微信客服
  • 扫码咨询
会员Q群
  • 会员专属群点击这里加入QQ群
客服邮箱
回到顶部