电脑桌面
添加小米粒文库到电脑桌面
安装后可以在桌面快捷访问

机房大小估算VIP专享VIP免费

机房大小估算_第1页
1/4
机房大小估算_第2页
2/4
机房大小估算_第3页
3/4
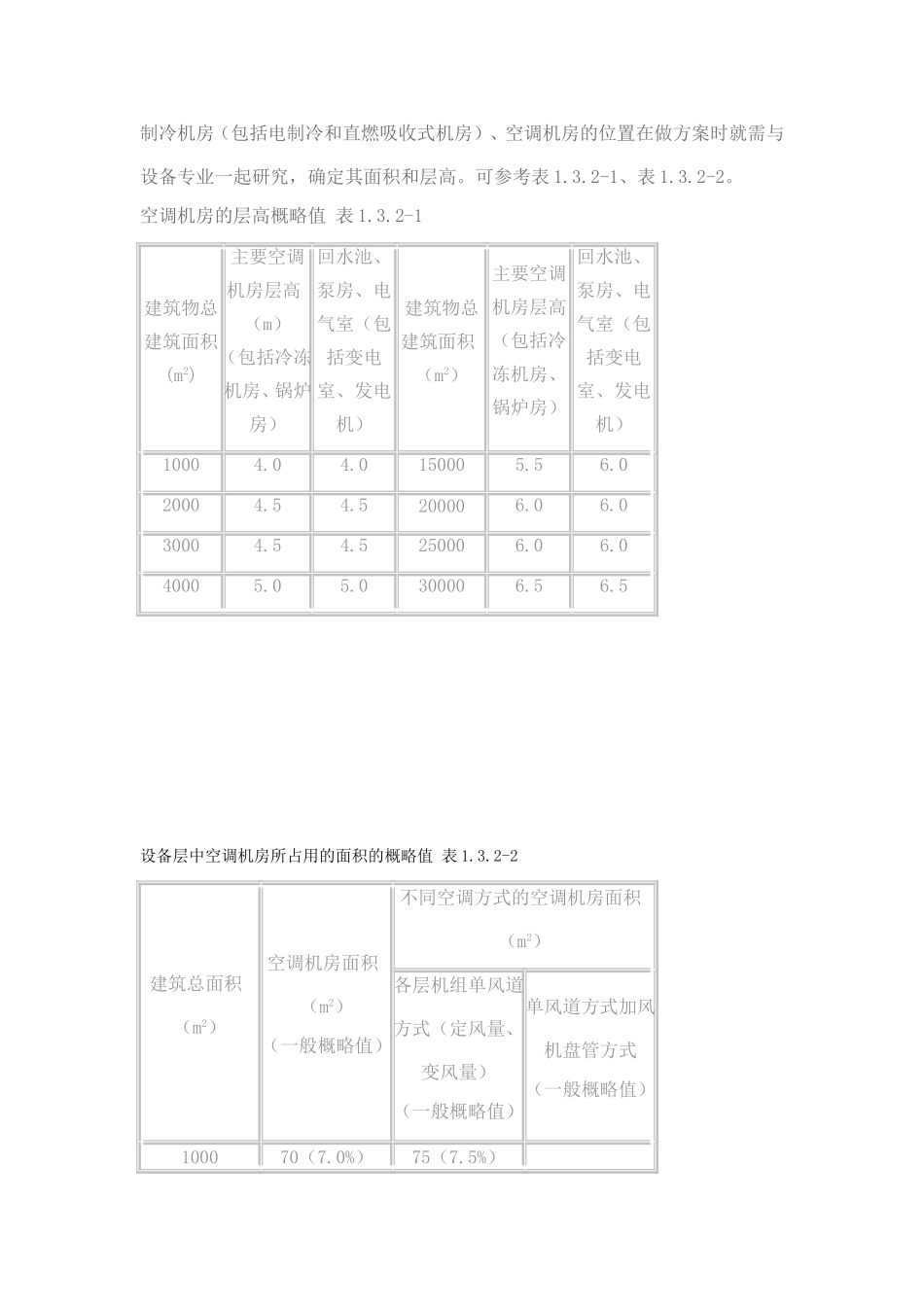
制冷机房(包括电制冷和直燃吸收式机房)、空调机房的位置在做方案时就需与设备专业一起研究,确定其面积和层高。可参考表1.3.2-1、表1.3.2-2。空调机房的层高概略值表1.3.2-1设备层中空调机房所占用的面积的概略值表1.3.2-2建筑总面积(m2)空调机房面积(m2)(一般概略值)不同空调方式的空调机房面积(m2)各层机组单风道方式(定风量、变风量)(一般概略值)单风道方式加风机盘管方式(一般概略值)100070(7.0%)75(7.5%)建筑物总建筑面积(m2)主要空调机房层高(m)(包括冷冻机房、锅炉房)回水池、泵房、电气室(包括变电室、发电机)建筑物总建筑面积(m2)主要空调机房层高(包括冷冻机房、锅炉房)回水池、泵房、电气室(包括变电室、发电机)10004.04.0150005.56.020004.54.5200006.06.030004.54.5250006.06.040005.05.0300006.56.53000200(6.6%)190(6.3%)120(4.0%)5000290(5.8%)310(6.2%)200(4.0%)10000450(4.5%)550(5.5%)350(3.5%)15000600(4.0%)750(5.0%)550(3.7%)20000770(3.8%)960(4.8%)730(3.6%)25000920(3.7%)1200(4.8%)850(3.4%)300001090(3.6%)1400(4.7%)1000(3.0%)制冷机房面积约占公共建筑总建筑面积的0.5%~1%;热交换站面积约占公共建筑总建筑面积的0.3%~0.5%;锅炉房面积约占公共建筑总建筑面积的1%左右;空调机房面积约占公共建筑总建筑面积的的4%~6%;而在分层面积上:500m2约要空调机房30m2;(每层建筑面积)1000m2约要空调机房35~45m2;2000m2约要空调机房45~55m2;3000m2约要空调机房65~75m2。2)制冷机房、直燃机房、空调机房的设置对建筑的要求:①制冷机房:a.有地下室时一般设在地下室,无地下室时设在一层,也有设在顶层的,但很少b.在地下室中设在平面的几何中心为好,这样可以节省管网的投资和运行的水泵能耗,因为管道短则系统阻力小,故水泵的扬程低,耗能少。c.要靠近变配电站和水泵房。d.要考虑管网的出路。e.要有机器搬进搬出的孔洞。f.制冷机房的高度要求(净高):a)电制冷机房大型h=4.5m;小型h=3.5m。b)直燃机房大型h=5m;小型h=4m。②直燃机房:直燃机房的特殊要求:因为燃气有防火防烟要求,按燃气规范和防火规范的要求,其机房的位置应当符合以下要求:a.有直接对外的门窗。b.有通风换气。c.在地下室时有泄烟面。③空调机房:a.空调机房的楼板荷载为700~800kg/m2。如a.800m2的多功能厅2×30000m3/h,机房面积50m2。b.办公楼每1000m2约需50m2机房面积,占5%。空调机房应当放在每个防火分区内,不能把这个防火分区的机房,放在另一个防火分区内。c.空调机房在平面上与主要房间至少应有一室之隔,为的是避免噪声振动给使用带来无法解决的先天不足。d.空调机房的门应为甲级防火隔声门。e.管道井(风管道井和风道井,还有电缆井):有一条很重要,就是燃气管道不允许设在管井里。一定要设时,要设单独管井,还得做管井通风。管道井约占总建筑面积的1%~2%。风道井分为防、排烟管井,每个防烟楼梯间附近都得有1~2m2的防、排烟管井。

1、当您付费下载文档后,您只拥有了使用权限,并不意味着购买了版权,文档只能用于自身使用,不得用于其他商业用途(如 [转卖]进行直接盈利或[编辑后售卖]进行间接盈利)。
2、本站所有内容均由合作方或网友上传,本站不对文档的完整性、权威性及其观点立场正确性做任何保证或承诺!文档内容仅供研究参考,付费前请自行鉴别。
3、如文档内容存在违规,或者侵犯商业秘密、侵犯著作权等,请点击“违规举报”。

碎片内容

机房大小估算

确认删除?
VIP
微信客服
  • 扫码咨询
会员Q群
  • 会员专属群点击这里加入QQ群
客服邮箱
回到顶部