电脑桌面
添加小米粒文库到电脑桌面
安装后可以在桌面快捷访问

涵洞技术交底第三级VIP免费

涵洞技术交底第三级_第1页
1/6
涵洞技术交底第三级_第2页
2/6
涵洞技术交底第三级_第3页
3/6
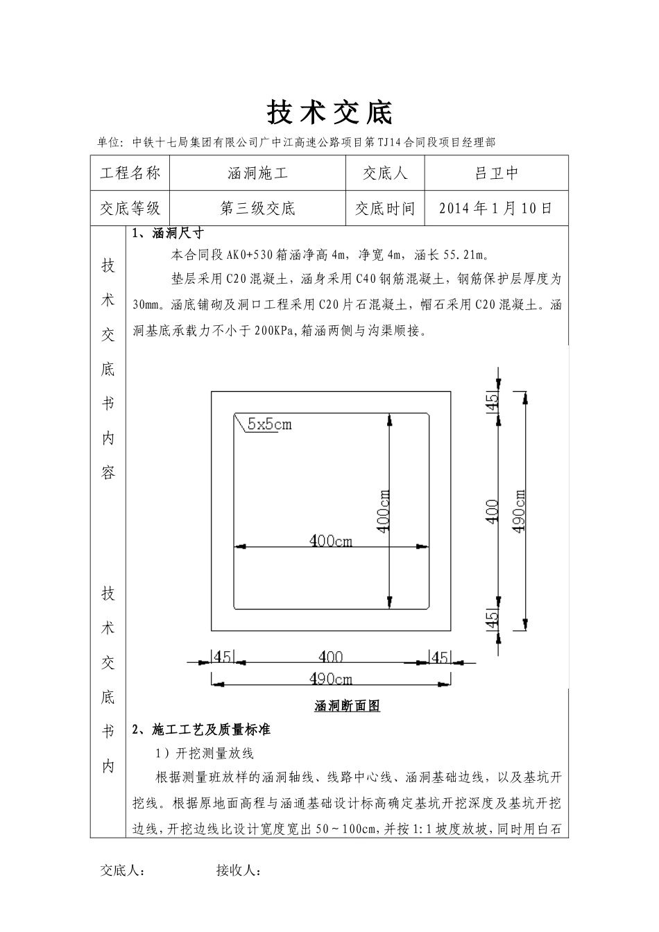
技术交底单位:中铁十七局集团有限公司广中江高速公路项目第TJ14合同段项目经理部工程名称涵洞施工交底人吕卫中交底等级第三级交底交底时间2014年1月10日技术交底书内容技术交底书内1、涵洞尺寸本合同段AK0+530箱涵净高4m,净宽4m,涵长55.21m。垫层采用C20混凝土,涵身采用C40钢筋混凝土,钢筋保护层厚度为30mm。涵底铺砌及洞口工程采用C20片石混凝土,帽石采用C20混凝土。涵洞基底承载力不小于200KPa,箱涵两侧与沟渠顺接。涵洞断面图2、施工工艺及质量标准1)开挖测量放线根据测量班放样的涵洞轴线、线路中心线、涵洞基础边线,以及基坑开挖线。根据原地面高程与涵通基础设计标高确定基坑开挖深度及基坑开挖边线,开挖边线比设计宽度宽出50~100cm,并按1:1坡度放坡,同时用白石交底人:接收人:技术交底单位:中铁十七局集团有限公司广中江高速公路项目第TJ14合同段项目经理部工程名称涵洞施工交底人吕卫中交底等级第三级交底交底时间2014年1月10日灰洒出开挖线。2)基坑开挖及基础处理基坑开挖采用人工配合挖掘机进行开挖,并用自卸汽车将开挖土方运输到指定弃土场;当挖至距基底设计标高0.2m时,改用人工挖土,人工清底至设计标高后,清除坑底的浮土,整平,避免超挖后回填及扰动原状土影响承载力检测。由试验人员用动力触探仪进行地基承载力试验,经自检合格后报请监理工程师检查,合格后进行下道工序施工。3)垫层施工基底处理完毕验收合格后,进行涵底C20混凝土垫层施工,厚10cm,待混凝土定浆后,表面抹平。4)底板钢筋、模板安装在垫层混凝土达到一定强度后,在垫层上按照设计图纸进行施工放样,定出涵洞模板位置线,并用墨斗弹出轮廓线。在垫层强度达到75%后,进行钢筋绑扎。按照图纸标明的主筋间距计算出主筋的数量,然后在垫层上依次划出主筋位置,主筋间距必须均匀。钢筋采用钢筋场集中加工、施工现场绑扎。在钢筋骨架下垫同标号混凝土或塑料垫块,根据保护层的厚度。确定垫块的大小,宜采用混凝土垫块,成梅花形布置。采用双面搭接焊时,搭接长度不小于5d,单面搭接焊时其长度不小于10d(d为钢筋直径),并根据相应的钢筋类别、焊缝形式将接头弯成一定的角度。钢筋焊接接头错开布置,在接头长度区段内(焊接接头长度区段是指35d,且不小于50cm)同一根钢筋只有一个接头,配置在接头长度区段内的受力钢筋,其接头的截面积占全部截面面积的最大百分率为50%。钢筋绑扎时,底层水平筋与主筋的相交点可相隔交错绑扎,侧面水平交底人:接收人:技术交底单位:中铁十七局集团有限公司广中江高速公路项目第TJ14合同段项目经理部工程名称涵洞施工交底人吕卫中交底等级第三级交底交底时间2014年1月10日筋的相交点每点都绑扎,绑扎时扎丝一律甩头向内,采用八字扣,不允许顺绑,保证钢筋不移位。墙身钢筋在底板内预埋竖向主筋,底板内的墙身段钢筋必须在浇筑前绑扎完成,其上端应采取措施保证甩筋垂直,不歪斜、倾倒、变位。顶面钢筋绑扎时,要保证水平筋间距均匀,绑扎采用满绑,扎丝一律甩头向内,采用八字扣型绑扎。底板,墙身预埋件其位置,标高均应满足设计要求。底板模板采用组合钢模板,吊装采用吊车配合人工安装,在安装模板之前,用打磨机将模板表面的铁锈、灰尘、泥土清除干净,打磨后在模板表面均匀的涂刷脱模剂。为防止浇注混凝土时漏浆,在安装模板时模板接缝处用双面胶粘贴密实,接缝平顺、严密、无错台。基础模板安装打入地锚作为支撑,并在模板背面设置横向和竖向钢管,做到外拉内撑,保证模板安装牢固稳定、防止变形,侧模斜撑的底部加设垫木,几何尺寸符合设计要求。5)底板混凝土浇筑、养护第一次混凝土浇筑至底板位置,避免应力集中至涵身倒角处,第二次完成剩余墙身及顶板浇筑。底板混凝土由拌和站集中拌合供应,混凝土罐车运至施工现场,现场检测混凝土塌落度等性能指标,检测合格后混凝土采用溜槽入模,人工配合,引导溜槽方向,使混凝土均匀分布。采用插入式振捣棒振捣的施工方法,振捣时振动棒垂直插入,快入慢出,插点均匀,成行交错式前进,移动间距30cm,且插入下层混凝土内的深度控制在5~10cm,与模板保持10cm的距离。混凝土振捣密实的标志为混凝土...

1、当您付费下载文档后,您只拥有了使用权限,并不意味着购买了版权,文档只能用于自身使用,不得用于其他商业用途(如 [转卖]进行直接盈利或[编辑后售卖]进行间接盈利)。
2、本站所有内容均由合作方或网友上传,本站不对文档的完整性、权威性及其观点立场正确性做任何保证或承诺!文档内容仅供研究参考,付费前请自行鉴别。
3、如文档内容存在违规,或者侵犯商业秘密、侵犯著作权等,请点击“违规举报”。

碎片内容

涵洞技术交底第三级

墨香书阁+ 关注
实名认证
内容提供者

热爱教学事业,对互联网知识分享很感兴趣

确认删除?
VIP
微信客服
  • 扫码咨询
会员Q群
  • 会员专属群点击这里加入QQ群
客服邮箱
回到顶部