电脑桌面
添加小米粒文库到电脑桌面
安装后可以在桌面快捷访问

八年级物理下册101浮力导学案新版新人教版VIP免费

八年级物理下册101浮力导学案新版新人教版_第1页
1/5
八年级物理下册101浮力导学案新版新人教版_第2页
2/5
八年级物理下册101浮力导学案新版新人教版_第3页
3/5
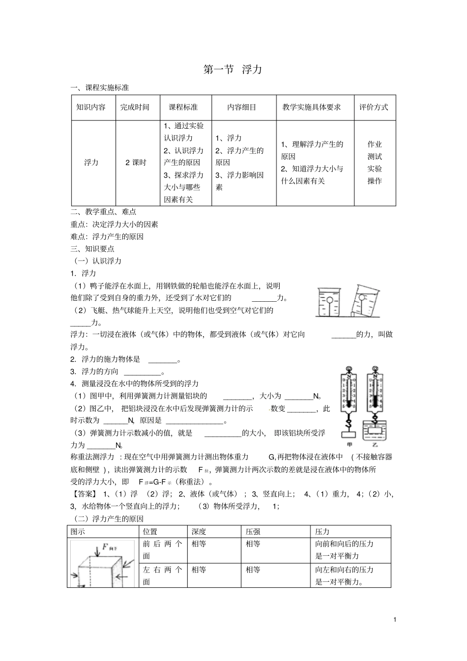
1第一节浮力一、课程实施标准二、教学重点、难点重点:决定浮力大小的因素难点:浮力产生的原因三、知识要点(一)认识浮力1.浮力(1)鸭子能浮在水面上,用钢铁做的轮船也能浮在水面上,说明他们除了受到自身的重力外,还受到了水对它们的______力。(2)飞艇、热气球能升上天空,说明他们也受到空气对它们的_____力。浮力:一切浸在液体(或气体)中的物体,都受到液体(或气体)对它向______的力,叫做浮力。2.浮力的施力物体是_______。3.浮力的方向_________。4.测量浸没在水中的物体所受到的浮力(1)图甲中,利用弹簧测力计测量铝块的_______,大小为_______N。(2)图乙中,把铝块浸没在水中后发现弹簧测力计的示数变_______,此时示数为______N,原因是______________。(3)弹簧测力计示数减小的值,就是_________的大小,即该铝块所受浮力为_______N。称重法测浮力:现在空气中用弹簧测力计测出物体重力G,再把物体浸在液体中(不接触容器底和侧壁),读出弹簧测力计的示数F拉,弹簧测力计两次示数的差就是浸在液体中的物体所受的浮力大小,即F浮=G-F示(称重法)。【答案】1、(1)浮(2)浮;2、液体(或气体);3、竖直向上;4、(1)重力,4;(2)小,3,水给物体一个竖直向上的浮力;(3)物体所受浮力,1;(二)浮力产生的原因图示位置深度压强压力前后两个面相等相等向前和向后的压力是一对平衡力左右两个面相等相等向左和向右的压力是一对平衡力。知识内容完成时间课程标准内容细目教学实施具体要求评价方式浮力2课时1、通过实验认识浮力2、认识浮力产生的原因3、探求浮力大小与哪些因素有关1、浮力2、浮力产生的原因3、浮力影响因素1、理解浮力产生的原因2、知道浮力大小与什么因素有关作业测试实验操作2上下两个面上表面的深度小于下表面的深度向下的压强小于向上的压强F向下大于F向上1.理论分析:假设在一个装有液体的容器中有一个边长为a的正方体,上表面距离水面h1,下表面距离水面的深度为h2.①左右表面和前后表面受到的压强__________,受到的压力__________,侧面压力的合力__________;②上表面受到液体压强为P向下=__________,下表面受到液体压强为P向上=__________;③上表面受到的液体压力为F向下=___________,上表面受到的液体压力为F向上=___________;【答案】①:相等、相等、0;②ρgh上;ρgh下;③P向下S、P向上S2.浮力产生的原因:液体对物体有向上和向下的_____________。F浮=___________(压力差法)。【答案】压力差;F向上-F向下。3.注意:一切浸入液体中的物体,都受到液体对它竖直向上的浮力;无论物体的形状如何,怎样运动,只要是浸在液体或气体中(除物体下表面与容器底部紧密接触外),都会受到液体或气体竖直向上的浮力。(1)当物体部分浸入液体中时(如图甲所示),上表面受到液体向下的压力为___________,则F浮=__________。(2)当浸在液体中的物体下表面和容器底部紧密接触(如图乙所示),则液体对物体向上的压力为_________,物体将_____________浮力的作用,只受向下的压力。【答案】(1)0,F向上;(2)0,不受(三)决定浮力大小的因素1.猜想:浮力的大小可能跟_________、_________、_____________有关。【答案】物体的重力,浸入液体的深度,物体排开液体的体积2.研究方法:__________________。【答案】控制变量3.实验探究(1)探究浮力与物体浸没在液体中的深度的关系深度h重力G/N弹簧测力计示数F/N浮力F浮/N实验结论:浮力大小与物体浸没在液体中的深度_______________。3【答案】无关(2)探究浮力与物体浸在液体中的体积的关系______________。浸在液体中的体积V重力G/N弹簧测力计示数F/N浮力F浮/N实验结论:在同一液体中,物体浸在液体中的体积越大,浮力越__________。【答案】大(3)探究浮力与液体密度的关系夜/kg.m3重力G/N弹簧测力计示数F/N浮力F浮/N实验结论:物体________一定时,________越大,浮力越______。【答案】排开液体的体积,液体的密度,大4.总结:物体浸在液体中所受浮力的大小跟__________、_____________有关。【答案】液体的密度、排开液体的体积四、典型例题例1.用实验...

1、当您付费下载文档后,您只拥有了使用权限,并不意味着购买了版权,文档只能用于自身使用,不得用于其他商业用途(如 [转卖]进行直接盈利或[编辑后售卖]进行间接盈利)。
2、本站所有内容均由合作方或网友上传,本站不对文档的完整性、权威性及其观点立场正确性做任何保证或承诺!文档内容仅供研究参考,付费前请自行鉴别。
3、如文档内容存在违规,或者侵犯商业秘密、侵犯著作权等,请点击“违规举报”。

碎片内容

八年级物理下册101浮力导学案新版新人教版

爱的疯狂+ 关注
实名认证
内容提供者

该用户很懒,什么也没介绍

相关文档

确认删除?
VIP
微信客服
  • 扫码咨询
会员Q群
  • 会员专属群点击这里加入QQ群
客服邮箱
回到顶部