电脑桌面
添加小米粒文库到电脑桌面
安装后可以在桌面快捷访问

内粉技术交底VIP免费

内粉技术交底_第1页
1/7
内粉技术交底_第2页
2/7
内粉技术交底_第3页
3/7
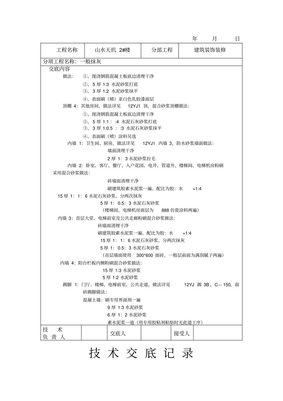
技术交底记录年月日工程名称山水天玑2#楼分部工程建筑装饰装修分项工程名称:一般抹灰交底内容一、材料要求(1)水泥:一般采用325号矿渣硅酸盐水泥和普通硅酸盐水泥。应有出厂证明或复试单,当出厂超过3个月按试验结果使用。(2)砂:中砂,平均粒径为0.35~0.5mm,使用前应过5mm孔径筛子。不得含有杂物。(3)石灰膏:应用块状生石灰淋制,必须用孔径不大于3×3mm的筛过滤,并贮存在沉淀池中。熟化时间,常温下一般不少于15d;用于罩面时,不应少于30d。使用时,石灰膏内不得含有未熟化的颗粒和其他杂质。(4)涂塑玻纤维网格布,建筑胶等。二、主要机具砂浆搅拌机、孔径5mm的筛子、手推车、大平锹、抹灰常用工具等。三、作业条件(1)首先必须经有关部门进行结构工程验收,合格后方可进行抹灰工程。(2)抹灰前,两种不同材料接触处(所有钢筋混凝土墙、梁、柱与加气混凝土砌块交接部位两侧)均通长加设300宽涂塑玻纤维网格布及抗裂砂浆。(3)应将剪力墙、过梁、圈梁及组合柱等表面凸出部分剔平,对蜂窝、麻面、露筋等应剔到实处,刷素水泥浆一道(内参重水10%的107胶),紧跟用1:3水泥砂浆分层补平;脚手眼应堵严实,外露钢筋头、铅丝头等要清除净,窗台砖应补齐。(4)管道穿越墙洞和楼板洞应及时安放套管,并用1:3水泥砂浆或豆石混凝土填嵌密实;电线管、消火栓箱、配电箱安装完毕,并将背后露明部分钉好钢丝网;接线盒用纸堵严。(5)加气混凝土砌块墙等基体表面的灰尘,污垢和油渍等应清除干净,并洒水湿润。四、操作流程1、混凝土顶板抹灰搭设脚手架-基础处理-弹线、套方、找规矩-基层抹灰-面层抹灰-养护2、墙体抹灰基层处理-贴涂塑玻纤维网-喷水湿润-喷浆-吊垂直、套方、找规矩、贴灰饼-墙面冲筋(设置标筋)-做护角-基层抹灰-滴水线(槽)-面层抹灰-养护五、操作工艺1、基层处理:基层表面要保持平整洁净,无浮浆、油污。门窗洞口与门窗框交接处用水泥砂浆嵌填密实,脚手架眼要先堵塞严实。2、贴涂塑玻纤维网格布:基层处理完后,在砌体与剪力墙、梁、构造柱、柱等交接处贴涂塑玻纤维网。纤维网符合下列规定:网眼为10*10纤维网,用建筑胶水泥浆粘贴,纤维网的宽度不小于300mm,与不同基层的搭接宽度每边不小于100mm,挂网要做到均匀、牢固,在砌体上不得用射钉固定。技术负责人交底人接受人技术交底记录年月日工程名称山水天玑2#楼分部工程建筑装饰装修分项工程名称:一般抹灰交底内容3、喷水湿润:用水将墙体湿润,喷水要均匀,不得遗漏。基层为加气砼墙体时,将墙面上的粉尘扫净并浇水,水渗入砖内10mm左右。4、喷浆:用界面剂、水泥和过筛细砂混合而成的水泥砂浆做甩浆液,喷浆墙面布点要均匀,不应有漏涂。浇水养护,待水泥浆液达到70%强度以上后再抹底灰。5、吊垂直、套方、找规矩、贴灰饼:根据基础表面平整、垂直情况,经检查后确定抹灰厚度,但最小不应少于7mm,墙面凹度较大时要分层操作。用线坠、方尺、拉通线等方法贴灰饼,用托线板找好垂直,下灰饼也作为踢脚板依据。灰饼宜采用1:3水泥砂浆做成50mm见方形状,水平距离约为1.2~1.5m为左右。6、墙面冲筋(设置标筋):根据灰饼用与抹灰相同的砂浆冲筋(标筋),冲筋的根数根据房间的高度或宽度来定,冲筋的宽度约为50mm左右。7、做护角:根据灰饼和冲筋,首先应把门窗口角和墙面、柱面阳角抹出水泥护角,按设计要求,室内所有阳角均做1800高水泥护角,做法详见12YJ7-1第61页节点2。8、基层抹灰:基层处理完毕后,将墙面浇水湿润。基层抹灰要在界面剂水泥砂浆达到一定强度后开始抹底灰。抹灰分层涂抹,必须在前一层砂浆凝固后再抹下一层。9、修抹预留孔洞、电气箱、槽、盒:当底灰抹平后,应即设专人先把预留孔洞、电气箱、槽、盒周边5cm的石灰砂浆清理干净,改用1:1:4水泥混合砂浆把洞、箱、槽、盒抹成方正、光滑、平整。10、面层抹灰:须将底子灰表面扫毛或划出纹道,面层应注意接茬,与底灰结合牢固,铁抹子压光。注意在抹面层灰之前检查底灰有无空鼓、空裂现象。罩面后次日进行喷水养护。11、抹灰的具体做法:所有顶棚基层处理、采用磨光机将模板接缝磨平。顶棚1:厨房、卫生间、储藏...

1、当您付费下载文档后,您只拥有了使用权限,并不意味着购买了版权,文档只能用于自身使用,不得用于其他商业用途(如 [转卖]进行直接盈利或[编辑后售卖]进行间接盈利)。
2、本站所有内容均由合作方或网友上传,本站不对文档的完整性、权威性及其观点立场正确性做任何保证或承诺!文档内容仅供研究参考,付费前请自行鉴别。
3、如文档内容存在违规,或者侵犯商业秘密、侵犯著作权等,请点击“违规举报”。

碎片内容

内粉技术交底

您可能关注的文档

确认删除?
VIP
微信客服
  • 扫码咨询
会员Q群
  • 会员专属群点击这里加入QQ群
客服邮箱
回到顶部