电脑桌面
添加小米粒文库到电脑桌面
安装后可以在桌面快捷访问

加油加气站设计与施工规范VIP免费

加油加气站设计与施工规范_第1页
1/33
加油加气站设计与施工规范_第2页
2/33
加油加气站设计与施工规范_第3页
3/33
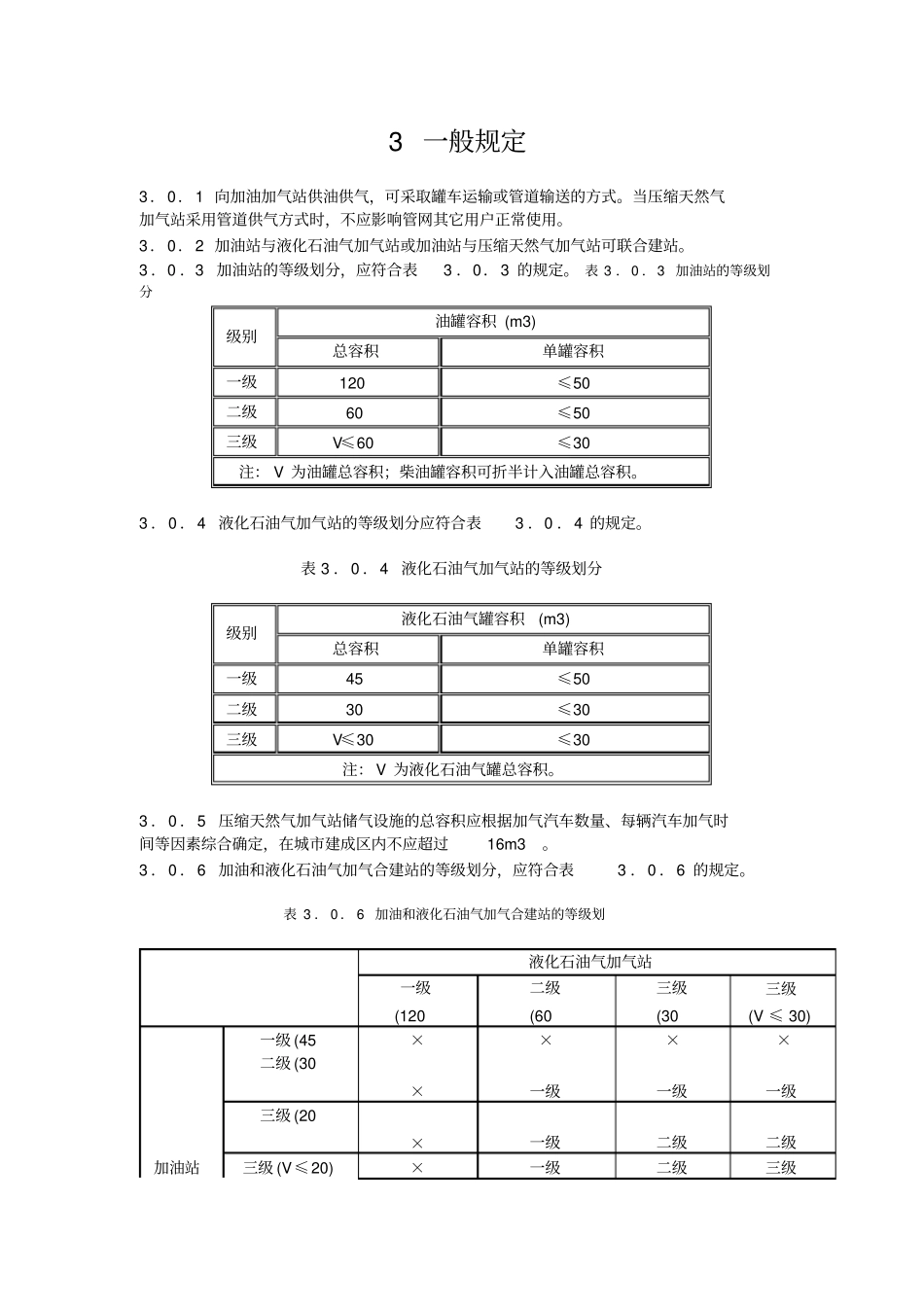
中华人民共和国国家标准汽车加油加气站设计与施工规范GB50156-20021总则2术语3一般规定4站址选择5总平面布置6加油工艺及设施6.1油罐6.2工艺系统7液化石油气加气工艺及设施7.1液化石油气质量和储罐7.2泵和压缩机7.3液化石油气加气机7.4液化石油气管道及其组成件7.5紧急切断系统7.6槽车卸车点8压缩天然气加气工艺及设施8.1天然气的质量、调压、计量、脱硫和脱水8.2天然气增压8.3压缩天然气的储存8.4压缩天然气加气机8.5加气工艺设施的安全保护8.6压缩天然气管道及其组成件9消防设施及给排水10电气装置10.1供配电10.2防雷10.3防静电10.4报警系统11采暖通风、建筑物、绿化11.1采暖通风11.2建筑物11.3绿化12工程施工12.1一般规定12.2材料和设备检验12.3土建工程12.4工艺设备安装12.5管道工程12.6电气仪表施工12.7防腐蚀工程12.8交工文件附录A计算间距的起讫点附录B加油加气站内爆炸危险区域的等级范围划分附录C民用建筑物保护类别划分本规范用词说明1总则1.0.1为了在汽车加油加气站设计和施工中贯彻国家有关方针政策,统一技术要求.做到安全可靠、技术先进、经济合理,制定本规范。1.0.2本规范适用于新建、扩建和改建的汽车加油站、液化石油气加气站、压缩天然气加气站和汽车加油加气合建站工程的设计和施工。1.0.3汽车加油加气站设计和施工除应执行本规范外,尚应符合国家现行有关强制性标淮的规定。2术语2.0.1加油加气站automobilegasoline/gasfillingstation加油站、液化石油气加气站、压缩天然气加气站、加油加气合建站的统称。2.0.2加油站automobilegasolinefillingstation为汽车油箱充装汽油、柴油的专门场所。2.0.3液化石油气加气站automobileLPGfillingstation为燃气汽车储气瓶充装车用液化石油气的专门场所。2.0.4压缩大然气加气站automobileCNGfillingstation为燃气汽车储气瓶充装车用压缩天然气的专门场所。2.0.5加油加气合建站automobilegasolineandgasfilling既可为汽车油箱充装汽油、柴油,又可为燃气汽车储气瓶充装车用液化石油气或车用压缩天然气的专门场所。2.06加气站automobileLPGorCNGfillingstation液化石油气加气站或压缩天然气加气站的简称。2.0.7站房stationhouse用于加油加气站管理和经营的建筑物。2.0.8加油岛gasolinefillingisland用于安装加油机的平台。2.0.9加气岛gasfillingisland用于安装加气机的平台。2.0.10埋地油罐undergroundstoragegasolinetank采用直接覆土或罐池充沙(细土)方式埋设在地下,且罐内最高液面低于罐外4m范围内地面的最低标高0.2m的卧式油品储罐。2.0.11埋地液化石油气罐undergroudstorageLPGtank采用直接覆土或罐池充沙(细土)方式埋设在地下,且罐内最高液面低于罐外4m范围内地面的最低标高0.2m的卧式液化石油气储罐。2.0.12密闭卸油点closedunloadinggasolinepoint埋地油罐以密闭方式接卸汽车油罐车所载油品的固定接头2.0.13卸油油气回收系统vaporrecoverysystemforunloadinggasoline将汽油油罐车卸油时产生的油气回收至油罐车里的密闭油气回收系统。2.0.14加油油气回收系统vaporrecoverysystemforfilling将给汽油车辆加油时产生的油气回收至埋地汽油罐的密闭油气回收系统。2.0、15加气机LPG(CNG)dispenser给汽车储气瓶充装液化石油气或压缩天然气,并带有计量、计价装置的专用设备。2.0.16拉断阀breakawaycoupling在一定外力作用下可被拉断成两节,拉断后具有自密封功能的阀门。2.0.17压缩天然气加气母站gasprimaryfillingstation可为车载储气瓶充装压缩天然气的压缩大然气加气站。2.0、18压缩天然气加气子站gassecondaryfillingstation用车载储气瓶运进压缩天然气。为汽车进行加气作业的压缩天然气加气站。2.0、19储气井gasstoragewell压缩天然气加气站内用于储存压缩天然气的立井。3一般规定3.0.1向加油加气站供油供气,可采取罐车运输或管道输送的方式。当压缩天然气加气站采用管道供气方式时,不应影响管网其它用户正常使用。3.0.2加油站与液化石油气加气站或加油站与压缩天然气加气站可联合建站。3.0.3加油站的等级划分,应符合表3.0.3的规定...

1、当您付费下载文档后,您只拥有了使用权限,并不意味着购买了版权,文档只能用于自身使用,不得用于其他商业用途(如 [转卖]进行直接盈利或[编辑后售卖]进行间接盈利)。
2、本站所有内容均由合作方或网友上传,本站不对文档的完整性、权威性及其观点立场正确性做任何保证或承诺!文档内容仅供研究参考,付费前请自行鉴别。
3、如文档内容存在违规,或者侵犯商业秘密、侵犯著作权等,请点击“违规举报”。

碎片内容

加油加气站设计与施工规范

您可能关注的文档

确认删除?
VIP
微信客服
  • 扫码咨询
会员Q群
  • 会员专属群点击这里加入QQ群
客服邮箱
回到顶部