电脑桌面
添加小米粒文库到电脑桌面
安装后可以在桌面快捷访问

化粪池基坑支护施工方案VIP免费

化粪池基坑支护施工方案_第1页
1/15
化粪池基坑支护施工方案_第2页
2/15
化粪池基坑支护施工方案_第3页
3/15
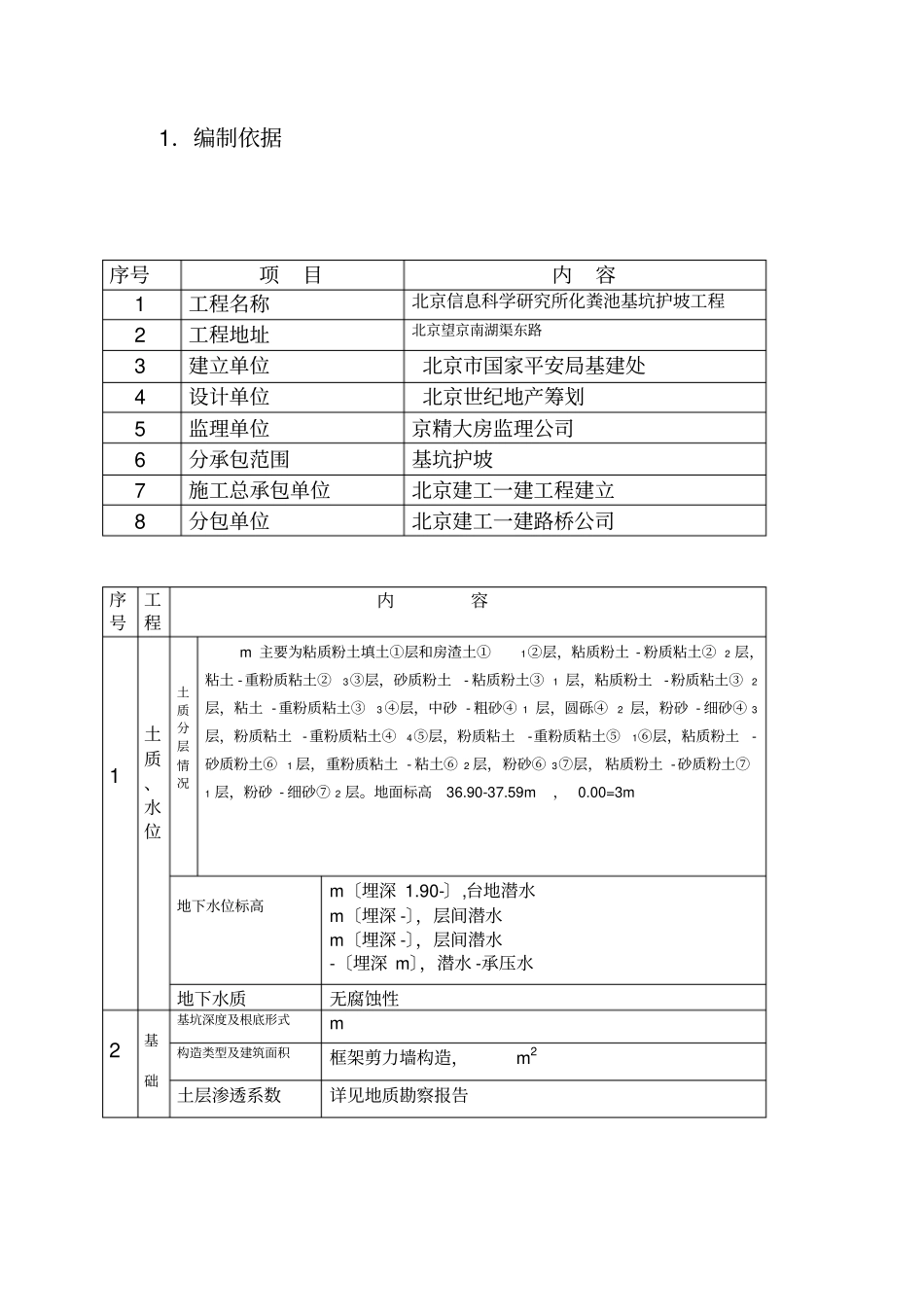
化粪池基坑支护施工方案北京城五工程建立有限程公司2021年03月01日1.编制依据序号项目内容1工程名称北京信息科学研究所化粪池基坑护坡工程2工程地址北京望京南湖渠东路3建立单位北京市国家平安局基建处4设计单位北京世纪地产筹划5监理单位京精大房监理公司6分承包范围基坑护坡7施工总承包单位北京建工一建工程建立8分包单位北京建工一建路桥公司序号工程内容1土质、水位土质分层情况m主要为粘质粉土填土①层和房渣土①1②层,粘质粉土-粉质粘土②2层,粘土-重粉质粘土②3③层,砂质粉土-粘质粉土③1层,粘质粉土-粉质粘土③2层,粘土-重粉质粘土③3④层,中砂-粗砂④1层,圆砾④2层,粉砂-细砂④3层,粉质粘土-重粉质粘土④4⑤层,粉质粘土-重粉质粘土⑤1⑥层,粘质粉土-砂质粉土⑥1层,重粉质粘土-粘土⑥2层,粉砂⑥3⑦层,粘质粉土-砂质粉土⑦1层,粉砂-细砂⑦2层。地面标高36.90-37.59m,0.00=3m地下水位标高m〔埋深1.90-〕,台地潜水m〔埋深-〕,层间潜水m〔埋深-〕,层间潜水-〔埋深m〕,潜水-承压水地下水质无腐蚀性2基础基坑深度及根底形式m构造类型及建筑面积框架剪力墙构造,m2土层渗透系数详见地质勘察报告施工组织系统施工管理目标:确保工程总工期。平安生产:杜绝死亡及重伤事故,杜绝一切消防事故。文明生产:创北京市文明施工现场。现场管理机构为了确保上述管理目标的实现,加强对工程施工的领导,选派素质高,经历好,熟悉国际工程管理惯例,专业齐全的工程管理人员组成强有力的组织机构,并采用已在国际上被承包商普遍采用的施工工程管理方法,推行ISO9000和TQC的标准化管理方法,对本工程的合同、方案、施工进度、技术、工艺、机具使用、施工协调、工程信息、技术管理、资金运用及本钱控制,实行全方位的综合性管理。施工现场管理机构技术员施工员质检员平安员材料员生产副经理工程经理工程总工QC小组工程工程部管理人员姓名职务职责李文卫工程经理对工程质量、平安、进度及本钱控制全面负责赵牧杰技术质量监视检查施工质量蔡大公工长负责现场生产施工李明平安员负责消防保卫及平安生产程建材料员负责材质及材料节约措施李仕水护坡队长负责组织护坡施工护坡工程主要施工机械设备名称规格单位数量用途砼喷射机PZ5台1喷射砼洛阳铲100把5锚钉成孔空压机12m3台1锚钉成孔砂浆泵BW-160台1注浆电焊机BJ-300、500台1砂浆250L台1施工准备工作3.2.1.1全面调查施工现场和锚杆深度范围内的地上、地下障碍物,制定排障方案和处理方案,并另以实施。3.2.1.2根据建立单位提供的建筑红线、控制桩、水准点和施工图纸,进展测量放线工作。3.2.1.3根据轴线桩、施工图纸,测放桩位和基坑开挖线,并加以保护。3.2.1.4施工用电和施工照明:根据机械配备型号和数量及钢筋加工、混凝土浇筑用电,经计算工程顶峰用电量为50KW。3.2.1.5施工用水:在现场设置两处外管径为50mm的水源,供护坡工程用水。3.2.1.7根据施工方案和施工图纸进展机械设备和钢筋、水泥、砂石等材料的准备。为了保质、保量、按期完成工程任务,根据工程特点、结合我公司施工能力,作如下施工部署:3.2.2.1委派有一定工程施工经历的员工参加该工程工程,建立工程工程经理部统一管理;3.2.2.2实行岗位责任制,指标层层落实;3.2.2.3土钉支护与土方开挖同时进展,不占工期;3.2.2.4切实控制施工质量与速度,保证土方完毕土钉支护完毕施工;3.2.2.5合理组织、精心施工,保质、保量,按期交工。喷锚护坡施工工艺流程开挖坡面人工修补坡面造孔置杆注浆铺设面层钢筋网片设置锚头喷射混凝土开挖下一步按照施工进度方案及工程量配备劳力,并安排进场时间,用工顶峰时现场劳动力为10人。主要工程工程量及施工进度方案总工期约7天,其中:3.3.2.2喷锚护坡施工工期随土方开挖工期,分步开挖,分步支护,土方挖完,护坡完成,工期约7天。3.4.1落实解决场区三通一平,绘制施工场地平面图,会同甲方解决工地食宿问题。3.4.2协同甲方妥善处理支护构造范围内地下管线和构筑物。3.4.3落实所需各种设备、材料,根据需要组织局部材料进场。提前进展钢筋加工。3.4.4组织施工人员熟悉地质报告、施工方案及有关标准规程。3.4.5对施工人员进展平安...

1、当您付费下载文档后,您只拥有了使用权限,并不意味着购买了版权,文档只能用于自身使用,不得用于其他商业用途(如 [转卖]进行直接盈利或[编辑后售卖]进行间接盈利)。
2、本站所有内容均由合作方或网友上传,本站不对文档的完整性、权威性及其观点立场正确性做任何保证或承诺!文档内容仅供研究参考,付费前请自行鉴别。
3、如文档内容存在违规,或者侵犯商业秘密、侵犯著作权等,请点击“违规举报”。

碎片内容

化粪池基坑支护施工方案

您可能关注的文档

确认删除?
VIP
微信客服
  • 扫码咨询
会员Q群
  • 会员专属群点击这里加入QQ群
客服邮箱
回到顶部