电脑桌面
添加小米粒文库到电脑桌面
安装后可以在桌面快捷访问

沥青混凝土面层检验批VIP免费

沥青混凝土面层检验批_第1页
1/7
沥青混凝土面层检验批_第2页
2/7
沥青混凝土面层检验批_第3页
3/7
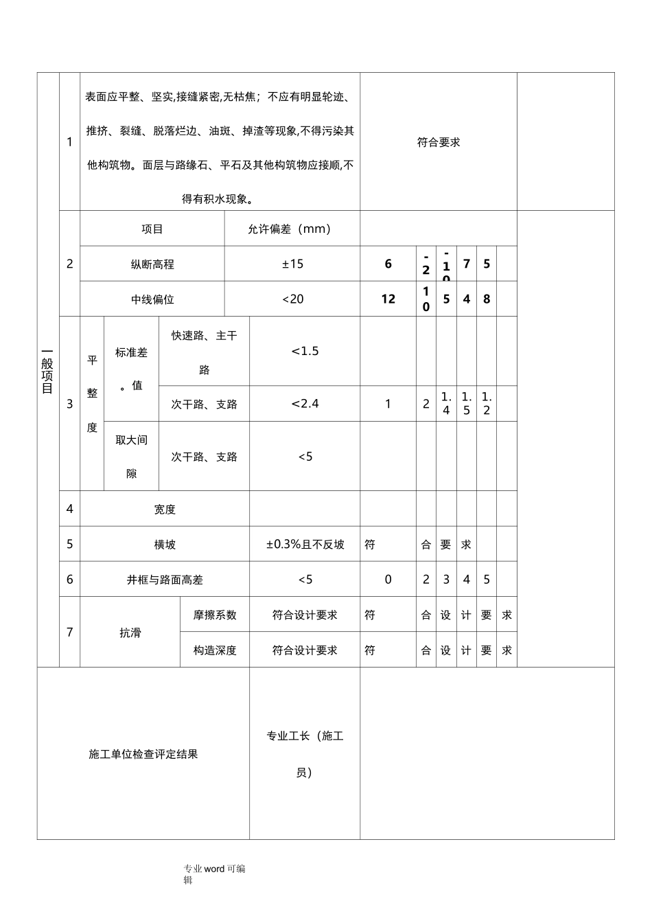
专业word可编辑沥青混凝土面层工程检验批质量验收记录表单位工程名称分项工程名称验收部位施工单位项目经理项目专业技术负责人施工执行标准名称及编号《沥青路面施工及验收规范》(GB50092-96)施工质量验收规范规定施工单位检杳评定记录监理(建设)单位验收记录1各种原材料、混合料的品种、规格符合规范和设计要求2沥青混凝土面层压实度>95%3沥青混凝土面层弯沉值»设计规定4允许偏差(mm)-5,+20面层厚度5沥青混合料的施工温度符合设计和规氾要求般项目1表面质量见本规范表第11.436条2沥青混凝土面层接茬见本规范表第11.437条3m平整度5宽度-20中线高程±20横坡±10只不大于±0.3%井框与路面高差5施工单位检杳评定结果专业工长(施工员)主控项目、般项目全部口格,付口施丄质量验收规氾要求。项目专业质量检杳员:年月日监理(建设)单位验收结论:专业监理工程师:(建设单位项目专业技术负责人)年月日专业word可编辑热拌沥青混合料面层工程检验批质量验收记录建设单位:监理单位:合同号:施工单位:单位(子单位)工程名称项目经理分部(子分部)工程名称4cm中粒式沥青砼层摊铺执行标准CJJ1-2008验收部位施工质量验收规范的规定施工单位检杳评定记录监理单位验收记录主控项目1道路用沥青的品种、标号应符合国家标准和规范规定沥青混合料所选用的粗集料、细集料、矿粉、纤维稳定剂等的质量及规格应符合规范规定。沥青混合料所选用的粗集料等符合规范规定混合料应杳出厂合格证、检验报告并进场复验,拌合温度、出厂温度应符合规范规定。混合料符合规范规定沥冃混合料品质应付合马歇令料符合:尔试验配合比技术要求。沥J冃混匕技术要求2项目允许偏差(mm)实测偏差压实度主干道>96%次干路及以下道路>95%98.0厚度不小于设计规定大于设计规定弯沉值路宽<9m不大于设计规定小于设计规定9-15m>15m专业word可编辑一般项目1表面应平整、坚实,接缝紧密,无枯焦;不应有明显轮迹、推挤、裂缝、脱落烂边、油斑、掉渣等现象,不得污染其他构筑物。面层与路缘石、平石及其他构筑物应接顺,不得有积水现象。符合要求2项目允许偏差(mm)纵断高程±156-2-1075中线偏位<2012105483平整度标准差。值快速路、主干路<1.5次干路、支路<2.4121.41.51.2取大间隙次干路、支路<54宽度5横坡±0.3%且不反坡符合要求6井框与路面高差<5023457抗滑摩擦系数符合设计要求符合设计要求构造深度符合设计要求符合设计要求施工单位检查评定结果专业工长(施工员)专业word可编辑符合设计及规氾要求质量检杳员:2010年月日监理单位验收结论专业监理工程师:年月日专业word可编辑工序质量报验单工程名称:编号:致:(监理单位)兹报验:□1地基与基础□2主体结构□3建筑装饰装修□4建筑屋面□5建筑给水、排水及采暖□6建筑电气□7智能建筑□8通风与空调□9电梯□10建筑节能□验收时间:本次报验内容系第丄次报验,本项目经理部已完成自检工作且资料完整,并呈报相应资料。专业word可编辑专业word可编辑监理审查意见:□可进行后续施工。□核验未通过,不得进入下道工序施工,整改后再报。项目监理机构(章):专业监理工程师:日期:注:1、未经项目监理机构验收通过,承包单位不得进入下道工序施工。2、承包单位项目经理部应提前提出本报验单,并给予配合。

1、当您付费下载文档后,您只拥有了使用权限,并不意味着购买了版权,文档只能用于自身使用,不得用于其他商业用途(如 [转卖]进行直接盈利或[编辑后售卖]进行间接盈利)。
2、本站所有内容均由合作方或网友上传,本站不对文档的完整性、权威性及其观点立场正确性做任何保证或承诺!文档内容仅供研究参考,付费前请自行鉴别。
3、如文档内容存在违规,或者侵犯商业秘密、侵犯著作权等,请点击“违规举报”。

碎片内容

沥青混凝土面层检验批

您可能关注的文档

确认删除?
VIP
微信客服
  • 扫码咨询
会员Q群
  • 会员专属群点击这里加入QQ群
客服邮箱
回到顶部