电脑桌面
添加小米粒文库到电脑桌面
安装后可以在桌面快捷访问

铝合金的性能.VIP免费

铝合金的性能._第1页
1/17
铝合金的性能._第2页
2/17
铝合金的性能._第3页
3/17
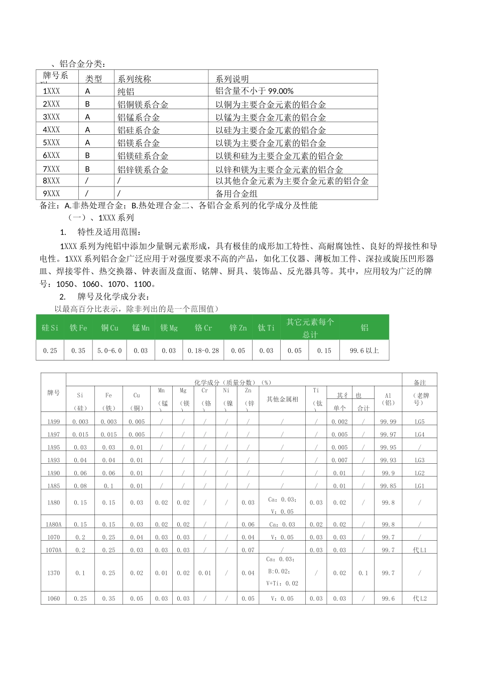
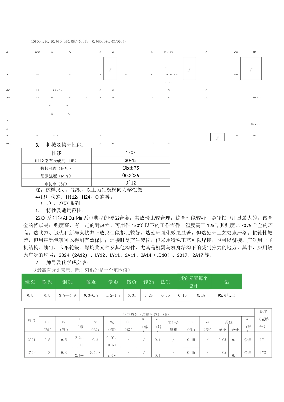
、铝合金分类:牌号系列类型系列统称系列说明1XXXA纯铝铝含量不小于99.00%2XXXB铝铜镁系合金以铜为主要合金元素的铝合金3XXXA铝锰系合金以锰为主要合金兀素的铝合金4XXXA铝硅系合金以硅为主要合金兀素的铝合金5XXXA铝镁系合金以镁为主要合金兀素的铝合金6XXXB铝镁硅系合金以镁和硅为主要合金兀素的铝合金7XXXB铝锌镁系合金以锌和镁为主要合金元素的铝合金8XXX//以其他合金元素为主要合金元素的铝合金9XXX//备用合金组备注:A.非热处理合金;B.热处理合金二、各铝合金系列的化学成分及性能(一)、1XXX系列1.特性及适用范围:1XXX系列为纯铝中添加少量铜元素形成,具有极佳的成形加工特性、高耐腐蚀性、良好的焊接性和导电性。1XXX系列铝合金广泛应用于对强度要求不高的产品,如化工仪器、薄板加工件、深拉或旋压凹形器皿、焊接零件、热交换器、钟表面及盘面、铭牌、厨具、装饰品、反光器具等。其中,应用较为广泛的牌号:1050、1060、1070、1100。2.牌号及化学成分表:以最高百分比表示,除非列出的是一个范围值)硅Si铁Fe铜Cu锰Mn镁Mg铬Cr锌Zn钛Ti其它元素每个总计铝0.250.355.0-6.00.030.030.18-0.280.050.030.050.1599.6以上牌号化学成分(质量分数)(%)备注Si(硅)Fe(铁)Cu(铜)Mn(锰)Mg(镁)Cr(铬)Ni(镍)Zn(锌)其他金属相Ti(钛)其彳也Al(铝)(老牌号)单个合计1A990.0030.0030.005///////0.002/99.99LG51A970.0150.0150.005///////0.005/99.97LG41A950.030.030.01///////0.005/99.95/1A930.040.040.01///////0.007/99.93LG31A900.060.060.01///////0.01/99.9LG21A850.080.10.01///////0.01/99.85LG11A800.150.150.030.020.02//0.03Ca:0.03;V:0.050.030.02/99.8/1A80A0.150.150.030.020.02//0.06Ca:0.030.020.02/99.8/10700.20.250.040.030.03//0.04V:0.050.030.03/99.7/1070A0.20.250.030.030.03//0.07/0.030.03/99.7代L113700.10.250.020.010.020.01/0.04Ca:0.03;B:0.02;V+Ti:0.02/0.020.199.7/10600.250.350.050.030.03//0.05V:0.050.030.03/99.6代L210500.250.40.050.050.05//0.05V:0.050.030.03/99.5/1050.00.0.0.0.0.0.99代1A000.0.0.0.Fe+Si:0.99L13000.0.Ca:11Si+Fe:0.0.0.100.000.0.1A1112120.0.0.0.Si+Fe:Si+Fe:Si+Fe:0.0.0.0.0.0.0.0.0.0.0.0.0.0.00.000B:0.05V+Ti:V:V:V:0.0990.0.99.0.0.0.0.0.0.0.0.0.0.0.99.代L499L49999.代L5-代3.机械及物理性能:性能1XXXH112态布氏硬度(HB)30-45抗拉强度(MPa)Ob±75屈服强度(MPa)00.2235伸长率(%)0^12注:试样尺寸:铝板,以上为铝板横向力学性能4•出厂状态:H112,H24,O态等。(二)、2XXX系列1.特性及适用范围:2XXX系列为Al-Cu-Mg系中典型的硬铝合金,其成份比较合理,综合性能较好,是硬铝中用量最大的。该合金的特点是:强度高,有一定的耐热性,可用作150°C以下的工作零件。温度高于125^,其强度比7075合金的还高。热状态、退火和新淬火状态下成形性能都比较好,热处理强化效果显著,但热处理工艺要求严格。抗蚀性较差,但用纯铝包覆可以得到有效保护;焊接时易产生裂纹,但采用特殊工艺可以焊接,也可以铆接。广泛用于飞机结构、铆钉、卡车轮毂、螺旋桨元件及其他构件,尤其是机翼与机身结构下的受到张力的地方。其中,应用较为广泛的牌号:2024(2A12)、LY12、LY11、2A11、2A14(LD10)、2017、2A17等。2.牌号及化学成分表:以最高百分比表示,除非列出的是一个范围值)硅Si铁Fe铜Cu锰Mn镁Mg铬Cr锌Zn钛Ti其它元素每个总计铝0.50.53.8—4.90.3-0.91.2-1.80.010.250.150.150.1592.6以上牌号化学成分(质量分数)(%)备注(老牌号)Si(硅)Fe(铁)Cu(铜)Mn(锰)Mg(镁)Cr(铬)Ni(镍)Zn(锌)其他金属相Ti(钛)Zr(锆)其他Al(铝)单个合计2A010.50.52.2〜3.00.20.20〜0.50//0.1/0.15/0.050.1余量LY12A020.30.32.6〜0.45〜2.0〜//0.1/0.15/0.050.1余量LY23.20.72.40.052A040.30.30.10.0013.70.80.013.20.50〜3.80.50〜2A060.50.54.31.02A100.250.22A110.70.72B110.50.52A120.50.52B120.50.52A130.70.62A142A162B162A172A202A212A252A492A502B503.94.53...

1、当您付费下载文档后,您只拥有了使用权限,并不意味着购买了版权,文档只能用于自身使用,不得用于其他商业用途(如 [转卖]进行直接盈利或[编辑后售卖]进行间接盈利)。
2、本站所有内容均由合作方或网友上传,本站不对文档的完整性、权威性及其观点立场正确性做任何保证或承诺!文档内容仅供研究参考,付费前请自行鉴别。
3、如文档内容存在违规,或者侵犯商业秘密、侵犯著作权等,请点击“违规举报”。

碎片内容

铝合金的性能.

您可能关注的文档

确认删除?
VIP
微信客服
  • 扫码咨询
会员Q群
  • 会员专属群点击这里加入QQ群
客服邮箱
回到顶部