电脑桌面
添加小米粒文库到电脑桌面
安装后可以在桌面快捷访问

复合型玻纤板风管制作与安装工艺标准_secretVIP免费

复合型玻纤板风管制作与安装工艺标准_secret_第1页
1/6
复合型玻纤板风管制作与安装工艺标准_secret_第2页
2/6
复合型玻纤板风管制作与安装工艺标准_secret_第3页
3/6
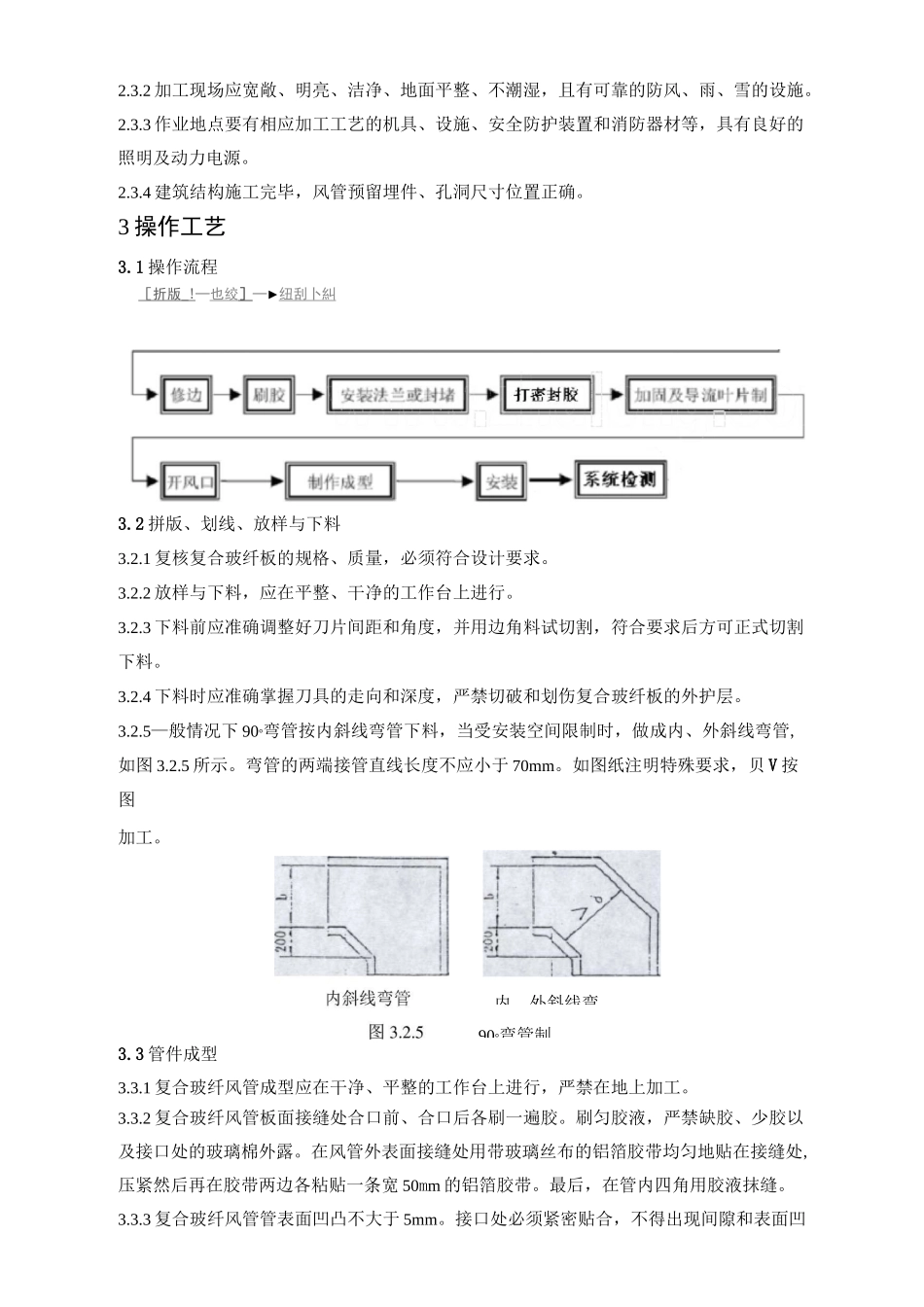
3—4复合型玻纤板风管制作与安装1范围本章适用于一般工业与民用建筑,通风与空调工程中复合型玻纤板风管板材制作与安装。复合玻纤板材即高密度离心玻璃棉板材经过高温、高压复合生产线复合成的铝箔复合板材,由三层组成。内层为高密度的阻燃黑色防霉、防潮、防蛀的丙烯酸涂层或玻璃纤维,中间层为25mm或38mm玻璃纤维板,外层为复合型玻璃纤维铝箔,具有保温及吸声性能。2施工准备2.1材料要求2.1.1风管制作与安装所用的板材、型材及其他成品材料应符合设计及国家相关产品标准的规定,并具有出厂质量检验合格证明文件。材料进场按现行相关标准进行验收。2.1.2铝箔复合保温板材的品种、规格、性能、厚度等技术参数应符合设计规定。当设计无规定时,应符合以下规定。1玻纤板应为不燃材料。规格为厚25mm、密度64kg/m3、宽1000〜1200mm,长度不限,特殊情况为38mm或由供需双方商定。导热性能与尺寸、密度偏差应符合GB/T13350规定。2玻璃纤维布复合铝箔规格为宽1000mm或1200mm、厚0.015mm或0.02mm。氧指数不小于70。3铝箔胶带规格为宽50mm或60mm、厚0.05mm。氧指数不小于30。剥离强度不小于12N/25mm。4粘合剂粘度、PH值、含固量、粘结强度应符合表2.1.2-4规定。氧指数不小于60。表2.1.2-4粘合剂粘度、PH值、含固量、粘结强度名称粘度PasPH值含固量粘结强度MPa复合玻纤板用粘合剂10〜136〜756±3三1.22.1.3其它辅助材料如卡架、螺栓等应符合相关质量要求,并满足使用要求。2.2主要施工机具2.2.1机械:切割机、手动压弯机、台钻、电锤、手电钻、电焊机等。2.2.2工具:工作台、压尺、双刃刀(90。、45。)、单刃刀(90。、左右45。、左右22.5。)、壁纸刀、扳手、打胶枪等。2.2.3量具及其他角尺、钢板尺、钢卷尺、划规等。2..3作业条件2.3.1设计图纸、技术文件齐备,对施工图进行审核、编制施工方案、进行施工技术交底。风管制作应具有批准的图纸,经审查的大样图、系统图,并有施工员书面的技术、质量、安全交底材料。2.3.2加工现场应宽敞、明亮、洁净、地面平整、不潮湿,且有可靠的防风、雨、雪的设施。2.3.3作业地点要有相应加工工艺的机具、设施、安全防护装置和消防器材等,具有良好的照明及动力电源。2.3.4建筑结构施工完毕,风管预留埋件、孔洞尺寸位置正确。3操作工艺3.1操作流程3.2拼版、划线、放样与下料3.2.1复核复合玻纤板的规格、质量,必须符合设计要求。3.2.2放样与下料,应在平整、干净的工作台上进行。3.2.3下料前应准确调整好刀片间距和角度,并用边角料试切割,符合要求后方可正式切割下料。3.2.4下料时应准确掌握刀具的走向和深度,严禁切破和划伤复合玻纤板的外护层。3.2.5—般情况下90°弯管按内斜线弯管下料,当受安装空间限制时,做成内、外斜线弯管,如图3.2.5所示。弯管的两端接管直线长度不应小于70mm。如图纸注明特殊要求,贝V按图加工。3.3管件成型3.3.1复合玻纤风管成型应在干净、平整的工作台上进行,严禁在地上加工。3.3.2复合玻纤风管板面接缝处合口前、合口后各刷一遍胶。刷匀胶液,严禁缺胶、少胶以及接口处的玻璃棉外露。在风管外表面接缝处用带玻璃丝布的铝箔胶带均匀地贴在接缝处,压紧然后再在胶带两边各粘贴一条宽50mm的铝箔胶带。最后,在管内四角用胶液抹缝。3.3.3复合玻纤风管管表面凹凸不大于5mm。接口处必须紧密贴合,不得出现间隙和表面凹[折版_!—也绞]—►纽刮卜糾90°弯管制内、外斜线弯凸、错口。3.3.4三通、四通凡设计要求加装拉杆调节阀和导流片的要加装拉杆调节阀和设导流片,制作方法与钢板风管相同。固定方式采用M4x35螺丝紧固,外加固采用压制成型的镀锌铁皮加固。3.4钢制连接短管装配3.4.1复合玻纤风管内边小于1500mm的管段,管段之间一律采用承插式钢制连接短管连接。复合玻纤风管四角用25x25mm镀锌包角,风管两头用25x40mm不等边镀锌包角,用拉铆钉连接成框架形式。钢制内套的坡口应顺气流方向。3.4.2装配时,复合玻纤风管与连接短管及折边压条接触部位应刷满胶液,玻璃棉不得外露。折边压条用厚0.5〜0.75mm镀锌钢板制作,用M4x35镀锌螺栓固定,螺孔间距不大于140mm。钢制连接短管与复合玻纤风管的装配按图3.4.2施工。3.4.3连接...

1、当您付费下载文档后,您只拥有了使用权限,并不意味着购买了版权,文档只能用于自身使用,不得用于其他商业用途(如 [转卖]进行直接盈利或[编辑后售卖]进行间接盈利)。
2、本站所有内容均由合作方或网友上传,本站不对文档的完整性、权威性及其观点立场正确性做任何保证或承诺!文档内容仅供研究参考,付费前请自行鉴别。
3、如文档内容存在违规,或者侵犯商业秘密、侵犯著作权等,请点击“违规举报”。

碎片内容

复合型玻纤板风管制作与安装工艺标准_secret

确认删除?
VIP
微信客服
  • 扫码咨询
会员Q群
  • 会员专属群点击这里加入QQ群
客服邮箱
回到顶部