电脑桌面
添加小米粒文库到电脑桌面
安装后可以在桌面快捷访问

涵洞台背回填技术交底VIP免费

涵洞台背回填技术交底_第1页
1/5
涵洞台背回填技术交底_第2页
2/5
涵洞台背回填技术交底_第3页
3/5
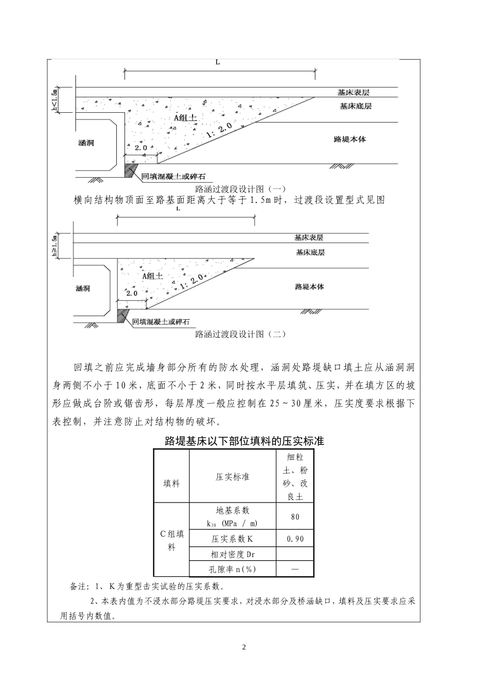
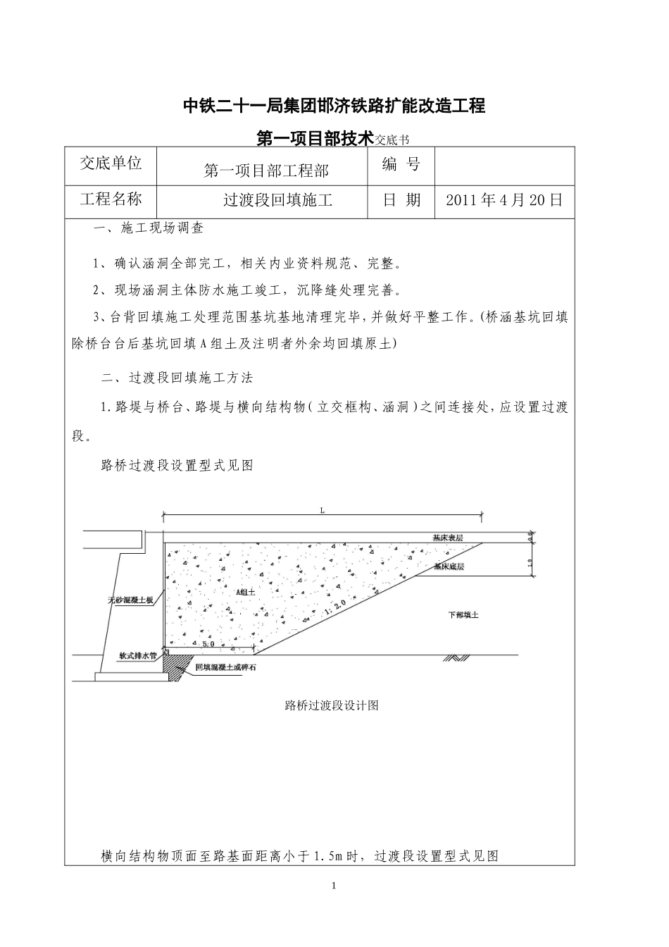
中铁二十一局集团邯济铁路扩能改造工程第一项目部技术交底书交底单位第一项目部工程部编号工程名称过渡段回填施工日期2011年4月20日一、施工现场调查1、确认涵洞全部完工,相关内业资料规范、完整。2、现场涵洞主体防水施工竣工,沉降缝处理完善。3、台背回填施工处理范围基坑基地清理完毕,并做好平整工作。(桥涵基坑回填除桥台台后基坑回填A组土及注明者外余均回填原土)二、过渡段回填施工方法1.路堤与桥台、路堤与横向结构物(立交框构、涵洞)之间连接处,应设置过渡段。路桥过渡段设置型式见图路桥过渡段设计图横向结构物顶面至路基面距离小于1.5m时,过渡段设置型式见图1路涵过渡段设计图(一)横向结构物顶面至路基面距离大于等于1.5m时,过渡段设置型式见图路涵过渡段设计图(二)回填之前应完成墙身部分所有的防水处理,涵洞处路堤缺口填土应从涵洞洞身两侧不小于10米,底面不小于2米,同时按水平层填筑、压实,并在填方区的坡形应做成台阶或锯齿形,每层厚度一般应控制在25~30厘米,压实度要求根据下表控制,并注意防止对结构物的破坏。路堤基床以下部位填料的压实标准填料压实标准细粒土、粉砂、改良土C组填料地基系数k30(MPa/m)80压实系数K0.90相对密度Dr孔隙率n(%)—备注:1、K为重型击实试验的压实系数。2、本表内值为不浸水部分路堤压实要求,对浸水部分及桥涵缺口,填料及压实要求应采用括号内数值。2注:所有未尽事宜及具体几何尺寸均以设计图为准三、质量保证措施1、施工技术人员对涵洞施工图纸进行详细审核,做好图纸审核记录,针对设计中出现的问题及时上报反馈解决,并做好相应的工程施工纪录。2、针对施工进行现场施工作业技术交底,并向现场施工人员进行技术指导,确保所有施工人员了解、领会施工意图,确保施工。3、严格遵循施工测量双检制和施工工序交接检制。4、施工过程严把质量检查控制关,未经检查同意不得进行下道工序施工。5、严肃施工技术人员值班制度,加强现场检查、指导控制力度。6、严格把好材料进场质量关,杜绝不合格材料进场。7、制定质量奖罚制度,加大质量奖罚管理力度。四、安全保证措施1、基础开挖地段发现不明管线时要与有关部门进行联系,确认并采取防护措施后再继续施工。2、在地下管线、线路、电缆处施工时,在征得有关部门同意,取得配合后,备齐备足必要的抢修材料,制定出应急方案后再行施工。3、所有施工车辆保证始终处于良好状态,所有机械操作及驾驶人员进行施工程序及操作细则学习,确保紧张有序。4、所有吊装机具,钢丝绳等经常进行检查,确保安全。5、雨季施工要密切注意天气变化,及时收听天气信息。使工器具、材料存放场地及人员驻地设于不易被洪水冲没处。6基坑开挖过程中应派专人对高边坡地段经常检查,发现有裂缝或异常情况后及时报告相关人员或处理。五、环境保护措施31、在施工场地平面布置过程中,尽量利用既有便道及场地,合理布设。2、生活垃圾及时处理,弃至指定地点,并做好绿化。3、雨季施工中,作好所有的防、排水设施,保持既有水利设施,理顺因工程施工而改变的排灌系统,确保水流畅通。4、施工现场坚持工完料清,随时处理工作面的施工废料、废弃油,集中袋装,及时清运,并运往指定地点。5、施工完毕后认真做好场地清理。特别是河道中临时结构物,做到河中不留异物。6、工程完工后,按要求及时拆除所有临时设施和地表硬化层,并将工地及周围环境清理整洁,恢复原状,协助当地政府搞好复耕工作。六、文明施工措施1、工地内的各种材料堆放整齐,并按有关规定进行标识。2、积极开展文明施工窗口达标活动,做到施工现场及周围道路平整无积水。3、施工现场必须做到挂牌施工,管理人员佩卡上岗。4、施工便道要经常洒水,防止尘土飞扬并做好施工用水的处理工作。5、严格奖法制度,对保持好的施工队和个人奖励,对差的进行处罚。七、施工应急措施1、基坑开挖过程中,备足草、土袋及支撑构件。当基坑边坡出现坍塌现象时,及时进行支撑加固。2、施工中降雨时,及时采用彩条布等对既有土体边坡进行覆盖,同时加强基坑的抽排水工作。43、加强排水设施的疏通,必要时对防排水设施进行铺砌防护。交底人复核审核接受人5

1、当您付费下载文档后,您只拥有了使用权限,并不意味着购买了版权,文档只能用于自身使用,不得用于其他商业用途(如 [转卖]进行直接盈利或[编辑后售卖]进行间接盈利)。
2、本站所有内容均由合作方或网友上传,本站不对文档的完整性、权威性及其观点立场正确性做任何保证或承诺!文档内容仅供研究参考,付费前请自行鉴别。
3、如文档内容存在违规,或者侵犯商业秘密、侵犯著作权等,请点击“违规举报”。

碎片内容

涵洞台背回填技术交底

书海行舟+ 关注
实名认证
内容提供者

热爱教学事业,对互联网知识分享很感兴趣

确认删除?
VIP
微信客服
  • 扫码咨询
会员Q群
  • 会员专属群点击这里加入QQ群
客服邮箱
回到顶部