电脑桌面
添加小米粒文库到电脑桌面
安装后可以在桌面快捷访问

全金属浆液循环泵VIP免费

全金属浆液循环泵_第1页
1/4
全金属浆液循环泵_第2页
2/4
全金属浆液循环泵_第3页
3/4
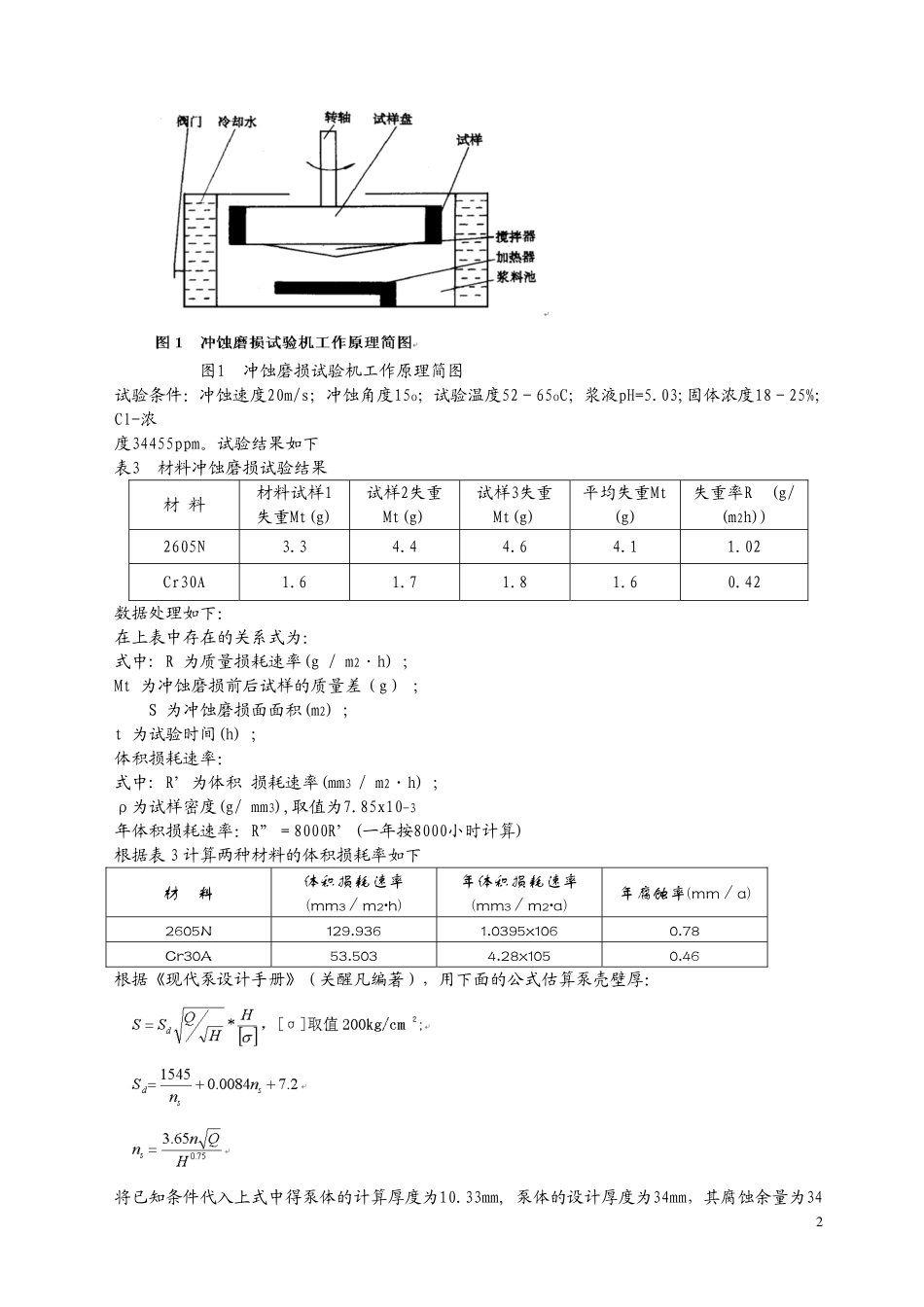
1全金属浆液循环泵为何在能湿法烟气脱硫中得到广泛使用?在湿法烟气脱硫中,浆液循环泵主要有两种选择方案:⑴全金属泵,⑵衬胶泵,两种泵的主要差别体现在泵体使用的耐磨耐蚀材料不同,其余部件使用的材料都完全相同,全金属泵的泵体使用的是全金属,衬胶泵的泵体使用的是碳钢+橡胶衬里。全金属浆液循环泵的一次性投资约比衬胶泵贵20%左右,那么,全金属浆液循环泵为何还能在湿法烟气脱硫中得到广泛使用?㈠为何金属材料的选用能够成功?烟气脱硫浆液介质状况:15-25Wt%石膏和碳酸钙浆液、PH=4-7、Cl-60000ppm、温度50-55oC、比重1.15。针对烟气脱硫浆液介质的特点,襄樊五二五泵业有限公司对引进的两种材质进行改进,以适应烟气脱硫浆液的介质状况。在Cr30的基础上加入相关元素,提高了其抗氯离子腐蚀的性能,改进后材料的企业代号为Cr30A。该材质由于其硬度较高,耐腐蚀耐磨蚀性能较好,用于制造浆液循环泵中旋转件叶轮及与其配合的前耐磨板、后泵盖等零件。在2605基础上,降低碳含量至超低碳范围(0.03%)以下,改进后材料的企业代号2605N,其孔蚀抗力当量值PRE值大于40。2605N材料由于既有较好的耐腐蚀耐磨蚀性,又有较好的强度与韧性,故用以制造承受液体压力及管线外力的泵体、前泵盖零件,在保证泵体长寿命的基础上,同时保证该泵的安全性。1.材料的物理机械性能测试为了了解和衡量材料的物理机械性能,按照《测试大纲》的要求,对浆液循环泵的过流部件材料的成分、金相组织、材料的硬度、抗拉强度进行了测试,测试结果如下表表1材料性能测定结果材料冲击韧性抗拉强度硬度2605N-791.3MPaHB252Cr30A10.79J/cm2554.2MPaHRC34为考察Cr30A、2605N材料在模拟烟气脱硫吸收塔浆液循环泵工况下的冲蚀磨损性能,襄樊五二五泵业有限公司委托西安交通大学铸造和耐磨材料研究所,在MMG-200高温氧化-冲刷腐蚀磨损试验机上,用取自珞璜电厂的脱硫循环浆液介质,模拟实际运行工况进行了相对腐蚀磨损检测试验。图1冲蚀磨损试验机工作原理简图试验条件:冲蚀速度20m/s;冲蚀角度15o;试验温度52-65oC;浆液pH=5.03;固体浓度18-25%;Cl-浓度34455ppm。试验结果如下表3材料冲蚀磨损试验结果材料材料试样1失重Mt(g)试样2失重Mt(g)试样3失重Mt(g)平均失重Mt(g)失重率R(g/(m2h))2605N3.34.44.64.11.02Cr30A1.61.71.81.60.42数据处理如下:在上表中存在的关系式为:式中:R为质量损耗速率(g/m2·h);Mt为冲蚀磨损前后试样的质量差(g);S为冲蚀磨损面面积(m2);t为试验时间(h);体积损耗速率:式中:R’为体积损耗速率(mm3/m2·h);ρ为试样密度(g/mm3),取值为7.85x10-3年体积损耗速率:R”=8000R’(一年按8000小时计算)根据表3计算两种材料的体积损耗率如下材料体积损耗速率(mm3/m2·h)年体积损耗速率(mm3/m2·a)年腐蚀率(mm/a)2605N129.9361.0395x1060.78Cr30A53.5034.28x1050.46根据《现代泵设计手册》(关醒凡编著),用下面的公式估算泵壳壁厚:将已知条件代入上式中得泵体的计算厚度为10.33mm,泵体的设计厚度为34mm,其腐蚀余量为342-10.33=23.67mm,则泵体的理论估计寿命为23.67/0.78=30.35年。由以上分析知泵体的估计寿命都在15年以上,则2605N及Cr30A两种材质作为浆液循环泵的过流部件完全能满足该工况长期运行的要求。因此,金属材料在湿法烟气脱硫中的选用能获得成功。全金属浆液循环泵的主要结构设计考虑到泵的安全可靠性和检修维护的方便,主要采用了以下几项结构设计。a.浆液循环泵是大流量泵,体积庞大,减少检修工作量十分突出,因而采用“后开门”结构,在联轴器部分设置中间接,检修时拆下中间节,留出空间,整个轴承组件及叶轮即可从后部抽出,而勿需拆卸进、出口管线。b.一般清液泵设置前、后口环,而此泵代之以前后护板,既保证效率,也便于更换。c.为了使泵始终在高效点运转,通过轴承组件的调节,可改变叶轮在泵体内的相对位置。d.采用了较小的长径比(轴较粗),减少轴的动态挠度。一定程度上控制了轴挠度对密封寿命的不利影响。e.选用进口轴承、轴承箱采用稀油润滑,改善了轴承工作条件,提高了轴承寿命。其结构如上图所示。金属型浆液循环泵特点综述:a.结构简单:采用...

1、当您付费下载文档后,您只拥有了使用权限,并不意味着购买了版权,文档只能用于自身使用,不得用于其他商业用途(如 [转卖]进行直接盈利或[编辑后售卖]进行间接盈利)。
2、本站所有内容均由合作方或网友上传,本站不对文档的完整性、权威性及其观点立场正确性做任何保证或承诺!文档内容仅供研究参考,付费前请自行鉴别。
3、如文档内容存在违规,或者侵犯商业秘密、侵犯著作权等,请点击“违规举报”。

碎片内容

全金属浆液循环泵

您可能关注的文档

书海行舟+ 关注
实名认证
内容提供者

热爱教学事业,对互联网知识分享很感兴趣

相关文档

确认删除?
VIP
微信客服
  • 扫码咨询
会员Q群
  • 会员专属群点击这里加入QQ群
客服邮箱
回到顶部