电脑桌面
添加小米粒文库到电脑桌面
安装后可以在桌面快捷访问

重力式路肩挡土墙VIP免费

重力式路肩挡土墙_第1页
1/4
重力式路肩挡土墙_第2页
2/4
重力式路肩挡土墙_第3页
3/4
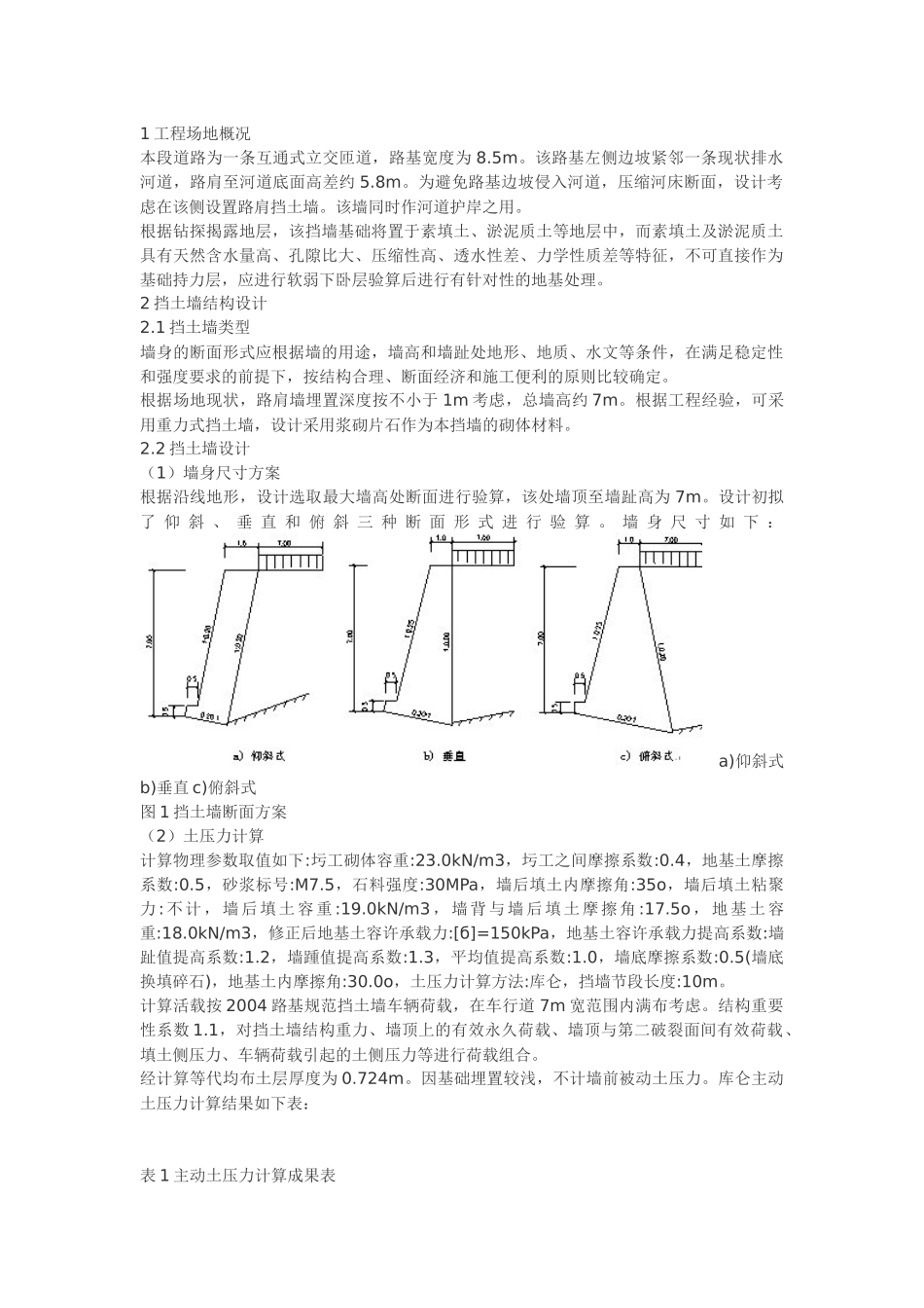
1工程场地概况本段道路为一条互通式立交匝道,路基宽度为8.5m。该路基左侧边坡紧邻一条现状排水河道,路肩至河道底面高差约5.8m。为避免路基边坡侵入河道,压缩河床断面,设计考虑在该侧设置路肩挡土墙。该墙同时作河道护岸之用。根据钻探揭露地层,该挡墙基础将置于素填土、淤泥质土等地层中,而素填土及淤泥质土具有天然含水量高、孔隙比大、压缩性高、透水性差、力学性质差等特征,不可直接作为基础持力层,应进行软弱下卧层验算后进行有针对性的地基处理。2挡土墙结构设计2.1挡土墙类型墙身的断面形式应根据墙的用途,墙高和墙趾处地形、地质、水文等条件,在满足稳定性和强度要求的前提下,按结构合理、断面经济和施工便利的原则比较确定。根据场地现状,路肩墙埋置深度按不小于1m考虑,总墙高约7m。根据工程经验,可采用重力式挡土墙,设计采用浆砌片石作为本挡墙的砌体材料。2.2挡土墙设计(1)墙身尺寸方案根据沿线地形,设计选取最大墙高处断面进行验算,该处墙顶至墙趾高为7m。设计初拟了仰斜、垂直和俯斜三种断面形式进行验算。墙身尺寸如下:a)仰斜式b)垂直c)俯斜式图1挡土墙断面方案(2)土压力计算计算物理参数取值如下:圬工砌体容重:23.0kN/m3,圬工之间摩擦系数:0.4,地基土摩擦系数:0.5,砂浆标号:M7.5,石料强度:30MPa,墙后填土内摩擦角:35o,墙后填土粘聚力:不计,墙后填土容重:19.0kN/m3,墙背与墙后填土摩擦角:17.5o,地基土容重:18.0kN/m3,修正后地基土容许承载力:[б]=150kPa,地基土容许承载力提高系数:墙趾值提高系数:1.2,墙踵值提高系数:1.3,平均值提高系数:1.0,墙底摩擦系数:0.5(墙底换填碎石),地基土内摩擦角:30.0o,土压力计算方法:库仑,挡墙节段长度:10m。计算活载按2004路基规范挡土墙车辆荷载,在车行道7m宽范围内满布考虑。结构重要性系数1.1,对挡土墙结构重力、墙顶上的有效永久荷载、墙顶与第二破裂面间有效荷载、填土侧压力、车辆荷载引起的土侧压力等进行荷载组合。经计算等代均布土层厚度为0.724m。因基础埋置较浅,不计墙前被动土压力。库仑主动土压力计算结果如下表:表1主动土压力计算成果表由上述计算结果可知,俯斜式挡墙墙背主动土压力、墙身重量均为三种墙型中最大者,仰斜式最小,垂直墙介于二者之间。(3)滑动稳定性验算重力式挡土墙沿基底的滑动稳定系数Kc,按式(1)求算:Kc=(W+Ey)f/Ex(1)式中:W为挡土墙重力,Ex、Ey为主动土压力的水平和垂直分力,f为基底摩擦系数。计算结果见下表:表2滑动稳定计算成果表由上述计算结果可知,三种墙型均满足滑动稳定性要求,其中俯斜式挡墙滑动稳定性最好最安全,仰斜式次之,垂直墙滑动稳定性系数最小。(4)倾覆稳定性验算挡土墙绕墙趾的倾覆稳定系数K。,按式(2)求算:K。=(WZw+EyZy)/ExZx(2)式中:Zx为Ex对墙趾点的力臂;Zy为Ey对墙趾点的力臂;Zw为W对墙趾点的力臂。计算结果见下表:表3倾覆稳定计算成果表由上述计算结果可知,三种墙型均满足倾覆稳定性要求,其中俯斜式挡墙滑动稳定性最好最安全,垂直墙次之,仰斜式倾覆稳定性系数最小。(5)基底应力及偏心验算作用于基底的合力偏心距e为:e=B/2-Zn=B/2-(WZw+EyZy-ExZx)/(W+Ey)(3)当e≤B/6时,墙趾或墙踵处的压应力按式(4)计算:б1,2=(W+Ey)(1±6e/B)/B≤[б](4)当e>B/6时,基底出现拉应力,一般均不考虑地基能承受此拉力,则基底应力重分布,此时按式(5)确定最大压应力。б1=2(W+Ey)/3Zn≤[б](5)基底合力偏心距e及基底应力计算结果见下表:表4基底应力及偏心计算成果表表4基底应力及偏心计算成果表由上述计算结果可知,三种墙型中垂直墙基底平均压应力最小,俯斜式次之,仰斜式最大。2.3墙型选择上述计算与比较表明,俯斜式挡墙抗滑稳定性和抗倾覆稳定性均最优,但其断面尺寸过大势必造成工程造价偏高;仰斜式挡墙具有圬工体积小的优点,但其倾覆稳定性相对较差,且基底平均压应力较大,对地基承载力要求稍高;相对前两种墙型,垂直墙工程量介于二者之间,稳定性安全系数也较为适宜,且基底平均应力最小,对地基处理有利。通过对垂直墙墙底及台顶截面强度的验算,均满足要求。因此,设计选择...

1、当您付费下载文档后,您只拥有了使用权限,并不意味着购买了版权,文档只能用于自身使用,不得用于其他商业用途(如 [转卖]进行直接盈利或[编辑后售卖]进行间接盈利)。
2、本站所有内容均由合作方或网友上传,本站不对文档的完整性、权威性及其观点立场正确性做任何保证或承诺!文档内容仅供研究参考,付费前请自行鉴别。
3、如文档内容存在违规,或者侵犯商业秘密、侵犯著作权等,请点击“违规举报”。

碎片内容

重力式路肩挡土墙

您可能关注的文档

确认删除?
VIP
微信客服
  • 扫码咨询
会员Q群
  • 会员专属群点击这里加入QQ群
客服邮箱
回到顶部