电脑桌面
添加小米粒文库到电脑桌面
安装后可以在桌面快捷访问

电缆井作业指导书VIP免费

电缆井作业指导书_第1页
1/6
电缆井作业指导书_第2页
2/6
电缆井作业指导书_第3页
3/6
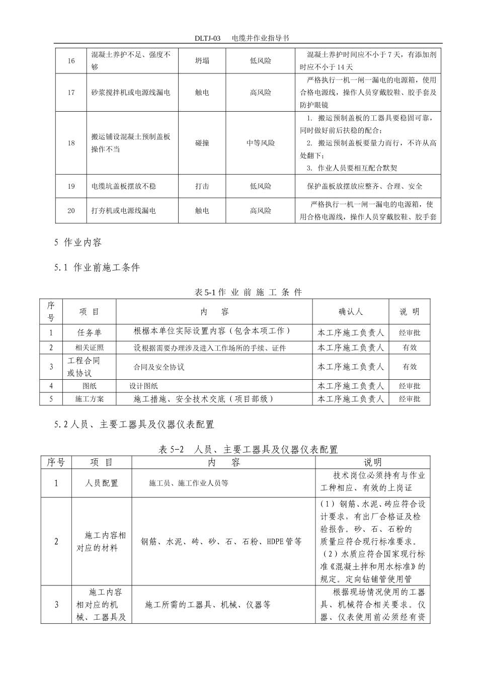
DLTJ-03电缆井作业指导书1适用范围本节适用于35kV及以下配网工程电缆沟、管工程配套的电缆工井、检查井、过渡井的施工2编写依据表2-1编写依据序号引用资料名称1GB50204-2002《混凝土结构工程施工质量验收规范》2GB50204-2002《建筑装饰装修工程质量验收规范》3GB50203-2002《砌体工程施工质量验收规范》4GB50202-2002《建筑地基基础工程施工质量验收规范》5Q/CSG11105-2008《南方电网工程施工工艺控制规范》6《中国南方电网有限责任公司基建工程质量控制作业标准(WHS)》3作业流程图4安全风险辨析与预控4.1电缆井作业前,施工项目部根据该项目作业任务、施工条件,参照《电网建设施工安全基准风险指南》(下简称《指南》)开展针对性安全风险评估工作,形成该任务的风险分析表。4.2按《指南》中与电缆井作业相关联的《电网建设安全施工作业票》(编码:DLTJ-03-01/01),Y施工条件施工准备质量检验下接试验工序主要作业内容土方开挖YYYN图3-1作业流程图DLTJ-03电缆井作业指导书结合现场实际情况进行差异化分析,确定风险等级,现场技术员填写安全施工作业票,安全员审核,施工负责人签发。4.3施工负责人核对风险控制措施,并在日站班会上对全体作业人员进行安全交底,接受交底的作业人员负责将安全措施落实到各作业任务和步骤中。4.4安全施工作业票由施工负责人现场持有,工作内容、地点不变时可连续使用10天,超过10天须重新办理作业票,在工作完成后上交项目部保存备查。表4.1作业任务安全基准风险指南序号危害名称风险种类风险等级风险控制措施1施工区域安全围蔽措施不足摔绊扭伤坠落打击低风险施工区域必须做好安全围蔽及警示标志措施,晚上设置夜间警示灯,防止外人误入工作区域2作业人员前后间距不足碰撞打击低风险确保作业人员前后间距不得小于3m3挖掘机械回转半径范围内站人碰撞中等风险施工区域必须做好警示标识,挖掘机械工作期间禁止人员进入4在基坑内排水时,抽水设备漏电或电源线损坏触电高风险严格执行一机一闸一漏电的电源箱,使用合格电源线,操作人员穿胶鞋5土方(泥浆)运输车辆撒漏工作环境污染低风险工地现场必须设置洗车槽,做好有效的防撒漏、防扬尘措施,未经清洗干净的车辆不得离开工地6土方(泥浆)运输车辆超载交通意外高风险设专人监管,确保工地装载土方(泥浆)不得超载7挖掘机操作手无持证上岗碰撞打击中等风险挖掘机操作手必须持证上岗8混凝土浇筑时,平板振动器或电源线漏电触电高风险严格执行一机一闸一漏电的电源箱,使用合格电源线,操作人员穿戴胶鞋、胶手套及防护眼镜9手推车运送混凝土、砂浆时撒把碰撞低风险禁止手推车运送混凝土、砂浆时撒把10混凝土搅拌时,搅拌机料斗的钢丝绳断股碰撞打击低风险发现钢丝绳断股,必须更换11混凝土搅拌时,料斗提升后下方站人碰撞打击低风险混凝土搅拌时,料斗提升后,下方不准站人12电缆井砌筑时,斗车运送毛石、砖块装载过满碰撞中等风险1.搬运砖石料的工器具要牢固;2.搬运砖石料要量力而行,往沟槽里下料时要采用滑道,且下面不准有人13电缆井砌筑时,整理砖、毛石操作不当碰撞打击中等风险不准向有人的方向打砖、毛石14混凝土浇筑时,振动捧或电源线漏电触电高风险严格执行一机一闸一漏电的电源箱,使用合格电源线,操作人员穿戴胶鞋、胶手套及防护眼镜15拆模时,将带钉模板随意乱放刺伤低风险拆模时,不得乱扔乱放,做到工完料清DLTJ-03电缆井作业指导书16混凝土养护不足、强度不够坍塌低风险混凝土养护时间应不小于7天,有添加剂时应不小于14天17砂浆搅拌机或电源线漏电触电高风险严格执行一机一闸一漏电的电源箱,使用合格电源线,操作人员穿戴胶鞋、胶手套及防护眼镜18搬运铺设混凝土预制盖板操作不当碰撞中等风险1.搬运预制盖板的工器具要稳固可靠,同时做好前后扶稳的配合;2.搬运预制盖板要量力而行,不许从高处翻下;3.作业人员要相互配合默契19电缆坑盖板摆放不稳打击低风险保护盖板放摆放应整齐、合理、安全20打夯机或电源线漏电触电高风险严格执行一机一闸一漏电的电源箱,使用合格电源线,操作人员穿戴胶鞋、胶手套5作业内容5.1作业前施工条件表5-1作业前施工条件序号项目内容确认人说...

1、当您付费下载文档后,您只拥有了使用权限,并不意味着购买了版权,文档只能用于自身使用,不得用于其他商业用途(如 [转卖]进行直接盈利或[编辑后售卖]进行间接盈利)。
2、本站所有内容均由合作方或网友上传,本站不对文档的完整性、权威性及其观点立场正确性做任何保证或承诺!文档内容仅供研究参考,付费前请自行鉴别。
3、如文档内容存在违规,或者侵犯商业秘密、侵犯著作权等,请点击“违规举报”。

碎片内容

电缆井作业指导书

书海行舟+ 关注
实名认证
内容提供者

热爱教学事业,对互联网知识分享很感兴趣

确认删除?
VIP
微信客服
  • 扫码咨询
会员Q群
  • 会员专属群点击这里加入QQ群
客服邮箱
回到顶部