电脑桌面
添加小米粒文库到电脑桌面
安装后可以在桌面快捷访问

伊通河安装施工组织设计VIP免费

伊通河安装施工组织设计_第1页
1/13
伊通河安装施工组织设计_第2页
2/13
伊通河安装施工组织设计_第3页
3/13
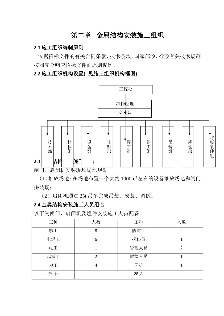
第一章工程概述1.1概述伊通河拦河闸工程位于长春市区。该工程是以供水防洪为主,兼顾灌溉等综合利用的小型水利供水工程。拦河闸设舌瓣式翻板工作钢闸门12扇和平板检修钢闸门1扇。舌瓣式翻板工作门启闭机2*500KN液压式启闭机12台,电气设备1台套。1.2主要工程量及工作内容工作闸门为舌瓣式平板钢闸门,闸门为舌瓣式平面门,多主梁焊接结构,闸门转动支承设在门叶边梁底部,支承轴一端带有花键伸入闸铰与埋在闸墩中的铸件支座连接,另一端带有铜基镶嵌自润滑轴套与门叶上的轴承座板相连。闸门采用双主横圆柱铰结构,工作门由液压式启闭机(2×500kN)启闭,检修门采用平面滑动闸门,安装项目包括舌瓣式平板闸门门叶、检修闸门门叶、门槽埋件、液压式启闭机和电气设备,以及与本项目有关的锁定装置、基础埋件等附属设施。安装工作还包括合同规定的各项设备调试和试运转工作,以及试运转所必需的各种临时设施的安装。表1-1伊通河闸门及启闭机安装项目一览表序号项目名称闸门、门槽启闭机孔口尺寸(宽×高)(m×m)数量设计水头(m)支承型式总重(t)型式数量容量(kN)扬程(m)1舌瓣式闸门10.0×3.812扇2.5支铰16.6液压启闭机12台2×500KN42平面滑动闸门10.0×1扇滑块1.3工程工期根据伊通河拦河闸工程的特性,我企业拟定闸门及启闭设备安装工期为2005年3月30日至2005年7月15日,闸门及启闭设备安装总工期为106天,其中门槽埋件安装30天,工作及检修闸门安装50天,工作及检修闸门启闭机安装20天。电气设备安装及调试6天。具体施工工期根据土建施工进度而定。第二章金属结构安装施工组织2.1施工组织编制原则依据招标文件的有关合同条款、技术条款、国家部颁、行颁有关技术规范;按照完全响应招标文件的原则编制。2.2施工组织机构设置(见施工组织机构框图)2.3金属结构安装施工场地闸门、启闭机安装现场场地规划(1)堆放场地:在场地布置一个大约1000m2左右的设备堆放场地和闸门拼装场;(2)启闭机通过25t吊车完成吊装、安装、调试。2.4金属结构安装施工人员组合以下为闸门、启闭机及埋件安装施工人员配备。工种人数工种人数铆工8防腐工2电焊工6探伤员1电工1管理人员2起重工2质检人员1力工4司机1合计28人工程处项目经理安装队技术部材料组设备组计财部焊工组钳工组吊装组防腐喷砂组质检部第三章金属结构安装施工工艺措施3.1闸门二期埋件安装施工(1)门槽二期埋件安装施工工艺流程见下图门槽二期埋件安装施工工艺流程图(2)埋件安装施工措施及技术要求1)二期埋件安装按照施工图纸的规定执行,并符合《水利水电工程钢闸门制造安装及验收规定》(DL/T5018-94)的相关规定。2)首先,作好准备工作。设备出厂合格证、技术说明书、安装用控制点位置图,并作好安装前的检查工作,包括设备构件完整性,一、二期砼面是否凿毛及冲洗干净。安装时,由测量队按设计要求测放安装基准点。其基准点牢固、可靠便于使用,并保留到安装验收合格后。首先将底槛就位,控制好对孔口中心线里程、高程,尺寸合格后,焊接加固,再完成主反轨及侧轨安装,必要时要搭设架子,控制好对孔口中心线及对门槽中心线,等测量控制点调整合格后,焊接加固。侧轨安装时,还要控制好到铰心点的半径尺寸,合格后,焊接加固。检查合格后可以浇注二期砼。准备工作设置测量控制点埋件装车、运输25t汽车吊卸车、吊装底坎安装、二期砼浇筑检查验收测量控制点复核脚手架搭设扇形埋件吊装、调整、固定检查验收二期砼浇筑轨道接头焊缝磨平门槽复测、清理防腐处理试槽终检验收3)二期埋件由汽车运至工地,采用25t汽车吊进行卸车和吊装。4)用经纬仪控制好闸门埋件垂直度。确保闸门止水效果良好及运行无卡阻现象。埋件工作面的对接焊缝在二期混凝土浇筑后仔细打磨平滑,使其表面粗糙度达到规定要求。同时,对安装焊缝处的表面进行防腐处理,防腐质量达到规定要求。3.2舌瓣式翻板闸门安装闸门安装施工工艺流程见下图闸门安装施工工艺流程图3.2.1安装技术要求(1)舌瓣式翻板闸门及其埋件的安装,应按施工图纸的规定进行。(2)舌瓣式翻板闸门埋件安装应符合DL/T5018-94第9.1.5条至第9.1.13条的规定。(3)舌瓣式翻板闸门及其支铰座应按DL/...

1、当您付费下载文档后,您只拥有了使用权限,并不意味着购买了版权,文档只能用于自身使用,不得用于其他商业用途(如 [转卖]进行直接盈利或[编辑后售卖]进行间接盈利)。
2、本站所有内容均由合作方或网友上传,本站不对文档的完整性、权威性及其观点立场正确性做任何保证或承诺!文档内容仅供研究参考,付费前请自行鉴别。
3、如文档内容存在违规,或者侵犯商业秘密、侵犯著作权等,请点击“违规举报”。

碎片内容

伊通河安装施工组织设计

确认删除?
VIP
微信客服
  • 扫码咨询
会员Q群
  • 会员专属群点击这里加入QQ群
客服邮箱
回到顶部