电脑桌面
添加小米粒文库到电脑桌面
安装后可以在桌面快捷访问

基础底板模板支设VIP免费

基础底板模板支设_第1页
1/7
基础底板模板支设_第2页
2/7
基础底板模板支设_第3页
3/7
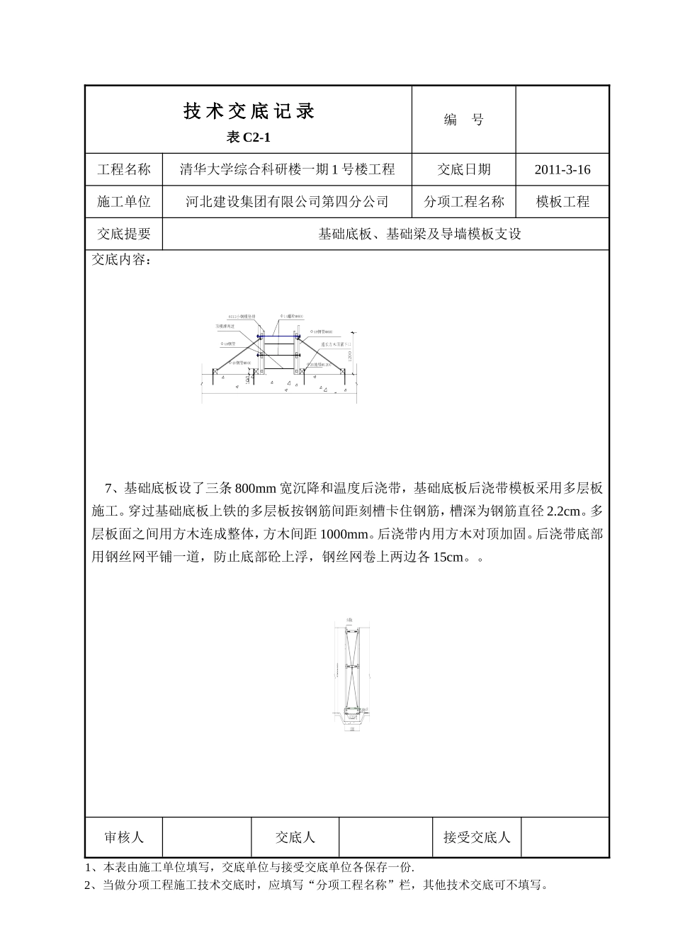
技术交底记录表C2-1编号工程名称清华大学综合科研楼一期1号楼工程交底日期2011-3-16施工单位河北建设集团有限公司第四分公司分项工程名称模板工程交底提要基础底板、基础梁及导墙模板支设一、施工准备:1、材料准备1.1、多层板(15mm厚)、6012小钢模、100×100mm木方、50×100mm木方、海绵条。1.2、加固与支撑使用材料:架管、丝托、扣件、螺母。1.3、模板在厂内加工,安装前先检查模板的制作质量,不符合制作要求的不得投入使用。1.4、脱模剂:用好机油加柴油按比例配置脱模剂。2、机具准备:2.1、锯、锤子、刨子、扳手、打眼电钻、线坠、靠尺板、方尺、水平尺、撬扛等。2.2、模板运输、存放:模板采用塔吊运至使用部位,并有专人管理。2.3、机具的使用、存放:平刨、压刨存放在现场南侧木工加工棚内,手持工具存放在木工班组库房内,设专人管理。3、作业条件3.1、根据图纸要求,放好轴线和模板边线,定好水平控制标高。3.2、模板涂刷脱模剂:用好机油加柴油按(机油:柴油=1:3)比例配置涂刷脱模剂,涂刷要均匀,不流坠,涂刷好的模板分规格堆放整齐。3.3、完成钢筋阴检、水电管线、预留、预埋等工作,并形成隐蔽验收记录。3.4、交接检查:钢筋和水电工作完成后,对木工班组进行交接检查,并形成交接检查记录。3.5、模板下口处理:模板下口与混凝土面直接接触的部位,用海绵条粘贴严密,防止漏浆。二、施工操作工艺措施及主要做法要求:1、工艺流程:模板加工制作运至使用部位临时固定安装模板主龙骨并用螺栓锁紧加设模板斜支撑预检验收审核人交底人接受交底人1、本表由施工单位填写,交底单位与接受交底单位各保存一份.2、当做分项工程施工技术交底时,应填写“分项工程名称”栏,其他技术交底可不填写。技术交底记录表C2-1编号工程名称清华大学综合科研楼一期1号楼工程交底日期2011-3-16施工单位河北建设集团有限公司第四分公司分项工程名称模板工程交底提要基础底板、基础梁及导墙模板支设2、模板制作:在多层板后钉50mm×100mm木方,木方中到中间距为200mm,模板表面光滑、清洁,相邻两板高低差在2mm以内,硬拼缝接缝严密。3、模板用塔吊运至使用部位,模板临时固定采用架管顶住模板侧楞。4、、导墙模板采用木肋多层板模板。5、外侧模板用防水保护墙兼做底板模使用,导墙模板采用木模板,导墙内侧模板放在焊好钢筋支架上,钢筋支架和底板钢筋的马凳焊接牢固,见下图,导墙上留设止水螺栓,为上部墙体接茬使用。6、本工程基础反梁分2次浇筑,上反部分单独浇筑,反梁侧模(净高最高1200mm)采用小钢模支设。基础反梁模板选用6012小钢模,背楞为Φ48*3.5钢管,模板下口利用浇筑底板砼时埋设的地锚用方木顶紧,模板上口用短钢管锁紧,中间加一道斜撑。为保证反梁模板整体稳定性,靠近基坑边的反梁用钢管撑在基坑护坡上,使所有的反梁连成一个整体。审核人交底人接受交底人1、本表由施工单位填写,交底单位与接受交底单位各保存一份.2、当做分项工程施工技术交底时,应填写“分项工程名称”栏,其他技术交底可不填写。技术交底记录表C2-1编号工程名称清华大学综合科研楼一期1号楼工程交底日期2011-3-16施工单位河北建设集团有限公司第四分公司分项工程名称模板工程交底提要基础底板、基础梁及导墙模板支设交底内容:7、基础底板设了三条800mm宽沉降和温度后浇带,基础底板后浇带模板采用多层板施工。穿过基础底板上铁的多层板按钢筋间距刻槽卡住钢筋,槽深为钢筋直径2.2cm。多层板面之间用方木连成整体,方木间距1000mm。后浇带内用方木对顶加固。后浇带底部用钢丝网平铺一道,防止底部砼上浮,钢丝网卷上两边各15cm。。审核人交底人接受交底人1、本表由施工单位填写,交底单位与接受交底单位各保存一份.2、当做分项工程施工技术交底时,应填写“分项工程名称”栏,其他技术交底可不填写。技术交底记录表C2-1编号工程名称清华大学综合科研楼一期1号楼工程交底日期2011-3-16施工单位河北建设集团有限公司第四分公司分项工程名称模板工程交底提要基础底板、基础梁及导墙模板支设交底内容:8、墙体之间后浇带模板采用多层板拼装施工,穿过钢筋的多层板按钢筋间距刻槽卡住钢筋,槽深为...

1、当您付费下载文档后,您只拥有了使用权限,并不意味着购买了版权,文档只能用于自身使用,不得用于其他商业用途(如 [转卖]进行直接盈利或[编辑后售卖]进行间接盈利)。
2、本站所有内容均由合作方或网友上传,本站不对文档的完整性、权威性及其观点立场正确性做任何保证或承诺!文档内容仅供研究参考,付费前请自行鉴别。
3、如文档内容存在违规,或者侵犯商业秘密、侵犯著作权等,请点击“违规举报”。

碎片内容

基础底板模板支设

确认删除?
VIP
微信客服
  • 扫码咨询
会员Q群
  • 会员专属群点击这里加入QQ群
客服邮箱
回到顶部