电脑桌面
添加小米粒文库到电脑桌面
安装后可以在桌面快捷访问

汽车发动机结构与检修教案第三单元 配气机构VIP免费

汽车发动机结构与检修教案第三单元 配气机构_第1页
1/13
汽车发动机结构与检修教案第三单元 配气机构_第2页
2/13
汽车发动机结构与检修教案第三单元 配气机构_第3页
3/13
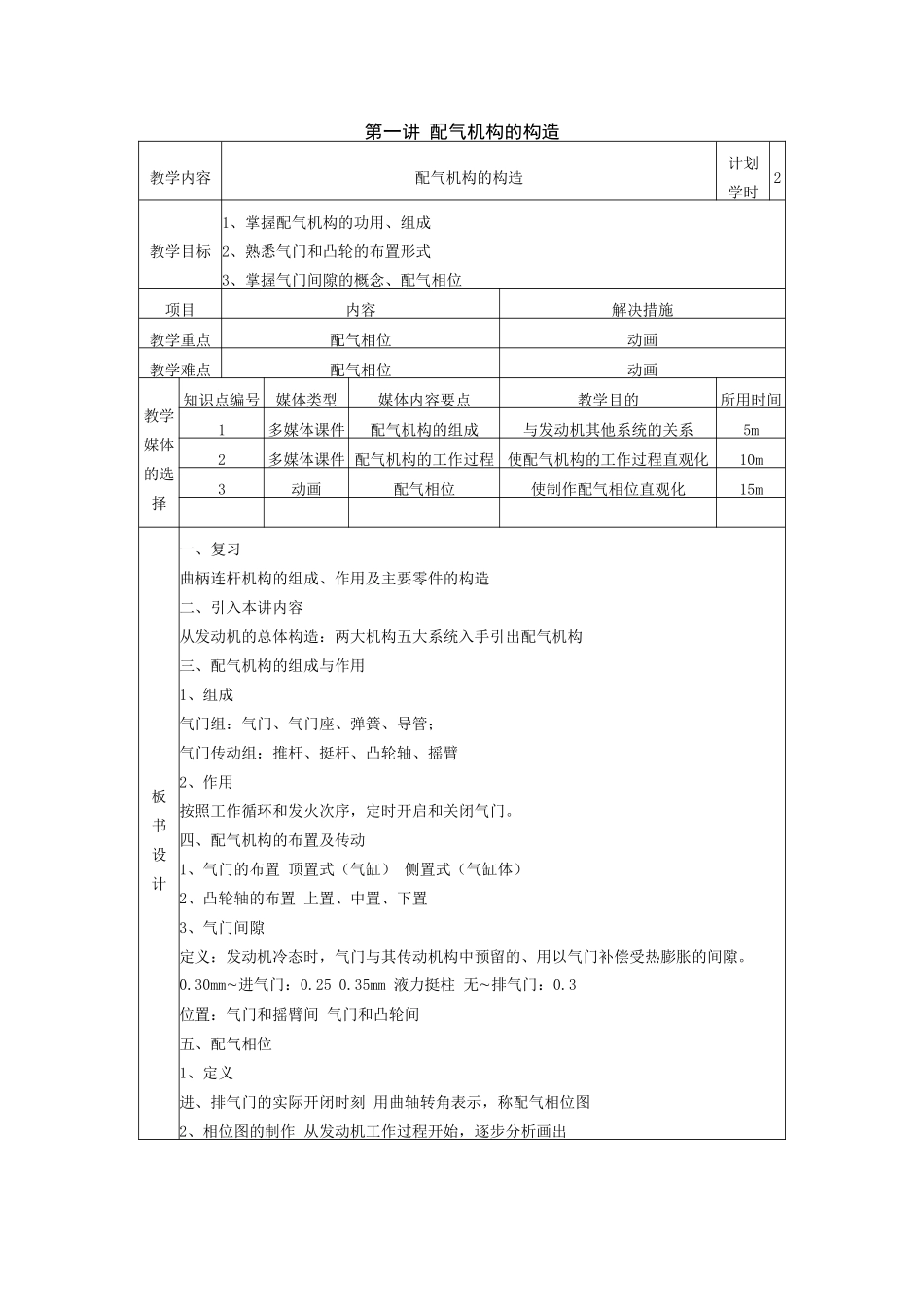
第一讲配气机构的构造教学内容配气机构的构造计划学时2教学目标1、掌握配气机构的功用、组成2、熟悉气门和凸轮的布置形式3、掌握气门间隙的概念、配气相位项目内容解决措施教学重点配气相位动画教学难点配气相位动画教学媒体的选择知识点编号媒体类型媒体内容要点教学目的所用时间1多媒体课件配气机构的组成与发动机其他系统的关系5m2多媒体课件配气机构的工作过程使配气机构的工作过程直观化10m3动画配气相位使制作配气相位直观化15m板书设计一、复习曲柄连杆机构的组成、作用及主要零件的构造二、引入本讲内容从发动机的总体构造:两大机构五大系统入手引出配气机构三、配气机构的组成与作用1、组成气门组:气门、气门座、弹簧、导管;气门传动组:推杆、挺杆、凸轮轴、摇臂2、作用按照工作循环和发火次序,定时开启和关闭气门。四、配气机构的布置及传动1、气门的布置顶置式(气缸)侧置式(气缸体)2、凸轮轴的布置上置、中置、下置3、气门间隙定义:发动机冷态时,气门与其传动机构中预留的、用以气门补偿受热膨胀的间隙。0.30mm进气门:0.250.35mm液力挺柱无排气门:0.3位置:气门和摇臂间气门和凸轮间五、配气相位1、定义进、排气门的实际开闭时刻用曲轴转角表示,称配气相位图2、相位图的制作从发动机工作过程开始,逐步分析画出教学过程结构设计知识性练习复习题1:配气机构的作用是什么?2:配气机构为什么要留气门间隙?过大过小各有什么危害?其调整方法和步骤如何?形成性评价利用动画、幻灯片、多媒体等教学等方法有效的完成了本讲的主要内容的讲解任务,学生能比较顺利的掌握。第二讲配气机构的构造教学内容配气机构的构造计划学时2教学目标1、掌握配气机构主要零件的结构2、了解气缸数自动可变化机构3、了解可变气门相位与气门升程电子控制技术项目内容解决措施教学重点气门组零件结构实物、幻灯片教学难点液力挺柱实物、幻灯片教学媒体的选择知识点编号媒体类型媒体内容要点教学目的所用时间1实物、幻灯片气门组零件结构直观显示零件机构10m2实物、幻灯片液力挺柱显示挺柱的基本结构和工作过程10m板书设计一、复习配气机构的组成、作用、气门间隙、配气相位(画图讲解)二、引入本讲内容从配气机构的组成:气门组和气门传动组(幻灯片)入手三、主要零件的构造一)、气门组1、作用密封气门2、气门与气门座气门:头部、杆部、头部与气门座配合的锥角:45气门座:镶嵌式、耐磨2、气门弹簧和气门导管弹簧使气门落座,即回位导管起导向作用,使气门杆作直线往复运动二)、气门传动组1、凸轮轴其上的凸轮使气门按发动机工作顺序和配气相位及时开闭足够的气门升程4、挺柱传力液力挺柱的结构5、摇臂改变运动方向和增大作用力四、气缸数自动可变化机构简介通过电子控制,根据汽车的行驶状况,改变发动机的排气量,使选定的气门停止工作。五、可变气门相位与气门升程电子控制技术简介通过电子控制,根据发动机的转速、负荷、水温及车速,改变配气正时和气门升程。教学过程结构设计知识性练习复习题1:什么叫配气相位?如何画出配气相位图?2:凸轮轴的构造是怎样的?如何进行轴向定位?形成性评价利用实物、幻灯片等方法有效的完成了本讲的基础知识和基本技能的讲解任务,学生能比较顺利的掌握这部分知识。第三讲配气机构的维修教学内容配气机构的维修计划学时2教学目标1、掌握气门间隙的调整2、掌握气门与气门座的检修3、熟悉气门传动组的修理项目内容解决措施教学重点1、气门间隙的调整2、气门与气门座的检修启发式、案例多媒体教学难点气门间隙的调整启发式、案例教学媒体的选择知识点编号媒体类型媒体内容要点教学目的所用时间1幻灯片气门间隙的调整调整的目的、步骤和方法25m2多媒体气门与气门座的检修直观的显示检修过程10m板书设计一、复习气门与气门座、凸轮轴、挺柱、摇臂二、引入本讲内容从配气机构的组成、作用入手三、气门间隙的调整1、目的保证发动机正常工作1)过大的危害:进气不充分,排气不彻底,出现异响。2)过小的危害:全面关闭不严,漏气,工作面烧蚀。2、方法和步骤两次调整法1)将发动机的气缸按工作顺序等分为两组;2)将第一缸活塞调到压...

1、当您付费下载文档后,您只拥有了使用权限,并不意味着购买了版权,文档只能用于自身使用,不得用于其他商业用途(如 [转卖]进行直接盈利或[编辑后售卖]进行间接盈利)。
2、本站所有内容均由合作方或网友上传,本站不对文档的完整性、权威性及其观点立场正确性做任何保证或承诺!文档内容仅供研究参考,付费前请自行鉴别。
3、如文档内容存在违规,或者侵犯商业秘密、侵犯著作权等,请点击“违规举报”。

碎片内容

汽车发动机结构与检修教案第三单元 配气机构

书海行舟+ 关注
实名认证
内容提供者

热爱教学事业,对互联网知识分享很感兴趣

确认删除?
VIP
微信客服
  • 扫码咨询
会员Q群
  • 会员专属群点击这里加入QQ群
客服邮箱
回到顶部